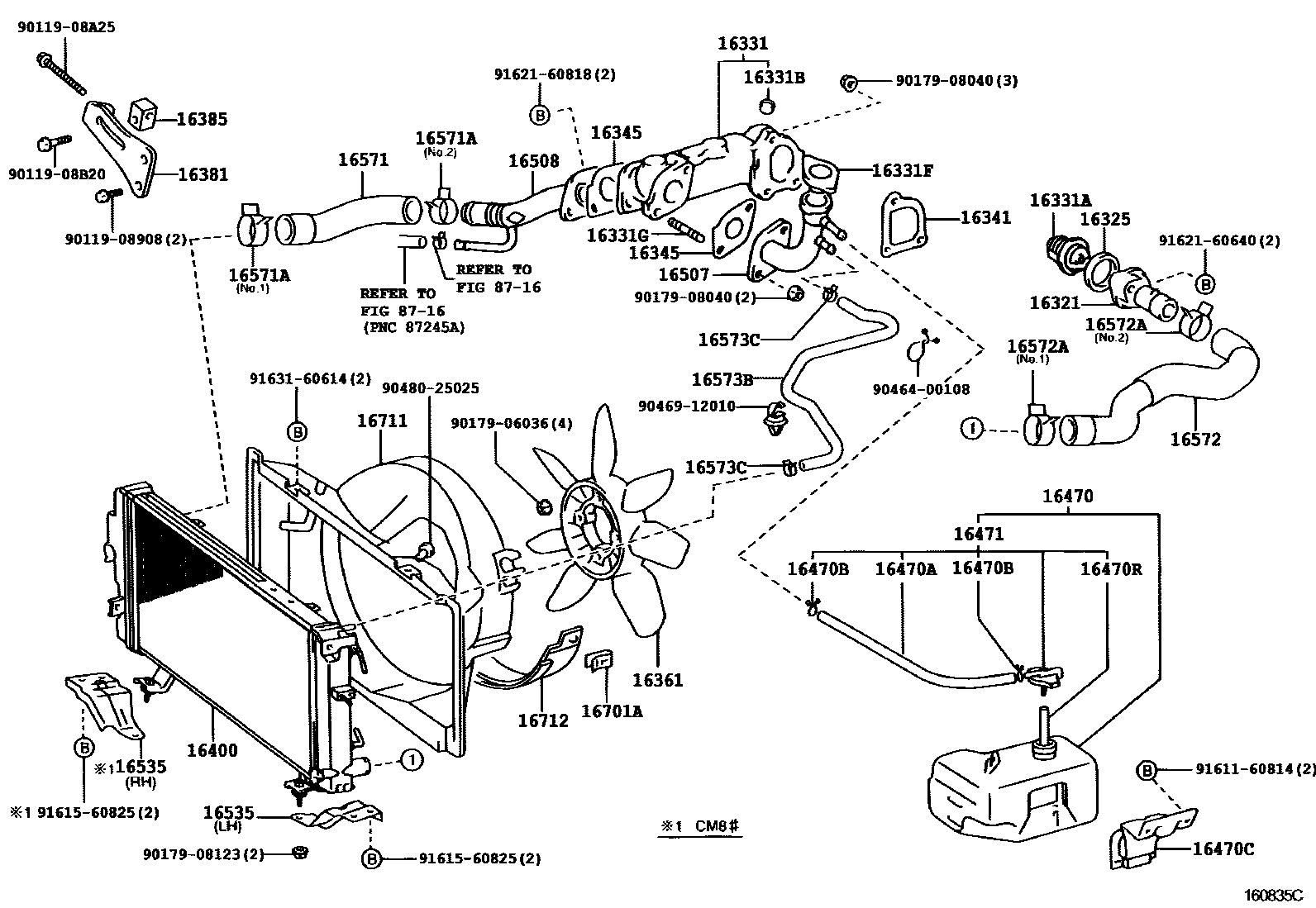
RADIATOR & WATER OUTLET

16321INLET, WATER
16325GASKET, WATER INLET HOUSING, NO.1
16331OUTLET, WATER
16331ATHERMOSTAT
16331BPLUG(FOR WATER OUTLET)
16331FCAP SUB-ASSY(FOR WATER OUTLET)
16331GBOLT, STUD(FOR WATER INLET)
16341GASKET, WATER OUTLET
16345GASKET, WATER OUTLET PIPE
16361FAN
16385SLIDER, FAN BELT ADJUSTING
16400RADIATOR ASSY
16470TANK ASSY, RADIATOR RESERVE
16470AHOSE OR PIPE(FOR RADIATOR RESERVE TANK)
16470BCLAMP OR CLIP(FOR RADIATOR RESERVE TANK HOSE)
16470CBRACKET(FOR RADIATOR RESERVE TANK)
16470RHOSE, NO.2(FOR RADIATOR RESERVE TANK)
16471CAP SUB-ASSY, RESERVE TANK
16507PIPE SUB-ASSY, RADIATOR
16508PIPE SUB-ASSY, RADIATOR, NO.2
16535SUPPORT, RADIATOR, LOWER
16571HOSE, RADIATOR, INLET
16572HOSE, RADIATOR, OUTLET
16573BHOSE, RADIATOR, NO.3
16701ACLIP(FOR FAN SHROUD)
16711SHROUD, FAN
16712SHROUD, FAN, NO.2
8716
9011908908
main90119-08908
9011908A25
main90119-08A25
9011908B20
main90119-08B20
9017906036
main90179-06036
9017908040
main90179-08040
9017908123
main90179-08123
9046400108
main90464-00108
9046912010
main90469-12010
9048025025
main90480-25025
9161160814
main91611-60814
9161560825
main91615-60825
9162160640
main91621-60640
9162160818
main91621-60818
9163160614
main91631-60614
46 parts on this diagram · 9 diagrams in section