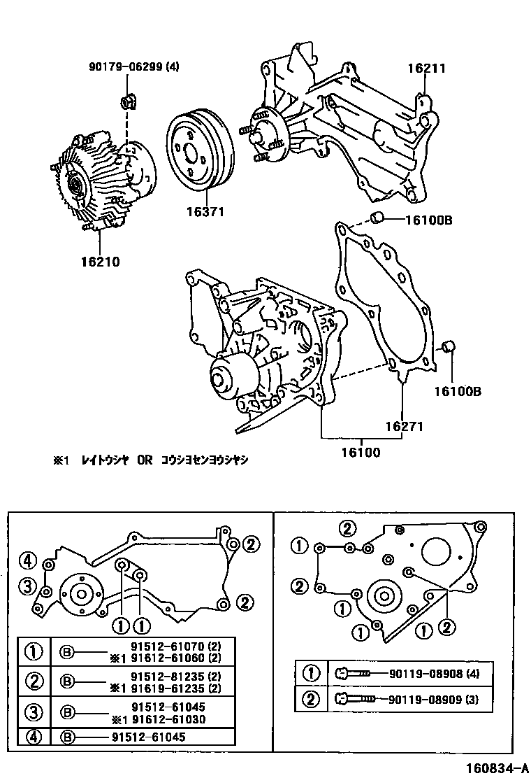
WATER PUMP

16100PUMP ASSY, ENGINE WATER
16100BPIN, RING(FOR WATER PUMP SET)
16210COUPLING ASSY, FLUID
16211BRACKET, FLUID COUPLING
16271GASKET, WATER PUMP
9011908908
main90119-08908
9011908909
main90119-08909
9017906299
main90179-06299
9151261045
main91512-61045
9151261070
main91512-61070
9151281235
main91512-81235
9161261030
main91612-61030
9161261060
main91612-61060
9161961235
main91619-61235
15 parts on this diagram · 2 diagrams in section