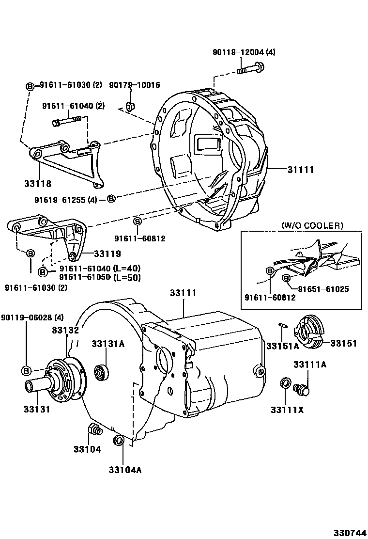
CLUTCH HOUSING & TRANSMISSION CASE (MTM)

31111HOUSING, CLUTCH
33104PLUG SUB-ASSY, DRAIN(MTM)
OD=24,*103
OD=26
OD=26
OD=26
OD=24,*103
33104AGASKET, DRAIN PLUG(MTM)
33111APLUG, MANUAL TRANSMISSION CASE
33111XGASKET, TRANSMISSION CASE PLUG
33118PLATE, STIFFENER, RH(MTM)
33119PLATE, STIFFENER, LH(MTM)
33131RETAINER, BEARING, FRONT(MTM)
33132GASKET, FRONT BEARING RETAINER(MTM)
33151RETAINER, OUTPUT SHAFT REAR BEARING(MTM)
33151APIN, SLOTTED SPRING(FOR OUTPUT SHAFT REAR BEARING RETAINER)
9011906028
main90119-06028
9011912004
main90119-12004
9017910016
main90179-10016
9161160812
main91611-60812
9161161030
main91611-61030
9161161040
main91611-61040
9161161050
main91611-61050
9161961255
main91619-61255
9165161025
main91651-61025
22 parts on this diagram · 4 diagrams in section