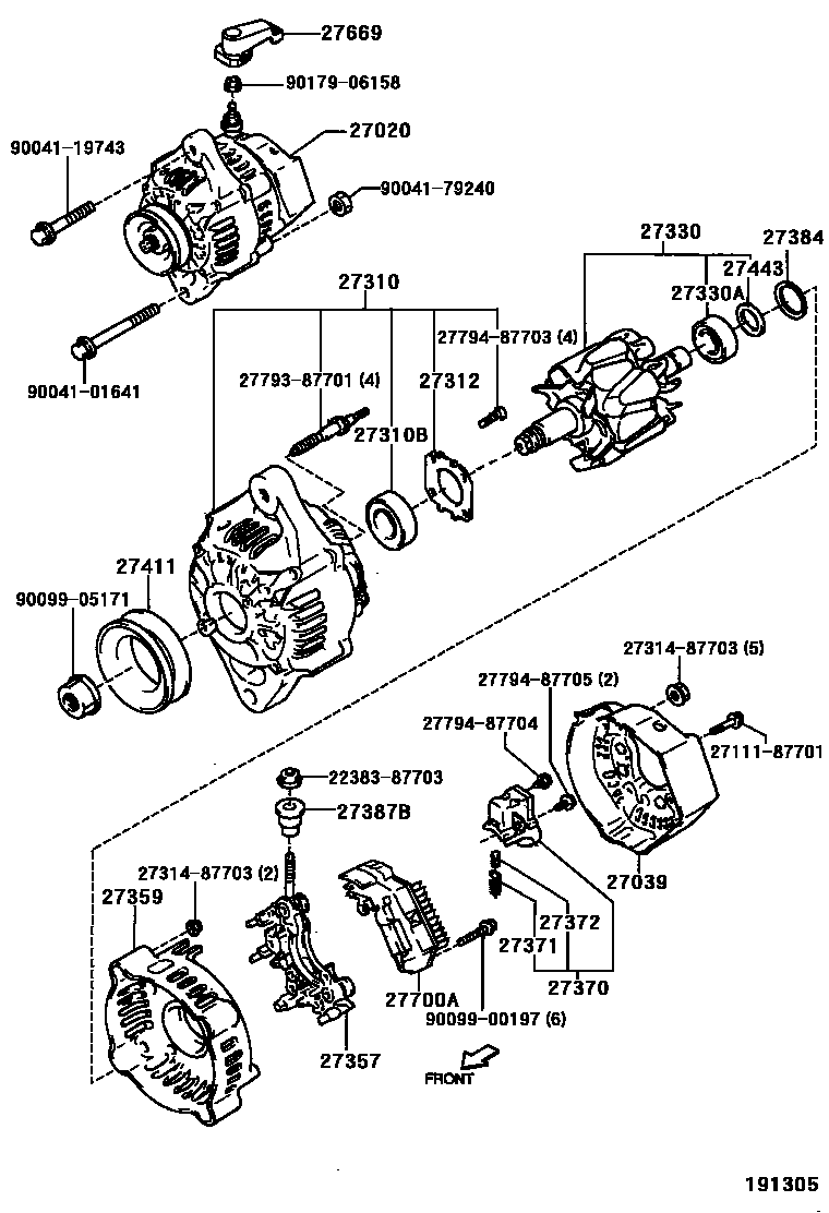
ALTERNATOR

27020ALTERNATOR ASSY
27039COVER, ALTERNATOR REAR END
27310FRAME ASSY, DRIVE END, ALTERNATOR
main27310-97503iK3VE..S221,231..ATM..G;K3VE..S221,231..4ATS..X..LOR; K3VE..S221,231..ATM..X..HIR200009
27310BBEARING(FOR ALTERNATOR DRIVE END FRAME)
27312PLATE, RETAINER
27330ROTOR ASSY, ALTERNATOR
main27330-97202iK3VE..S221,231..ATM..G;K3VE..S221,231..4ATS..X..LOR; K3VE..S221,231..ATM..X..HIR200009
27330ABEARING(FOR ALTERNATOR ROTOR)
27357HOLDER, ALTERNATOR, W/RECTIFIER
main27357-87712iK3VE..S221,231..ATM..G;K3VE..S221,231..4ATS..X..LOR; K3VE..S221,231..ATM..X..HIR200009
27359FRAME, ALTERNATOR RECTIFIER END
27370HOLDER ASSY, ALTERNATOR BRUSH
27371BRUSH, ALTERNATOR
27372SPRING, ALTERNATOR BRUSH
27384WASHER
27387BINSULATOR, ALTERNATOR TERMINAL
27411PULLEY, ALTERNATOR
27443COVER, ALTERNATOR BEARING
27669CAP, GENERATOR
27700AREGULATOR ASSY, GENERATOR
2238387703NUT, STOP WIRE BRACKET
main22383-87703
2711187701BOLT, ALTERNATOR
main27111-87701
2731487703
main27314-87703
2779387701
main27793-87701
2779487703
main27794-87703
2779487704
main27794-87704
2779487705
main27794-87705
9004101641
main90041-01641
9004119743
main90041-19743
9004179240
main90041-79240
9009900197
main90099-00197
9009905171
main90099-05171
9017906158
main90179-06158
31 parts on this diagram · 1 diagram in section