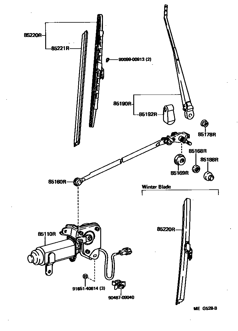
REAR WIPER

85110RMOTOR ASSY, REAR WIPER
85160RLINK ASSY, REAR WIPER
85168RNUT, REAR WIPER LINK PIVOT, NO.1
85169RWASHER, REAR WIPER LINK PIVOT, NO.1
85178RNUT (FOR REAR WIPER ARM SETTING)
sub90179-06159
85188RCAP, REAR WIPER PIVOT, NO.1
85190RARM ASSY, REAR WIPER
85192RCOVER, REAR WIPER ARM
85220RBLADE ASSY, REAR WIPER
sub85220-22600
9009900913
main90099-00913
9046709040
main90467-09040
9165140614
main91651-40614
13 parts on this diagram · 1 diagram in section