INDICATOR

3312
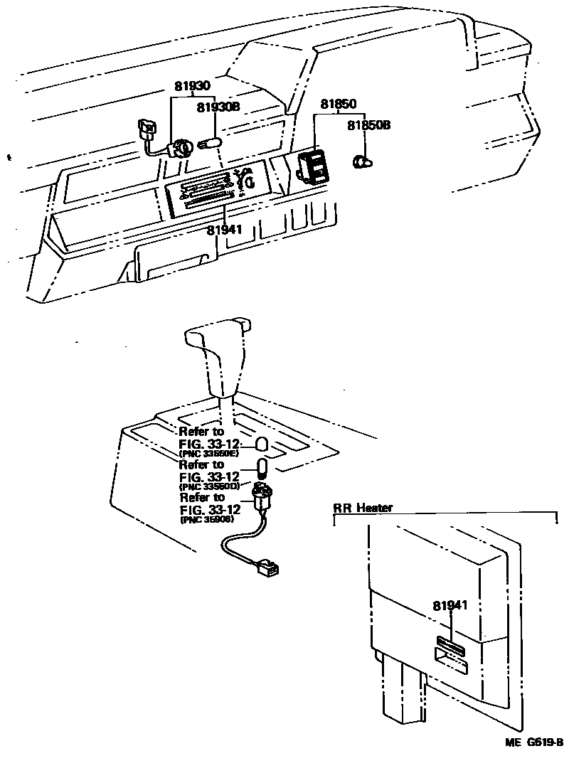
81850LAMP ASSY, INDICATOR
81850BBULB, INDICATOR LAMP
81930LAMP ASSY, HEATER CONTROL INDICATOR, NO.1
81930BBULB, HEATER CONTROL INDICATOR LAMP
81941PLATE, HEATER CONTROL NAME
FR HEATER
RR HEATER
6 parts on this diagram · 1 diagram in section