E
EPC Data

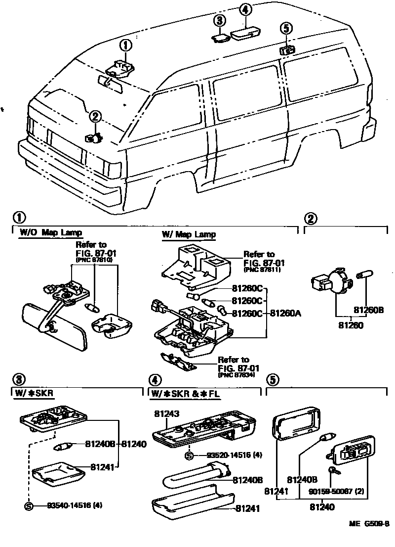
INTERIOR LAMP

Parts diagram
81240LAMP ASSY, ROOM, NO.1
main81240-22080-15i198509-198607
W/*SKR,BEIGE,BEIGE,TRIM4#
main81240-22080-23i198509-198607
W/*SKR,GRAY,GRAY,TRIM8#
main81240-22081-15i198708-198808
W/*SKR,BEIGE,BEIGE GRAY,TRIM4#
main81240-22081-23i198708-198808
W/*SKR,GRAY,GRAY,TRIM8#
main81240-95708-03i198509-198808
GRAY,GRAY,TRIM8#
main81240-95708-05i198509-198512
BEIGE,BEIGE,TRIM4#
81240BBULB, ROOM LAMP, NO.1
main90981-11004i198509-198512
main90981-11034i198509-198808
main99132-12100i198509-198708
81241LENS, ROOM LAMP, NO.1
main81241-20060i198708-198808
W/*SKR
main81241-87002i198509-198808
W/*FL
main81241-95013i198509-198512
81243BODY, ROOM LAMP, NO.1
main81243-87002-15i198509-198808
W/*FL,BEIGE
81260LAMP ASSY, GLOVE BOX
main81260-22070i198509-198808
81260ALAMP ASSY, MAP
main81240-87010-13i198708-198808
GRAY,GRAY,TRIM8#
main81240-87010-25i198708-198808
BEIGE,BEIGE,TRIM4#
81260BBULB(FOR GLOVE BOX)
main90981-11018i198509-198808
81260CBULB(FOR MAP LAMP)
main90981-12005×2i198708-198808
main99132-12100i198509-198708
9015950087
9352014516
9354014516

12 parts on this diagram · 1 diagram in section

INTERIOR LAMP — Toyota Parts Diagram with OEM Numbers & Prices | EPC Data