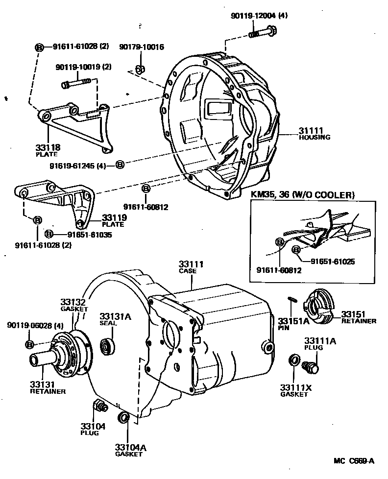
CLUTCH HOUSING & TRANSMISSION CASE (MTM)

31111HOUSING, CLUTCH
33104PLUG SUB-ASSY, DRAIN(MTM)
33104AGASKET, DRAIN PLUG(MTM)
33111CASE, MANUAL TRANSMISSION
33111APLUG, MANUAL TRANSMISSION CASE
33111XGASKET, TRANSMISSION CASE PLUG
33118PLATE, STIFFENER, RH(MTM)
33119PLATE, STIFFENER, LH(MTM)
33131RETAINER, BEARING, FRONT(MTM)
33131ASEAL, OIL(FOR TRANSMISSION FRONT BEARING RETAINER)
33132GASKET, FRONT BEARING RETAINER(MTM)
33151RETAINER, OUTPUT SHAFT REAR BEARING(MTM)
33151APIN, SLOTTED SPRING(FOR OUTPUT SHAFT REAR BEARING RETAINER)
9011906028
main90119-06028
9011910019
main90119-10019
9011912004
main90119-12004
9017910016
main90179-10016
9161160812
main91611-60812
9161161028
main91611-61028
9161961245
main91619-61245
9165161025
main91651-61025
9165161035
main91651-61035
22 parts on this diagram · 4 diagrams in section