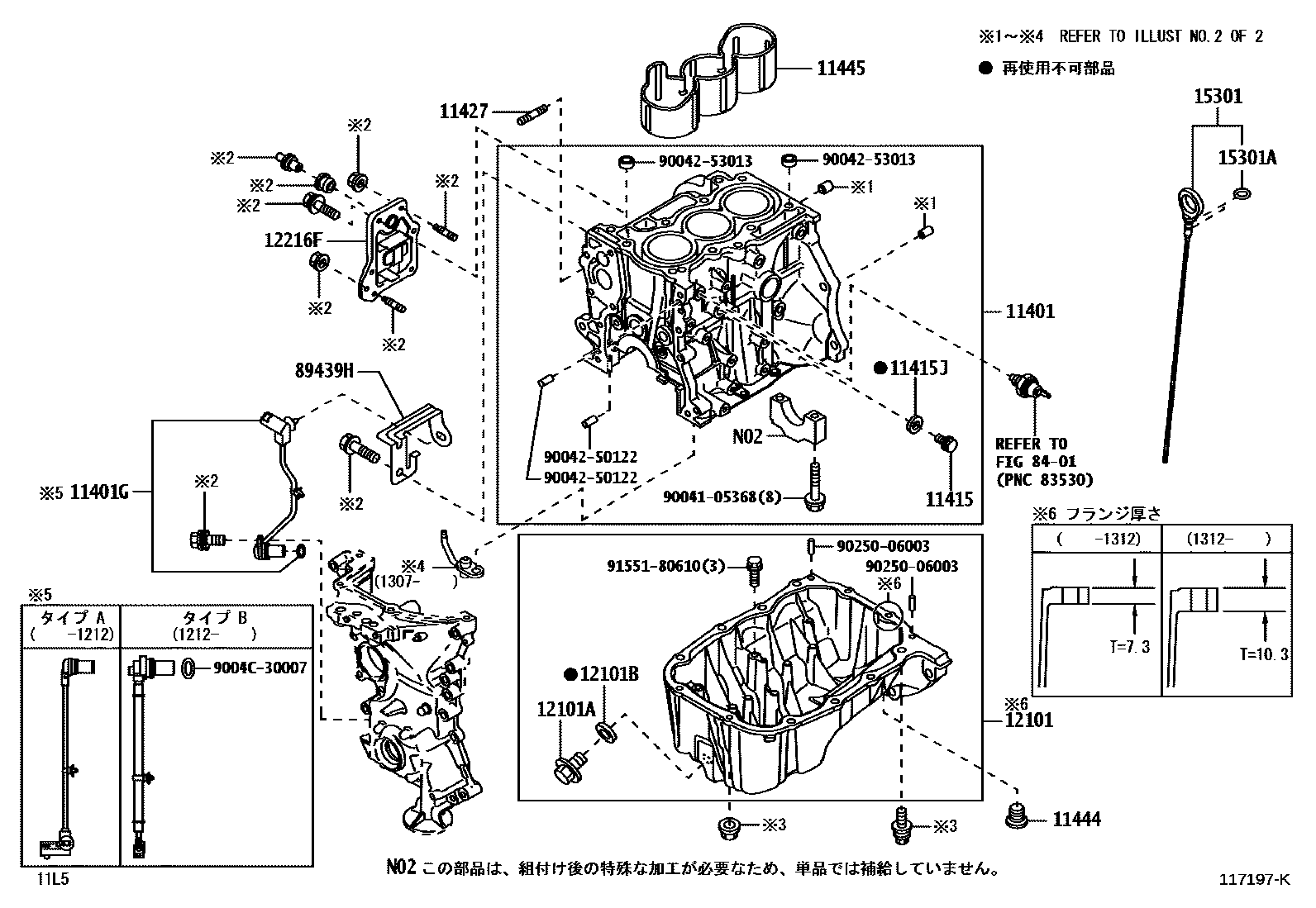
CYLINDER BLOCK

11401BLOCK SUB-ASSY, CYLINDER
11401GSENSOR, CRANK POSITION
11415COCK SUB-ASSY, WATER DRAIN(FOR CYLINDER BLOCK)
11415JGASKET(FOR DRAIN COCK)
11427BOLT, STUD(FOR TIMING CHAIN COVER SET)
11444PLUG, HOLE
11445SPACER, CYLINDER BLOCK WATER JACKET
12101PAN SUB-ASSY, OIL
12101APLUG(FOR OIL PAN DRAIN)
12101BGASKET(FOR OIL PAN DRAIN PLUG)
12216FPLATE, VENTILATION BAFFLE
15301GAGE SUB-ASSY, OIL LEVEL
15301ARING, O(FOR OIL LEVEL GAGE)
8401SWITCH & RELAY & COMPUTER
9004105368
main90041-05368
9004250122
main90042-50122
9004253013
main90042-53013
9004C30007
main9004C-30007
9025006003
main90250-06003
9155180610
main91551-80610
21 parts on this diagram · 5 diagrams in section