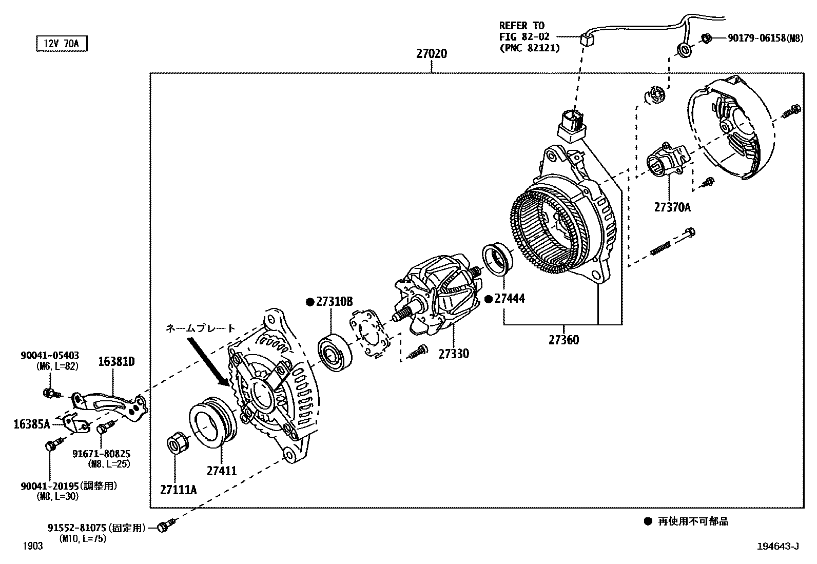
ALTERNATOR

16381DBAR, FAN BELT ADJUSTING
16385ASLIDER, FAN BELT ADJUSTING
27020ALTERNATOR ASSY
27111ANUT, ALTERNATOR
27310BBEARING(FOR ALTERNATOR DRIVE END FRAME)
27330ROTOR ASSY, ALTERNATOR
27360COIL ASSY, ALTERNATOR
27370AHOLDER ASSY, ALTERNATOR BRUSH
27411PULLEY, ALTERNATOR
27444PACKING, ALTERNATOR BEARING COVER
8202WIRING & CLAMP
9004105403
main90041-05403
9004120195
main90041-20195
9017906158
main90179-06158
9155281075
main91552-81075
9167180825
main91671-80825
16 parts on this diagram · 2 diagrams in section