E
EPC Data

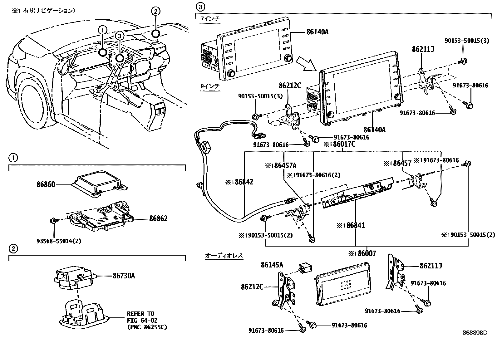
NAVIGATION & FRONT MONITOR DISPLAY

Parts diagram
6402ROOF HEADLINING & SILENCER PAD
86007COMPUTER SET, NAVIGATION
main86007-52010i202108-202310
main86007-52020i202108-202310
86017CFITTING SET, NAVIGATION SETTING
main86017-12010i202108-202310
86140ARECEIVER ASSY, RADIO & DISPLAY
main86140-16080i202108-202310
main86140-16180i202108-202310
main86140-16400i202310-202405
main86140-16401i202406-202411
main86140-16402i202412
main86100-16520supersedes 86140-16312i202310-202408
main86100-16522-B1i202409-202411
main86100-16523-B1i202412
main86140-16090i202108-202310
main86140-16190i202108-202310
86145AHOLDER, CONNECTOR
main86145-52010i202108-202310
86211JBRACKET, RADIO RECEIVER, NO.1
main86211-12470i202108-202310
main86211-12490i202108-202310
86212CBRACKET, RADIO RECEIVER, NO.2
main86212-12460i202108-202310
main86212-12480i202108-202310
86457BRACKET, MULTI-MEDIA MODULE NO.1
main86457-12010i202108-202310
86457ABRACKET, MULTI-MEDIA MODULE NO.2
main86457-12020i202108-202310
86730AMICROPHONE ASSY, TELEPHONE
main86730-16010×2i202310
main86730-45030i202108-202310
86841COMPUTER, NAVIGATION
main86840-K0034i202108-202109
main86840-K0035i202109-202203
main86840-K0036i202204-202210
main86840-K0037i202211-202303
main86840-K0038i202304-202310
main86840-K0044i202108-202109
main86840-K0045i202109-202203
main86840-K0046i202204-202210
main86840-K0047i202211-202303
main86840-K0048i202304-202310
86842WIRE, NAVIGATION, NO.1
main86842-12040i202108-202310
86860ANTENNA ASSY, NAVIGATION
main86880-52030i202310
main86880-78010i202108-202310
86862BRACKET, NAVIGATION ANTENNA
main86862-42010i202310
9015350015
9167380616
9356855014

17 parts on this diagram · 2 diagrams in section

NAVIGATION & FRONT MONITOR DISPLAY — Toyota Parts Diagram with OEM Numbers & Prices | EPC Data