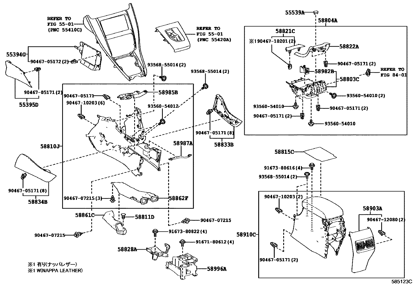
CONSOLE BOX & BRACKET

5501INSTRUMENT PANEL & GLOVE COMPARTMENT
55394GCOVER, INSTRUMENT PANEL BRACE, INNER NO.1 RH
BLACK,TRIM0#,1#,2#,4#; BLACK,TRIM0#,2#,4#; BLACK,TRIM2#,4#
55395DCOVER, INSTRUMENT PANEL BRACE, INNER NO.1 LH
main55395-48010-C0iASU6#..ELEGC,PREM; ASU6#..PROGR; AVU65,ZSU6#..ELEGC,PREM; AVU65,ZSU6#..PROGR201705
BLACK,TRIM2#; BLACK,TRIM2#,4#; BLACK,TRIM2#,4#,8#; BLACK,TRIM2#,8#
55539ACOVER, SPARE SWITCH HOLE
58803CBOX SUB-ASSY, CONSOLE CUP HOLDER
58804APANEL SUB-ASSY, CONSOLE, UPPER
BLACK,TRIM0#,1#,2#,4#; BLACK,TRIM0#,2#,4#; BLACK,TRIM2#,4#
main58804-48620-C0iASU6#..ELEGC,PREM; ASU6#..PROGR; AVU65,ZSU6#..ELEGC,PREM; AVU65,ZSU6#..PROGR201909
BLACK,TRIM2#; BLACK,TRIM2#,4#; BLACK,TRIM2#,4#,8#; BLACK,TRIM2#,8#
main58804-48430-C2supersedes 58804-48620-C0iASU6#..PREM; ASU6#..PROGR; AVU65,ZSU6#..PREM; AVU65,ZSU6#..PROGR201705-201908
58810JBOX ASSY, CONSOLE
BLACK,TRIM0#,1#,2#,4#; BLACK,TRIM0#,2#,4#; BLACK,TRIM2#,4#
58811DCLIP(FOR CONSOLE BOX)
BLACK
BLACK
58815CCARPET, CONSOLE BOX
58821CPANEL, CONSOLE, UPPER
58822APANEL, CONSOLE, UPPER REAR
BLACK,TRIM0#,1#,2#,4#; BLACK,TRIM0#,2#,4#; BLACK,TRIM2#,4#
main58822-48150-C0iASU6#..ELEGC,PREM; ASU6#..PROGR; AVU65,ZSU6#..ELEGC,PREM; AVU65,ZSU6#..PROGR201909
BLACK,TRIM2#; BLACK,TRIM2#,4#; BLACK,TRIM2#,4#,8#; BLACK,TRIM2#,8#
58828ABRACKET, CONSOLE BOX, LOWER
58833BGARNISH, CONSOLE UPPER PANEL, NO.1
IVORY,TRIM0#
WARM GRAY,TRIM1#
BLACK,TRIM2#
BLACK/RED,TRIM2#
BLACK/BLUE,TRIM8#
DEEP BORDEAUX,TRIM43
DK.SADDLE TAN,TRIM45
STEEL MAUVE,TRIM44
BLACK,TRIM2#
BLACK/RED,TRIM2#
BLACK/BLUE,TRIM8#
DEEP BORDEAUX,TRIM43
DK.SADDLE TAN,TRIM45
58834BGARNISH, CONSOLE UPPER PANEL, NO.2
IVORY,TRIM0#
WARM GRAY,TRIM1#
BLACK,TRIM2#
BLACK/RED,TRIM2#
BLACK/BLUE,TRIM8#
DEEP BORDEAUX,TRIM4#
DK.SADDLE TAN,TRIM45
STEEL MAUVE,TRIM44
BLACK,TRIM2#
BLACK/RED,TRIM2#
BLACK/BLUE,TRIM8#
DEEP BORDEAUX,TRIM43
DK.SADDLE TAN,TRIM45
58861CDUCT, CONSOLE BOX, NO.1
58862FDUCT, CONSOLE BOX, NO.2
58903APANEL SUB-ASSY, CONSOLE REAR END
BLACK,TRIM0#,1#,2#,4#; BLACK,TRIM0#,2#,4#; BLACK,TRIM2#,4#
main58903-48130-C3iASU6#..ELEGC,PREM; ASU6#..PROGR; AVU65,ZSU6#..ELEGC,PREM; AVU65,ZSU6#..PROGR; ZSU6#..ELEGC201811-201908
main58903-48280-C0iASU6#..ELEGC,PREM; ASU6#..PROGR; AVU65,ZSU6#..ELEGC,PREM; AVU65,ZSU6#..PROGR; ZSU6#..ELEGC201909-202005
58910CBOX ASSY, CONSOLE, REAR
BLACK/RED,TRIM2#
BLACK/RED,TRIM2#
BLACK/BLUE,TRIM8#
BLACK/LT.BROWN,TRIM0#
BLACK/RED,TRIM2#
58982BRETAINER, CONSOLE BOX, NO.3
58985BRETAINER, CONSOLE BOX, NO.1
58987ARETAINER, CONSOLE BOX, NO.2
58996ABRACKET, CONSOLE BOX MOUNTING, NO.2
8401SWITCH & RELAY & COMPUTER
9046705171
main90467-05171
9046705172
main90467-05172
9046707215
main90467-07215
9046710201
main90467-10201
9046710203
main90467-10203
9046712080
main90467-12080
9167180612
main91671-80612
9167380616
main91673-80616
9167380822
main91673-80822
9356054010
main93560-54010
9356054012
main93560-54012
9356855014
main93568-55014
35 parts on this diagram · 3 diagrams in section