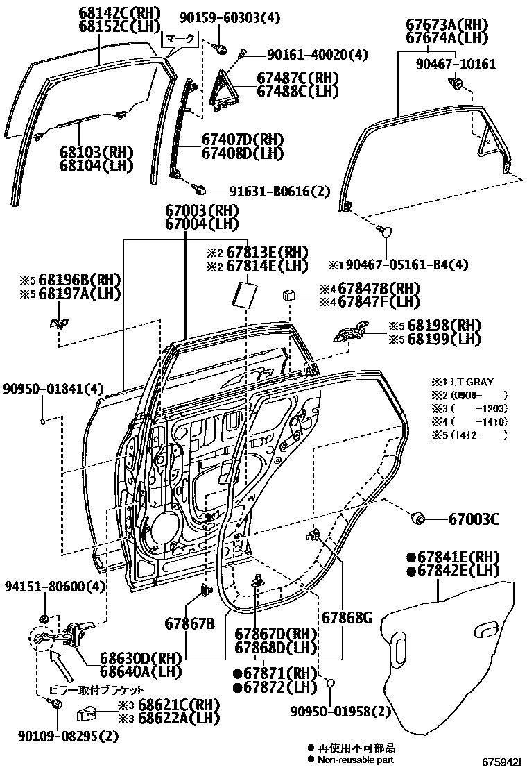
REAR DOOR PANEL & GLASS

67003PANEL SUB-ASSY, REAR DOOR, RH
67003CCUSHION, REAR DOOR PANEL
67004PANEL SUB-ASSY, REAR DOOR, LH
67407DGUIDE SUB-ASSY, REAR DOOR WINDOW, REAR RH
67408DGUIDE SUB-ASSY, REAR DOOR WINDOW, REAR LH
67487CSEAL, REAR DOOR REAR GUIDE, RH
67488CSEAL, REAR DOOR REAR GUIDE, LH
67673AGARNISH, REAR DOOR FRAME, RH
67674AGARNISH, REAR DOOR FRAME, LH
67813ESHEET, QUARTER PANEL SILENCER, RH
67814ESHEET, QUARTER PANEL SILENCER, LH
67841ECOVER, REAR DOOR SERVICE HOLE, RH
67842ECOVER, REAR DOOR SERVICE HOLE, LH
67847BSEAL, REAR DOOR VENT, RH NO.1
67847FSEAL, REAR DOOR VENT, LH
67867BCLIP, DOOR WEATHERSTRIP(FOR REAR DOOR)
67867DRETAINER, REAR DOOR WEATHERSTRIP, RH
67868DRETAINER, REAR DOOR WEATHERSTRIP, LH
67868GRETAINER, DOOR WEATHERSTRIP
67871WEATHERSTRIP, REAR DOOR, RH
67872WEATHERSTRIP, REAR DOOR, LH
68103GLASS SUB-ASSY, REAR DOOR, RH
68104GLASS SUB-ASSY, REAR DOOR, LH
68142CRUN, REAR DOOR GLASS, RH
68152CRUN, REAR DOOR GLASS, LH
68196BSEAL, REAR DOOR BELT, FRONT RH
68197ASEAL, REAR DOOR BELT, FRONT LH
68198SEAL, REAR DOOR BELT, REAR RH
68199SEAL, REAR DOOR BELT, REAR LH
68621CCOVER, REAR DOOR CHECK, RH
68622ACOVER, REAR DOOR CHECK, LH
68630DCHECK ASSY, REAR DOOR, RH
68640ACHECK ASSY, REAR DOOR, LH
9010908295
main90109-08295
9015960303
main90159-60303
9016140020
main90161-40020
9046705161B4
main90467-05161B4
9046710161
main90467-10161
9095001841
main90950-01841
9095001958
main90950-01958
91631B0616
main91631-B0616
9415180600
main94151-80600
42 parts on this diagram · 2 diagrams in section