E
EPC Data

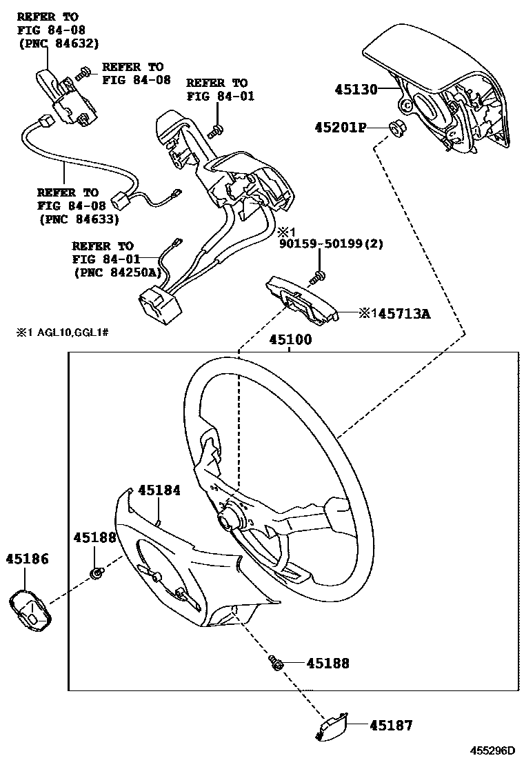
STEERING WHEEL

Parts diagram
45100WHEEL ASSY, STEERING
main45100-48370-C0i201008-201108
main45100-48370-C1i201108-201203
main45100-48390-C0i201008-201203
main45100-48390-C1i201008-201203
main45100-48390-E1supersedes 45100-48370-E1i201008-201203
main45100-48440-C0i200812-201008
main45100-48460-C0i201203-201403
main45100-48460-E0i201203-201509
main45100-48470-C1i201203-201308
main45100-48470-C6i201308-201509
main45100-48470-C7i201308-201509
main45100-48470-E0i201203-201308
main45100-48470-E1i201308-201509
main45100-33810-C5i201203-201308
main45100-33810-C7i201203-201308
main45100-33810-E1i201203-201308
main45100-48450-C0i200910-201008
main45100-48450-C1i200903-201008
main45100-48450-E1supersedes 45100-48440-E0i200812-201008
main45100-48470-C8supersedes 45100-48460-C3i201403-201509
main45100-48480-C0i201203-201509
main45100-48480-C1i201210-201509
main45100-48490-C0i201203-201509
main45100-48490-C1i201210-201509
main45100-48520-C0i201308-201502
main45100-48520-C1i201308-201502
main45100-48520-C4i201308-201502
main45100-48520-E0i201308-201502
main45100-48520-E1i201308-201502
main45100-48521-C0i201503-201509
main45100-48521-C1i201503-201509
main45100-48521-C4i201503-201509
main45100-48521-E0i201503-201509
main45100-48521-E1i201503-201509
45130BUTTON ASSY, HORN
main45130-48230-C0i200812-201203
BLACK,TRIM1#,2#
main45130-48230-E0i200812-201203
DK. BROWN,TRIM0#
main45130-48260-C0i201203
BLACK,TRIM1#,2#,3#,4#
main45130-48260-E0i201203
DK. BROWN,TRIM0#
45184COVER, STEERING WHEEL BOSS, LOWER
main45184-48070-C0i200812-201203
BLACK,TRIM1#,2#
main45184-48070-E0i200812-201203
DK. BROWN,TRIM0#
main45184-48080-C0i201203
BLACK,TRIM1#,2#,3#,4#
main45184-48080-E0i201203
DK. BROWN,TRIM0#
main45184-30390-C0i201203
45186COVER, STEERING WHEEL, LOWER NO.2
main45186-30140-C0i201203
BLACK,TRIM1#,2#,3#,4#
main45186-30140-E0i201203
DK. BROWN,TRIM0#
main45186-48030-C0i200812-201203
BLACK,TRIM1#,2#
main45186-48030-E0i200812-201203
DK. BROWN,TRIM0#
45187COVER, STEERING WHEEL, LOWER NO.3
main45187-30090-C0i201203
BLACK,TRIM1#,2#,3#,4#
main45187-30090-E0i201203
DK. BROWN,TRIM0#
main45187-48030-C0i200812-201203
BLACK,TRIM1#,2#
main45187-48030-E0i200812-201203
DK. BROWN,TRIM0#
45188SCREW, STEERING WHEEL PAD ATTACHING
main45188-60010×2i200812-201203
45201PNUT, STEERING WHEEL SET
main90179-12071i201203
45713ADAMPER, STEERING SHAKE
main45713-48120i200812-201203
main45713-48130i201203
8401SWITCH & RELAY & COMPUTER
8408CRUISE CONTROL (AUTO DRIVE)
9015950199

11 parts on this diagram · 2 diagrams in section

STEERING WHEEL — Toyota Parts Diagram with OEM Numbers & Prices | EPC Data