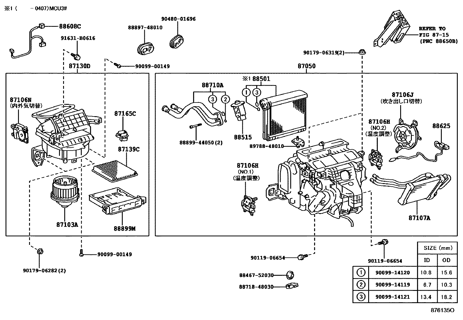
HEATING & AIR CONDITIONING - COOLER UNIT

87050RADIATOR ASSY, AIR CONDITIONER
87103AMOTOR SUB-ASSY, COOLING UNIT, W/FAN
87106HSERVO SUB-ASSY, DAMPER(FOR AIRMIX)
87106JSERVO SUB-ASSY, DAMPER(FOR MODE)
87106NSERVO SUB-ASSY, DAMPER(FOR RECIRCULATION)
87107AUNIT SUB-ASSY, HEATER RADIATOR
87130DBLOWER ASSY
87139CFILTER, CLEAN AIR
8715HEATING & AIR CONDITIONING - CONTROL & AIR DUCT
87165CCONTROL, BLOWER MOTOR
88501EVAPORATOR SUB-ASSY, COOLER, NO.1
88515VALVE, COOLER EXPANSION
88608CHARNESS SUB-ASSY, WIRING AIR INDICATOR, NO.2
88710ATUBE ASSY, AIR CONDITIONER
88899MPLATE, COVER(FOR AIR FILTER)
8846752030CUSHION, COOLER CONDENSER, NO.1
main88467-52030
8871848030PIPE, COOLER REFRIGERANT SUCTION, NO.2
main88718-48030
8889748010VALVE, COOLER MAGNET
main88897-48010
8889944050COVER, EVAPORATOR
main88899-44050
8978848010BRACKET, TRANSPONDER KEY
main89788-48010
9009900149
main90099-00149
9009914119
main90099-14119
9009914120
main90099-14120
9009914121
main90099-14121
9011906654
main90119-06654
9017906282
main90179-06282
9017906319
main90179-06319
9048001696
main90480-01696
91631B0616
main91631-B0616
30 parts on this diagram · 2 diagrams in section