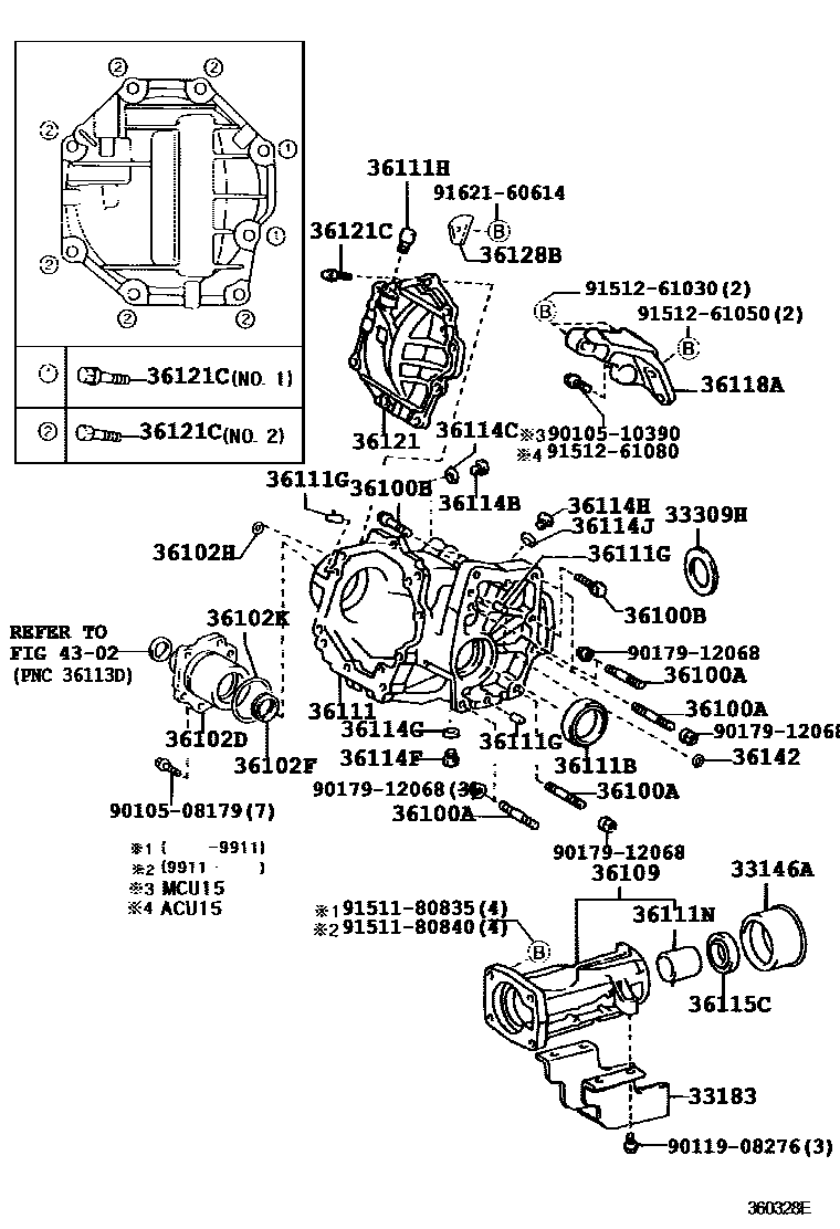
TRANSFER CASE & EXTENSION HOUSING

33146ADEFLECTOR, TRANSFER EXTENSION HOUSING DUST
33183DAMPER, TRANSFER DYNAMIC
33309HWASHER, TRANSFER OUTPUT SHAFT
36100ABOLT, STUD (FOR TRANSFER & TRANSAXLE SETTING)
36100BBOLT (FOR TRANSFER & TRANSAXLE SETTING)
36102DRETAINER SUB-ASSY, TRANSFER RH BEARING
36102FSEAL, OIL, NO.2 (FOR TRANSFER RH BEARING RETAINER)
36102HRING, O (FOR TRANSFER RH BEARING RETAINER)
36102KRING, O
36109HOUSING SUB-ASSY, TRANSFER EXTENSION
36111CASE, TRANSFER
36111BSEAL, OIL (FOR TRANSFER CASE)
36111GPIN, STRAIGHT (FOR TRANSFER CASE)
36111HPLUG, BREATHER (FOR TRANSFER CASE)
36111NBUSH (FOR TRANSFER CASE)
36114BPLUG, NO.1 (FOR TRANSFER CASE)
36114CGASKET, NO.1 (FOR TRANSFER CASE)
36114FPLUG (FOR TRANSFER DRAIN)
36114GGASKET (FOR TRANSFER DRAIN PLUG)
36114HPLUG, NO.2 (FOR TRANSFER CASE)
36114JGASKET, NO.2 (FOR TRANSFER CASE)
36115CSEAL, TYPE T OIL (FOR TRANSFER EXTENSION HOUSING)
36118APLATE, TRANSFER STIFFENER, RH
36121COVER, TRANSFER CASE, NO.1
36121CBOLT, WASHER BASED HEAD HEXAGON (FOR TRANSFER CASE COVER)
36128BDEFLECTOR, BREATHER OIL
36142GASKET, TRANSFER COVER
4302FRONT DRIVE SHAFT
9010508179
main90105-08179
9010510390
main90105-10390
9011908276
main90119-08276
9017912068
main90179-12068
9151180835
main91511-80835
9151180840
main91511-80840
9151261030
main91512-61030
9151261050
main91512-61050
9151261080
main91512-61080
9162160614
main91621-60614
38 parts on this diagram · 2 diagrams in section