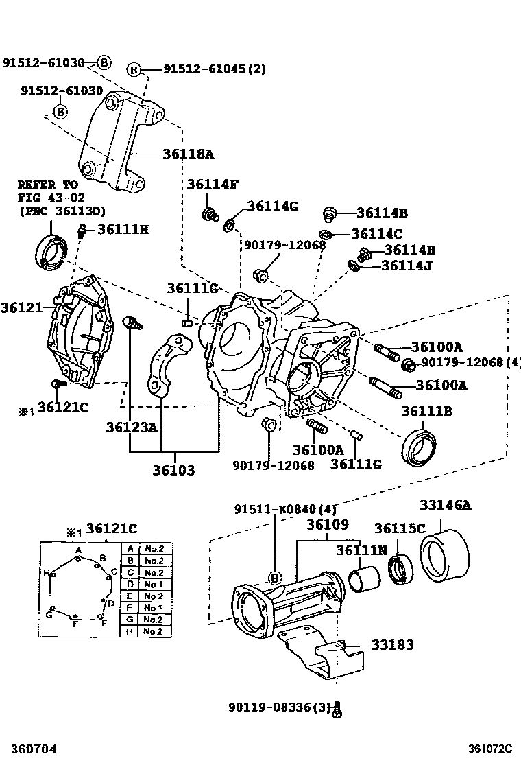
TRANSFER CASE & EXTENSION HOUSING

33146ADEFLECTOR, TRANSFER EXTENSION HOUSING DUST
36100ABOLT, STUD (FOR TRANSFER & TRANSAXLE SETTING)
36109HOUSING SUB-ASSY, TRANSFER EXTENSION
36111BSEAL, OIL (FOR TRANSFER CASE)
36111GPIN, STRAIGHT (FOR TRANSFER CASE)
36111HPLUG, BREATHER (FOR TRANSFER CASE)
36111NBUSH (FOR TRANSFER CASE)
36114BPLUG, NO.1 (FOR TRANSFER CASE)
36114CGASKET, NO.1 (FOR TRANSFER CASE)
36114FPLUG (FOR TRANSFER DRAIN)
36114GGASKET (FOR TRANSFER DRAIN PLUG)
36114HPLUG, NO.2 (FOR TRANSFER CASE)
36114JGASKET, NO.2 (FOR TRANSFER CASE)
36115CSEAL, TYPE T OIL (FOR TRANSFER EXTENSION HOUSING)
36121COVER, TRANSFER CASE, NO.1
36121CBOLT, WASHER BASED HEAD HEXAGON (FOR TRANSFER CASE COVER)
36123ABOLT, DIFFERENTIAL BEARING CAP
4302FRONT DRIVE SHAFT
9011908336
main90119-08336
9017912068
main90179-12068
91511K0840
main91511-K0840
9151261030
main91512-61030
9151261045
main91512-61045
26 parts on this diagram · 3 diagrams in section