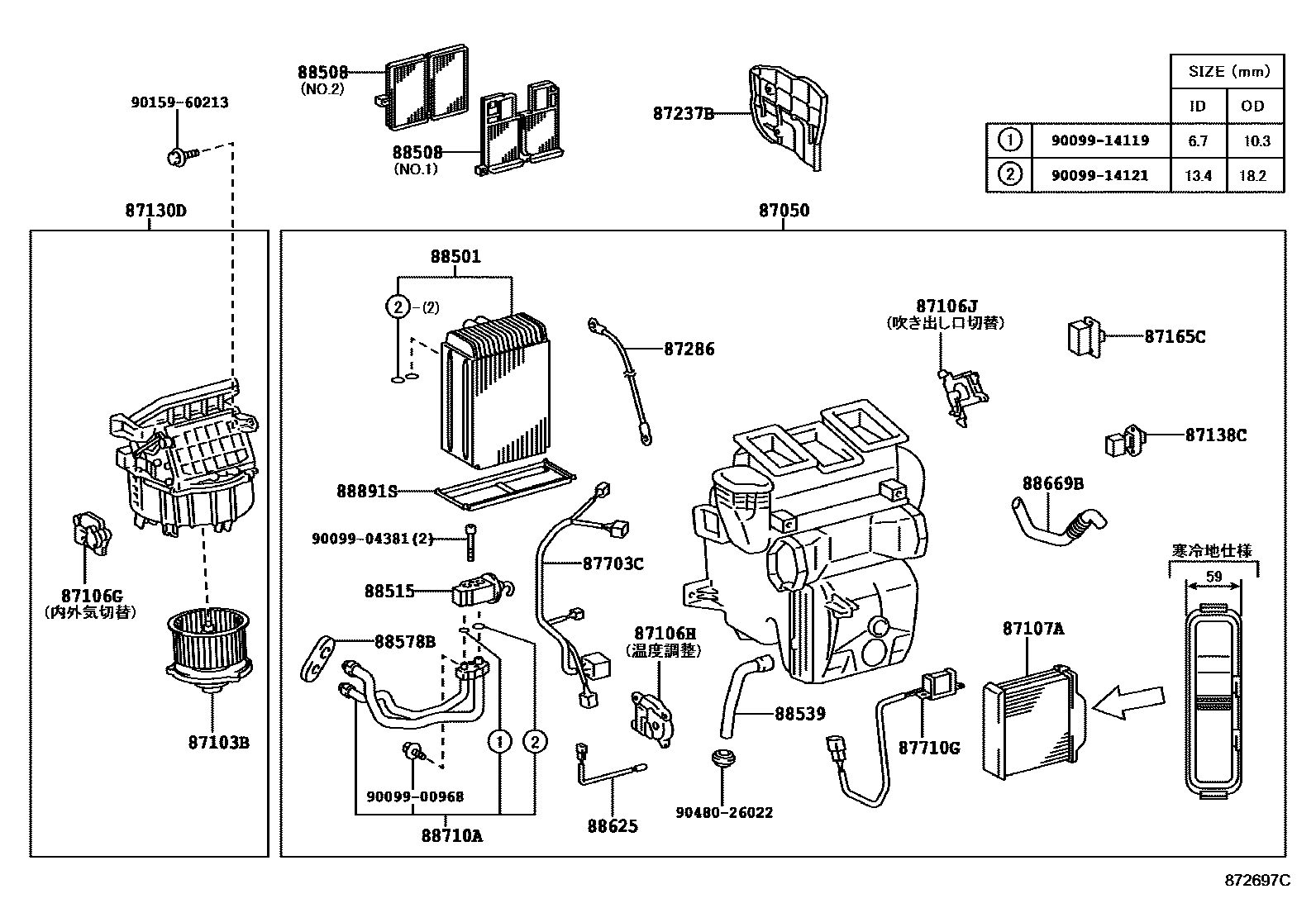
HEATING & AIR CONDITIONING - COOLER UNIT

87050RADIATOR ASSY, AIR CONDITIONER
87103BMOTOR SUB-ASSY, BLOWER W/FAN
87106GSERVO SUB-ASSY, DAMPER(FOR BLOWER)
87106HSERVO SUB-ASSY, DAMPER(FOR AIRMIX)
87106JSERVO SUB-ASSY, DAMPER(FOR MODE)
87107AUNIT SUB-ASSY, HEATER RADIATOR
87138CRESISTOR, BLOWER
87165CCONTROL, BLOWER MOTOR
87237BCOVER, HEATER PIPING
MD.MOON MIST,TRIM1#
DK.CHARCOAL,TRIM0#
DK.GRAY,TRIM1#
SANDAL WOOD,TRIM0#
87286CABLE, CONTROL
87703CHARNESS SUB-ASSY, QUICK HEATER
87710GQUICK HEATER ASSY
88501EVAPORATOR SUB-ASSY, COOLER, NO.1
88508FILTER SUB-ASSY, CLEAN AIR
88515VALVE, COOLER EXPANSION
88539HOSE, COOLER UNIT DRAIN, NO.1
88578BPACKING, COOLING UNIT, NO.1
88625THERMISTOR, COOLER, NO.1
88669BHOSE, COOLER AIR
88710ATUBE ASSY, AIR CONDITIONER
88891SCOVER, COOLER, NO.1
9009900968
main90099-00968
9009904381
main90099-04381
9009914119
main90099-14119
9009914121
main90099-14121
9015960213
main90159-60213
9048026022
main90480-26022
28 parts on this diagram · 4 diagrams in section