REAR SPRING & SHOCK ABSORBER

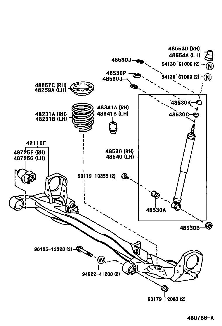
48257CINSULATOR, REAR COIL SPRING, UPPER RH
48259AINSULATOR, REAR COIL SPRING, UPPER LH
48341ABUMPER, REAR SPRING, NO.1 RH
48341BBUMPER, REAR SPRING, NO.1 LH
48530ABSORBER ASSY, SHOCK, REAR RH
48530ABUSH(FOR REAR SHOCK ABSORBER)
48530BWASHER, REAR SHOCK ABSORBER CUSHION, NO.1
48530GCUSHION, REAR SHOCK ABSORBER, NO.1
48530JRETAINER, CUSHION, NO.1(FOR REAR SHOCK ABSORBER)
48530KCUSHION, REAR SHOCK ABSORBER, NO.2
48530PRETAINER, CUSHION, NO.2(FOR REAR SHOCK ABSORBER)
48540ABSORBER ASSY, SHOCK, REAR LH
48553DCAP, REAR SHOCK ABSORBER, RH
48554ACAP, REAR SHOCK ABSORBER, LH
48725FBUSH, REAR AXLE CARRIER, RH
48725GBUSH, REAR AXLE CARRIER, LH
9010512320
main90105-12320
9011910355
main90119-10355
9017912083
main90179-12083
9413061000
main94130-61000
9462241200
main94622-41200
24 parts on this diagram · 1 diagram in section