E
EPC Data

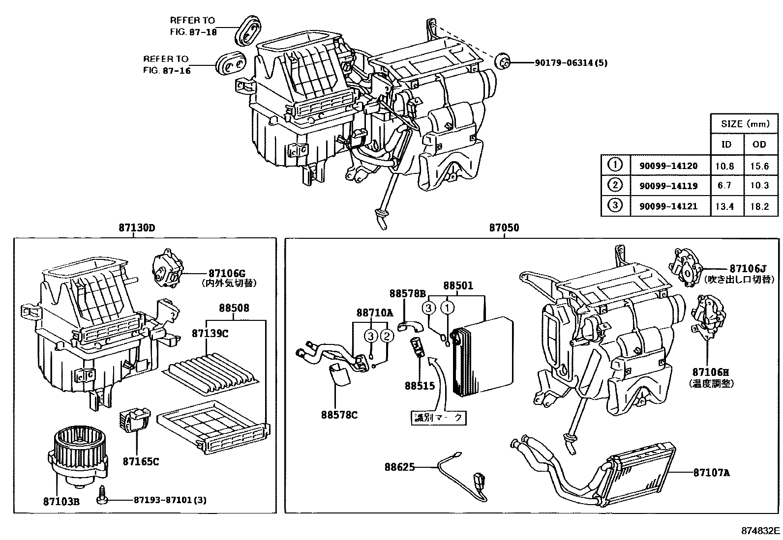
HEATING & AIR CONDITIONING - COOLER UNIT

Parts diagram
87050RADIATOR ASSY, AIR CONDITIONER
main87050-44230i200105-200310
main87050-44250i200105-200310
main87050-44460i200310-200706
main87050-44470i200310-200706
87103BMOTOR SUB-ASSY, BLOWER W/FAN
main87103-44030i200105-200310
main87103-44040i200310-200706
87106GSERVO SUB-ASSY, DAMPER(FOR BLOWER)
main87106-44040i200105-200310
main87106-44050i200105-200310
87106HSERVO SUB-ASSY, DAMPER(FOR AIRMIX)
main87106-44030i200310-200706
87106JSERVO SUB-ASSY, DAMPER(FOR MODE)
main87106-44020i200105-200310
87107AUNIT SUB-ASSY, HEATER RADIATOR
main87107-28290i200202-200310
main87107-44100i200105-200202
main87107-44110i200105-200310
87130DBLOWER ASSY
main87130-44060i200105-200310
main87130-44070i200310-200706
87139CFILTER, CLEAN AIR
main87139-28010i200310
main87139-47020i200105-200912
8716
87165CCONTROL, BLOWER MOTOR
main87165-32010i200105-200310
main87165-47010i200310-200706
8718
88501EVAPORATOR SUB-ASSY, COOLER, NO.1
main88501-28310i200105-200310
88508FILTER SUB-ASSY, CLEAN AIR
main88508-20120i200105-200310
88515VALVE, COOLER EXPANSION
main88515-28160i200108-200310
main88515-28180i200310
main88515-44020i200105-200108
88578BPACKING, COOLING UNIT, NO.1
main88578-12520i200105-200310
88578CPACKING, COOLING UNIT, NO.2
main88578-44090i200310
88625THERMISTOR, COOLER, NO.1
main88625-48030i200310-200706
main88625-52020i200105-200310
88710ATUBE ASSY, AIR CONDITIONER
main88710-44450i200105-200310
8719387101
9009914119
9009914120
9009914121
9017906314

23 parts on this diagram · 6 diagrams in section

HEATING & AIR CONDITIONING - COOLER UNIT — Toyota Parts Diagram with OEM Numbers & Prices | EPC Data