E
EPC Data

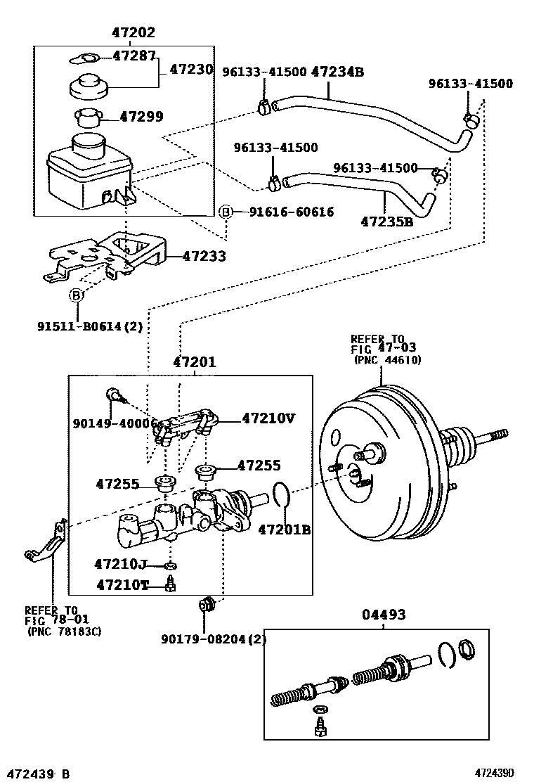
BRAKE MASTER CYLINDER

Parts diagram
04493CYLINDER KIT, BRAKE MASTER
main04493-28150i200310
main04493-44020i200310
4703
47201CYLINDER SUB-ASSY, BRAKE MASTER
main47201-28581i200105-200310
main47201-44130i200310-200706
47201BRING, O(FOR BRAKE MASTER CYLINDER)
main90029-20059i200105-200310
47202RESERVOIR SUB-ASSY, BRAKE MASTER CYLINDER
main47220-44050i200105-200310
main47220-44090i200105-200310
main47220-44100i200310-200706
47210JGASKET(FOR MASTER CYLINDER)
main90029-43001i200112-200310
main90430-06104i200105-200112
47210TBOLT(FOR BRAKE MASTER CYLINDER)
main90109-06077i200105-200310
47210VUNION(FOR BRAKE MASTER CYLINDER)
main90029-40402i200105-200310
47230CAP ASSY, BRAKE MASTER CYLINDER RESERVOIR FILLER
main47230-20140i200310-200706
47233BRACKET, RESERVOIR
main47233-44060i200310-200706
47234BTUBE, RESERVOIR, NO.1
main47234-44060i200105-200310
main47234-44080i200105-200310
47235BTUBE, BRAKE MASTER CYRINDER RESERVOIR, NO.2
main47235-44060i200105-200310
main47235-44080i200105-200310
47255GROMMET, MASTER CYLINDER RESERVOIR
main47255-16010×2i200105-200310
47287LABEL, BRAKE FLUID INFORMATION
main47287-20010i200105-200310
47299STRAINER, BRAKE MASTER CYLINDER RESERVOIR
main47299-20060i200105-200310
7801
9014940006
9017908204
91511B0614
9161660616
9613341500

21 parts on this diagram · 2 diagrams in section

BRAKE MASTER CYLINDER — Toyota Parts Diagram with OEM Numbers & Prices | EPC Data