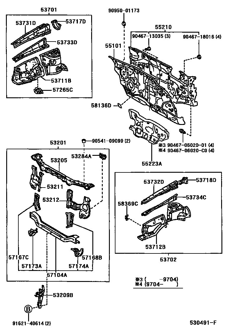
FRONT FENDER APRON & DASH PANEL

53201SUPPORT SUB-ASSY, RADIATOR
53205SUPPORT SUB-ASSY, RADIATOR, UPPER
53209BBRACE SUB-ASSY, HOOD LOCK SUPPORT
53284ARETAINER, FRONT BODY MOUNTING
53701APRON SUB-ASSY, FRONT FENDER, RH
53702APRON SUB-ASSY, FRONT FENDER, LH
53711BAPRON, FRONT FENDER, FRONT RH
53712BAPRON, FRONT FENDER, FRONT LH
53717DGUSSET, FENDER APRON, RH
53718DGUSSET, FENDER APRON, LH
53731DMEMBER, FRONT APRON TO COWL SIDE, UPPER RH
53732DMEMBER, FRONT APRON TO COWL SIDE, UPPER LH
53733DMEMBER, FRONT APRON TO COWL SIDE, LOWER FRONT RH
53734CMEMBER, FRONT APRON TO COWL SIDE, LOWER FRONT LH
55210INSULATOR ASSY, DASH PANEL
57104AMEMBER SUB-ASSY, FRONT CROSS
57167CGUSSET, FRONT CROSSMEMBER SIDE, RH
57168BGUSSET, FRONT CROSSMEMBER SIDE, LH
57173AREINFORCEMENT, FRONT CROSSMEMBER, NO.3 RH
57174AREINFORCEMENT, FRONT CROSSMEMBER, NO.3 LH
57265CBRACKET, ENGINE MOUNTING, RH
58136DCOVER, DASH PANEL SERVICE HOLE
58369CBRACKET, FUEL TUBE, NO.3
904670602001
main90467-0602001
9046706020C0
main90467-06020C0
9046713035
main90467-13035
9046718016
main90467-18016
9054109099
main90541-09099
9095001173
main90950-01173
9162140614
main91621-40614
34 parts on this diagram · 1 diagram in section