E
EPC Data

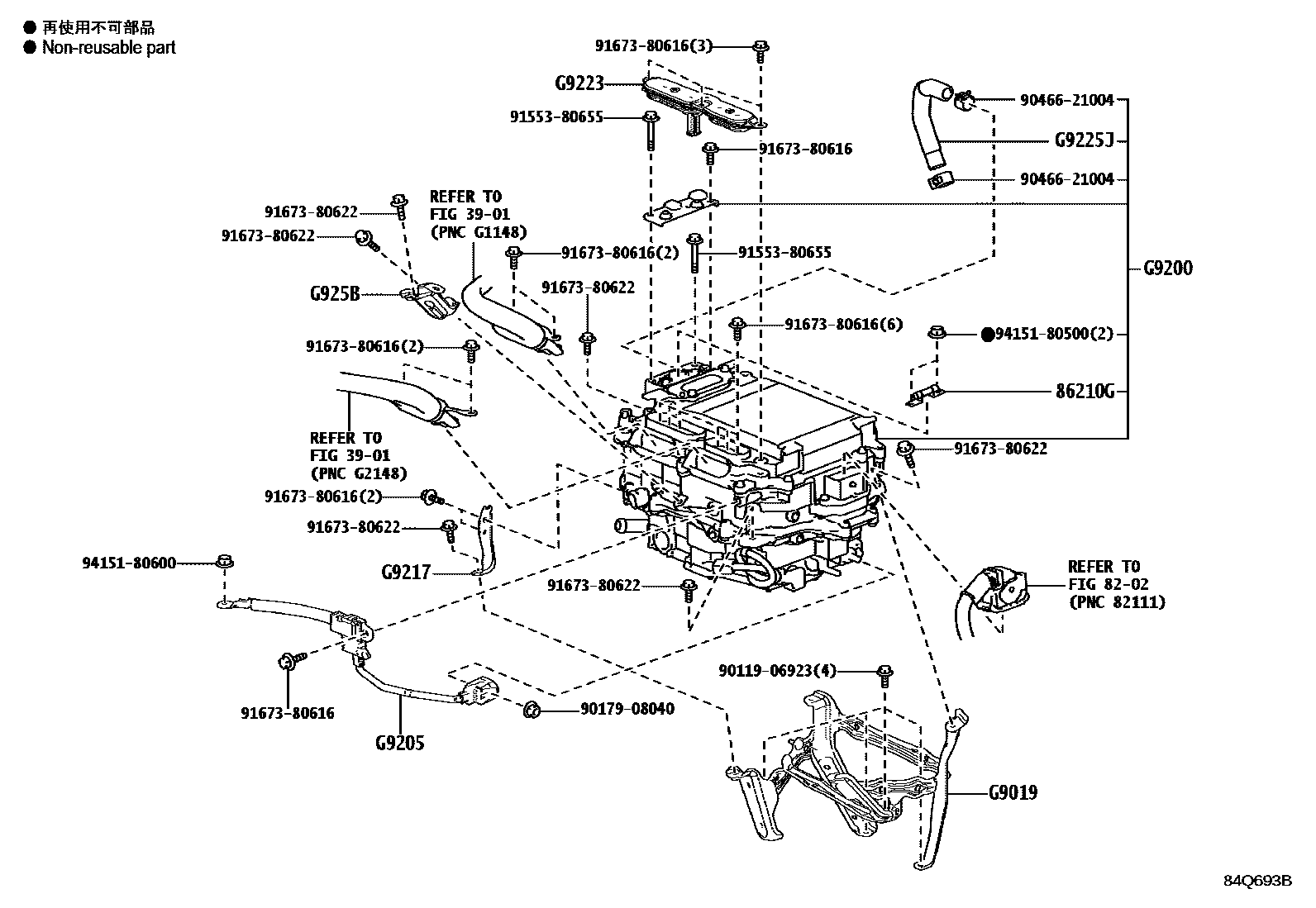
HEV INVERTER

Parts diagram
3901TRANSAXLE ASSY(HEV OR BEV OR FCEV)
8202WIRING & CLAMP
86210GFUSE, HIGH VOLTAGE
main90982-11050i202305
G9019BRACKET SUB-ASSY, INVERTER TRAY
mainG901911030i202305
G9200INVERTER ASSY, W/CONVERTER
mainG92A050022i202305
G9205PLATE SUB-ASSY, INVERTER BUS-BAR
mainG920511020i202305
G9217BRACKET, INVERTER, NO.4
mainG921730030i202305
G9223COVER, INVERTER TERMINAL
mainG922311020i202305
G9225JHOSE, INVERTER COOLING, NO.1
mainG922530210i202305
G925BBRACKET, INVERTER, NO.6
mainG925B11010i202305
9011906923
9017908040
9046621004
9155380655
9167380616
9167380622
9415180500
9415180600

18 parts on this diagram · 1 diagram in section

HEV INVERTER — Toyota Parts Diagram with OEM Numbers & Prices | EPC Data