E
EPC Data

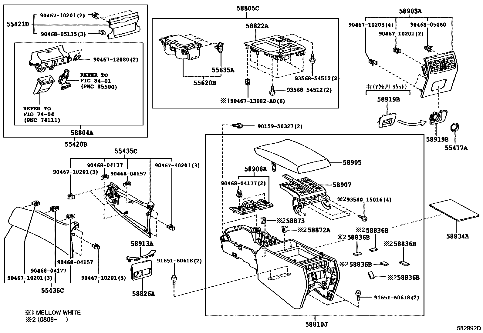
CONSOLE BOX & BRACKET

Parts diagram
55420BPANEL ASSY, INSTRUMENT CLUSTER FINISH, CENTER NO.1
main55410-50490-B0i200809-200911
GRAY,TRIM06,08,10,12,21
main55410-50490-B0i200704-200809
GRAY,TRIM06,08,10,21
main55410-50490-E0i200704-200809
DK.BROWN,TRIM01,05
main55410-50490-E0i200809-200911
DK.BROWN,TRIM01,05,13
main55410-50490-E1i200704-200911
BROWN,TRIM00,07,11,20
main55410-50500-B0i200809-200911
main55410-50500-B0i200704-200809
MD.GRAY,TRIM06,08,10,21
main55410-50500-B0i200704-200809
main55410-50500-B0i200809-200911
MD.GRAY,TRIM06,08,10,12,21
main55410-50500-E0i200809-200911
DK.BROWN,TRIM01,05,13
main55410-50500-E0i200704-200809
DK.BROWN,TRIM01,05
main55410-50500-E0i200704-200809
main55410-50500-E0i200809-200911
main55410-50500-E1i200704-200911
BROWN,TRIM00,07,11,20
main55410-50500-E1i200809-200911
main55410-50500-E1i200704-200809
55421DPANEL, INSTRUMENT CLUSTER FINISH, UPPER
main55422-50080-B0i200704-200809
GRAY,TRIM06,08,10,21
main55422-50080-B0i200809-200911
GRAY,TRIM06,08,10,12,21
main55422-50080-E0i200704-200809
DK.BROWN,TRIM01,05
main55422-50080-E0i200809-200911
DK.BROWN,TRIM01,05,13
main55422-50080-E1i200704-200911
BROWN,TRIM00,07,11,20
main55422-50090-B0i200809-200911
MD.GRAY,TRIM06,08,10,12,21
main55422-50090-B0i200704-200809
MD.GRAY,TRIM06,08,10,21
main55422-50090-B0i200809-200911
main55422-50090-B0i200704-200809
main55422-50090-E0i200704-200809
main55422-50090-E0i200704-200809
DK.BROWN,TRIM01,05
main55422-50090-E0i200809-200911
DK.BROWN,TRIM01,05,13
main55422-50090-E0i200809-200911
main55422-50090-E1i200704-200809
main55422-50090-E1i200704-200911
BROWN,TRIM00,07,11,20
main55422-50090-E1i200809-200911
main55422-50130-B0i200911-201209
main55422-50130-B0i200911-201209
GRAY,TRIM08,10,15,21
main55422-50130-B0i200911-201209
main55422-50130-E0i200911-201209
main55422-50130-E0i200911-201209
BROWN,TRIM01,02,11,20
main55422-50130-E0i200911-201209
55435CPANEL, INSTRUMENT PANEL FINISH, END RH
main55435-50050-A2i200809-200911
main55435-50050-A2i200704-200911
IVORY,TRIM00,06
main55435-50050-A3i200704-200911
MELLOW WHITE,TRIM01,05,07,08
main55435-50050-A3i200809-200911
main55435-50050-B1i200809-200911
LT.GRAY,TRIM1#
main55435-50050-B1i200809-200911
main55435-50050-B1i200704-200809
LT.GRAY,TRIM10,11
main55435-50050-C1i200809-200911
BLACK,TRIM2#
main55435-50050-C1i200704-200809
BLACK,TRIM20,21
main55435-50050-C1i200809-200911
main55435-50060-A2i200704-200911
NEW IVORY,TRIM00,06
main55435-50060-A2i200704-200809
main55435-50060-A2i200809-200911
main55435-50060-A3i200809-200911
main55435-50060-A3i200704-200911
MELLOW WHITE,TRIM01,05,07,08
main55435-50060-A3i200704-200809
main55435-50060-B1i200704-200809
main55435-50060-B1i200704-200809
LT.GRAY,TRIM10,11
main55435-50060-B1i200809-200911
LT.GRAY,TRIM1#
main55435-50060-B1i200809-200911
main55435-50060-C1i200809-200911
BLACK,TRIM2#
main55435-50060-C1i200809-200911
main55435-50060-C1i200704-200809
main55435-50060-C1i200704-200809
BLACK,TRIM20,21
main55435-50090-A1i200911-201209
MELLOW WHITE,TRIM01,05,07,08
main55435-50090-A1i200911-201209
main55435-50090-A1i200911-201209
main55435-50090-A3i200911-201209
IVORY,TRIM02,03
main55435-50090-A3i200911-201209
main55435-50090-A3i200911-201209
main55435-50090-A7i200911-201209
WATER WHITE,TRIM14,15
main55435-50090-A7i200911-201209
main55435-50090-A7i200911-201209
main55435-50090-B1i200911-201209
LT.GRAY,TRIM10,11
main55435-50090-B1i200911-201209
main55435-50090-C2i200911-201209
main55435-50090-C2i200911-201209
BLACK,TRIM2#
main55435-50090-C2i200911-201209
main55435-50100-05i200911-201209
WATER WHITE,TRIM1#
main55435-50100-05i200911-201209
main55435-50100-05i200911-201209
main55435-50100-05i200911-201209
main55435-50100-05i200911-201209
main55435-50100-A1i200911-201209
MELLOW WHITE,TRIM01,05,07,08
main55435-50100-A1i200911-201209
main55435-50100-A1i200911-201209
main55435-50100-A1i200911-201209
main55435-50100-A1i200911-201209
main55435-50100-A3i200911-201209
IVORY,TRIM02,03
main55435-50100-A3i200911-201209
main55435-50100-A3i200911-201209
main55435-50100-A3i200911-201209
main55435-50100-A3i200911-201209
main55435-50100-C1i200911-201209
main55435-50100-C1i200911-201209
main55435-50100-C1i200911-201209
main55435-50100-C1i200911-201209
main55435-50100-C1i200911-201209
BLACK,TRIM2#
55436CPANEL, INSTRUMENT PANEL FINISH, END LH
main55436-50010-A2i200704-200911
IVORY,TRIM00,06
main55436-50010-A2i200809-200911
main55436-50010-A3i200809-200911
main55436-50010-A3i200704-200911
MELLOW WHITE,TRIM01,05,07,08
main55436-50010-B1i200809-200911
main55436-50010-B1i200704-200809
LT.GRAY,TRIM10,11
main55436-50010-B1i200809-200911
LT.GRAY,TRIM1#
main55436-50010-C1i200809-200911
main55436-50010-C1i200704-200809
BLACK,TRIM20,21
main55436-50010-C1i200809-200911
BLACK,TRIM2#
main55436-50020-A2i200704-200809
main55436-50020-A2i200809-200911
main55436-50020-A2i200704-200911
NEW IVORY,TRIM00,06
main55436-50020-A3i200704-200911
MELLOW WHITE,TRIM01,05,07,08
main55436-50020-A3i200704-200809
main55436-50020-A3i200809-200911
main55436-50020-B1i200704-200809
main55436-50020-B1i200704-200809
LT.GRAY,TRIM10,11
main55436-50020-B1i200809-200911
LT.GRAY,TRIM1#
main55436-50020-B1i200809-200911
main55436-50020-C1i200809-200911
BLACK,TRIM2#
main55436-50020-C1i200809-200911
main55436-50020-C1i200704-200809
BLACK,TRIM20,21
main55436-50020-C1i200704-200809
main55436-50050-A1i200911-201209
main55436-50050-A1i200911-201209
MELLOW WHITE,TRIM01,05,07,08
main55436-50050-A1i200911-201209
main55436-50050-A3i200911-201209
IVORY,TRIM02,03
main55436-50050-A3i200911-201209
main55436-50050-A3i200911-201209
main55436-50050-A7i200911-201209
WATER WHITE,TRIM14,15
main55436-50050-A7i200911-201209
main55436-50050-A7i200911-201209
main55436-50050-B1i200911-201209
LT.GRAY,TRIM10,11
main55436-50050-B1i200911-201209
main55436-50050-C2i200911-201209
main55436-50050-C2i200911-201209
BLACK,TRIM2#
main55436-50050-C2i200911-201209
main55436-50060-05i200911-201209
WATER WHITE,TRIM1#
main55436-50060-05i200911-201209
main55436-50060-05i200911-201209
main55436-50060-05i200911-201209
main55436-50060-05i200911-201209
main55436-50060-A1i200911-201209
MELLOW WHITE,TRIM01,05,07,08
main55436-50060-A1i200911-201209
main55436-50060-A1i200911-201209
main55436-50060-A1i200911-201209
main55436-50060-A1i200911-201209
main55436-50060-A3i200911-201209
IVORY,TRIM02,03
main55436-50060-A3i200911-201209
main55436-50060-A3i200911-201209
main55436-50060-A3i200911-201209
main55436-50060-A3i200911-201209
main55436-50060-C1i200911-201209
BLACK,TRIM2#
main55436-50060-C1i200911-201209
main55436-50060-C1i200911-201209
main55436-50060-C1i200911-201209
main55436-50060-C1i200911-201209
55477ABEZEL, CIGARETTE LIGHTER HOLE
main55477-26030i200704-200911
55620BHOLDER, INSTRUMENT PANEL CUP
main55620-50040-B0i200911-201102
main55620-50040-B0i200704-200809
GRAY,TRIM06,08,10,21
main55620-50040-B0i200809-200911
GRAY,TRIM06,08,10,12,21
main55620-50040-B0i200911-201102
GRAY,TRIM08,10,15,21,24
main55620-50040-B0i200911-201102
GRAY,TRIM08,10,15,21
main55620-50040-B0i200911-201102
main55620-50040-B2i200911-201102
SILVER,TRIM03,05,06,14
main55620-50040-B2i200911-201102
main55620-50040-B2i200911-201102
main55620-50040-E0i200809-200911
DK.BROWN,TRIM01,05,13
main55620-50040-E0i200704-200809
DK.BROWN,TRIM01,05
main55620-50040-E1i200911-201102
main55620-50040-E1i200704-200911
BROWN,TRIM00,07,11,20
main55620-50040-E1i200911-201102
BROWN,TRIM00,01,02,11,20,25
main55620-50040-E1i200911-201102
BROWN,TRIM00,01,02,11,20
main55620-50040-E1i200911-201102
main55620-50040-E2i200911-201102
DK.BROWN,TRIM07
main55620-50040-E2i200911-201102
main55620-50040-E2i200911-201102
main55620-50041-B0i201103-201209
GRAY,TRIM08,15,21
main55620-50041-B0i201103-201209
GRAY,TRIM08,15,21,3#,40,41,42,43,60,61
main55620-50041-B0i201103-201209
main55620-50041-B0i201103-201209
main55620-50041-B2i201103-201209
SILVER,TRIM03,05,14
main55620-50041-B2i201103-201209
main55620-50041-B2i201103-201209
main55620-50041-B2i201103-201209
SILVER,TRIM03,05,14,3#,40,41,42,43,60,61
main55620-50041-E1i201103-201209
main55620-50041-E1i201103-201209
BROWN,TRIM01,02,20,3#,40,41,42,43,60,61
main55620-50041-E1i201103-201209
BROWN,TRIM01,02,20
main55620-50041-E1i201103-201209
main55620-50041-E2i201103-201209
main55620-50041-E2i201103-201209
BROWN,TRIM07
main55620-50041-E2i201103-201209
main55620-50041-E2i201103-201209
BROWN,TRIM07,3#,40,41,42,43,60,61
55635ASUPPORT, INSTRUMENT PANEL CUP HOLDER, NO.2
main55635-50020i200704-200911
main55635-50020i201103-201209
main55635-50020i201103-201209
58804APANEL SUB-ASSY, CONSOLE, UPPER
main58804-50310-B0i200704-200809
GRAY,TRIM06,08,10,21
main58804-50310-B0i200809-200911
GRAY,TRIM06,08,10,12,21
main58804-50310-E0i200704-200809
DK.BROWN,TRIM01,05
main58804-50310-E0i200809-200911
DK.BROWN,TRIM01,05,13
main58804-50310-E1i200704-200911
BROWN,TRIM00,07,11,20
main58804-50330-B0i200911-201209
GRAY,TRIM08,15,21,3#,40,41,42,43,60,61
main58804-50330-B0i200911-201209
GRAY,TRIM08,10,15,21,3#,4#,60,61
main58804-50330-B0i200911-201209
main58804-50330-B0i200911-201209
main58804-50330-B0i200911-201209
main58804-50330-B0i200911-201209
main58804-50330-B1i200911-201209
main58804-50330-B1i200911-201209
SILVER,TRIM03,05,14,3#,40,41,42,43,60,61
main58804-50330-B1i200911-201209
main58804-50330-E0i200911-201209
BROWN,TRIM01,02,20,3#,40,41,42,43,60,61
main58804-50330-E0i200911-201209
BROWN,TRIM01,02,11,20,3#,4#,60,61
main58804-50330-E0i200911-201209
main58804-50330-E0i200911-201209
main58804-50330-E0i200911-201209
main58804-50330-E0i200911-201209
main58804-50330-E1i200911-201209
DK.BROWN,TRIM07,3#,40,41,42,43,60,61
main58804-50330-E1i200911-201209
main58804-50330-E1i200911-201209
58805CPANEL SUB-ASSY, CONSOLE, UPPER REAR
main58805-50120-B0i200704-200809
GRAY,TRIM06,08,10,21
main58805-50120-B0i200809-200911
GRAY,TRIM06,08,10,12,21
main58805-50120-B0i200911-201102
GRAY,TRIM08,10,15,21
main58805-50120-B2i200911-201102
SILVER,TRIM03,05,06,14
main58805-50120-E0i200704-200809
DK.BROWN,TRIM01,05
main58805-50120-E0i200809-200911
DK.BROWN,TRIM01,05,13
main58805-50120-E1i200911-201102
BROWN,TRIM00,01,02,11,20
main58805-50120-E1i200704-200911
BROWN,TRIM00,07,11,20
main58805-50120-E2i200911-201102
DK.BROWN,TRIM07
main58805-50121-B0i201103-201209
GRAY,TRIM08,15,21
main58805-50121-B0i201103-201209
main58805-50121-B2i201103-201209
main58805-50121-B2i201103-201209
SILVER,TRIM03,05,14
main58805-50121-E1i201103-201209
main58805-50121-E1i201103-201209
BROWN,TRIM01,02,20
main58805-50121-E2i201103-201209
BROWN,TRIM07
main58805-50121-E2i201103-201209
main58805-50140-B0i200809-200911
GRAY,TRIM06,08,10,12,21
main58805-50140-B0i200911-201102
GRAY,TRIM08,10,15,21,24
main58805-50140-B0i200704-200809
GRAY,TRIM06,08,10,21
main58805-50140-B2i200911-201102
SILVER,TRIM03,05,06,14
main58805-50140-E0i200809-200911
DK.BROWN,TRIM01,05,13
main58805-50140-E0i200704-200809
DK.BROWN,TRIM01,05
main58805-50140-E1i200704-200911
BROWN,TRIM00,07,11,20
main58805-50140-E1i200911-201102
BROWN,TRIM00,01,02,11,20,25
main58805-50140-E2i200911-201102
DK.BROWN,TRIM07
main58805-50141-B0i201103-201209
GRAY,TRIM08,15,21
main58805-50141-B0i201103-201209
main58805-50141-B0i201103-201209
main58805-50141-B0i201103-201209
main58805-50141-B0i201103-201209
main58805-50141-B2i201103-201209
SILVER,TRIM03,05,14
main58805-50141-B2i201103-201209
main58805-50141-B2i201103-201209
main58805-50141-B2i201103-201209
main58805-50141-B2i201103-201209
main58805-50141-E1i201103-201209
main58805-50141-E1i201103-201209
BROWN,TRIM01,02,20
main58805-50141-E1i201103-201209
main58805-50141-E1i201103-201209
main58805-50141-E1i201103-201209
main58805-50141-E2i201103-201209
BROWN,TRIM07
main58805-50141-E2i201103-201209
main58805-50141-E2i201103-201209
main58805-50141-E2i201103-201209
main58805-50141-E2i201103-201209
58810JBOX ASSY, CONSOLE
main58810-50140-A0i200704-200911
IVORY,TRIM00,06
main58810-50140-A1i200704-200911
MELLOW WHITE,TRIM01,05,07,08
main58810-50140-B0i200704-200911
LT.GRAY,TRIM1#
main58810-50140-C0i200704-200911
BLACK,TRIM2#
main58810-50150-A0i200704-200911
IVORY,TRIM00,06
main58810-50150-A0i200809-200911
main58810-50150-A0i200704-200809
main58810-50150-A1i200704-200809
main58810-50150-A1i200704-200911
MELLOW WHITE,TRIM01,05,07,08
main58810-50150-A1i200809-200911
main58810-50150-B0i200704-200911
LT.GRAY,TRIM1#
main58810-50150-B0i200809-200911
main58810-50150-B0i200704-200809
main58810-50150-C0i200704-200911
BLACK,TRIM2#
main58810-50150-C0i200704-200809
main58810-50150-C0i200809-200911
main58810-50280-A3i200911-201109
MELLOW WHITE,TRIM01,05,07,08
main58810-50280-A4i200911-201109
IVORY,TRIM02,03
main58810-50280-A5i200911-201109
WATER WHITE,TRIM1#
main58810-50280-C1i200911-201109
BLACK,TRIM2#
main58810-50281-A3i201109-201209
MELLOW WHITE,TRIM01,05,07,08
main58810-50281-A4i201109-201209
IVORY,TRIM02,03
main58810-50281-A5i201109-201209
WATER WHITE,TRIM1#
main58810-50281-C1i201109-201209
BLACK,TRIM2#
main58810-50300-A3i200911-201109
main58810-50300-A3i200911-201109
MELLOW WHITE,TRIM01,05,07,08
main58810-50300-A4i200911-201109
IVORY,TRIM02,03
main58810-50300-A4i200911-201109
main58810-50300-A5i200911-201109
WATER WHITE,TRIM1#
main58810-50300-A5i200911-201109
main58810-50300-C1i200911-201109
BLACK,TRIM2#
main58810-50300-C1i200911-201109
main58810-50301-A3i201109-201209
MELLOW WHITE,TRIM01,05,07,08
main58810-50301-A3i201109-201209
main58810-50301-A4i201109-201209
main58810-50301-A4i201109-201209
IVORY,TRIM02,03
main58810-50301-A5i201109-201209
main58810-50301-A5i201109-201209
WATER WHITE,TRIM1#
main58810-50301-C1i201109-201209
BLACK,TRIM2#
main58810-50301-C1i201109-201209
58822APANEL, CONSOLE, UPPER REAR
main58822-50140-B0i200809-200911
GRAY,TRIM06,08,10,12,21
main58822-50140-B0i200911-201103
main58822-50140-B0i200911-201103
GRAY,TRIM08,15,21
main58822-50140-B0i200704-200809
MD.GRAY,TRIM06,08,10,21
main58822-50140-B2i200911-201103
main58822-50140-B2i200911-201103
SILVER,TRIM03,05,14
main58822-50140-E0i200704-200809
DK.BROWN,TRIM01,05
main58822-50140-E0i200809-200911
DK.BROWN,TRIM01,05,13
main58822-50140-E1i200704-200911
BROWN,TRIM00,07,11,20
main58822-50140-E1i200911-201103
BROWN,TRIM01,02,20
main58822-50140-E1i200911-201103
main58822-50140-E2i200911-201103
DK.BROWN,TRIM07
main58822-50140-E2i200911-201103
main58822-50141-B0i201103
GRAY,TRIM08,15,21
main58822-50141-B2i201103
SILVER,TRIM03,05,14
main58822-50141-E1i201103
BROWN,TRIM01,02,20
main58822-50141-E2i201103
BROWN,TRIM07
main58822-50160-B0i200911-201103
main58822-50160-B0i200704-200809
MD.GRAY,TRIM06,08,10,21
main58822-50160-B0i200704-200809
main58822-50160-B0i200911-201103
main58822-50160-B0i200911-201103
main58822-50160-B0i200809-200911
GRAY,TRIM06,08,10,12,21
main58822-50160-B0i200809-200911
main58822-50160-B0i200911-201103
main58822-50160-B0i200911-201103
GRAY,TRIM08,15,21
main58822-50160-B2i200911-201103
main58822-50160-B2i200911-201103
SILVER,TRIM03,05,14
main58822-50160-B2i200911-201103
main58822-50160-B2i200911-201103
main58822-50160-B2i200911-201103
main58822-50160-E0i200704-200809
main58822-50160-E0i200704-200809
DK.BROWN,TRIM01,05
main58822-50160-E0i200809-200911
main58822-50160-E0i200809-200911
DK.BROWN,TRIM01,05,13
main58822-50160-E1i200911-201103
main58822-50160-E1i200911-201103
main58822-50160-E1i200911-201103
BROWN,TRIM01,02,20
main58822-50160-E1i200911-201103
main58822-50160-E1i200911-201103
main58822-50160-E1i200704-200911
BROWN,TRIM00,07,11,20
main58822-50160-E1i200704-200911
main58822-50160-E2i200911-201103
main58822-50160-E2i200911-201103
DK.BROWN,TRIM07
main58822-50160-E2i200911-201103
main58822-50160-E2i200911-201103
main58822-50160-E2i200911-201103
main58822-50161-B0i201103
main58822-50161-B0i201103
main58822-50161-B0i201103
GRAY,TRIM08,15,21
main58822-50161-B0i201103
main58822-50161-B2i201103
main58822-50161-B2i201103
main58822-50161-B2i201103
SILVER,TRIM03,05,14
main58822-50161-B2i201103
main58822-50161-E1i201103
BROWN,TRIM01,02,20
main58822-50161-E1i201103
main58822-50161-E1i201103
main58822-50161-E1i201103
main58822-50161-E2i201103
main58822-50161-E2i201103
BROWN,TRIM07
main58822-50161-E2i201103
main58822-50161-E2i201103
58826APOCKET, CONSOLE BOX, LOWER
main58826-50020i200804-200911
main58826-50040i200704-200804
58834ACOVER, CONSOLE, LOWER
main58834-50040i200911
main58834-50040i200911
main58834-50040i200704-200911
main58834-50040i200911
main58834-50040i200911
58836BPAD, CONSOLE BOX SILENCER, NO.1
main58836-50010i200809-200911
main58836-50010i200911
main58836-50010i200911
main58836-50010i200911
main58836-50010i200911
58872ACUSHION, CONSOLE BOX, NO.2
main58872-50020i200911
main58872-50020i200809-200911
main58872-50020i200911
main58872-50020i200911
main58872-50020i200911
58873CUSHION, CONSOLE BOX, NO.3
main58873-50010i200911
main58873-50010i200809-200911
main58873-50010i200911
main58873-50010i200911
main58873-50010i200911
58903APANEL SUB-ASSY, CONSOLE REAR END
main58903-50050-B1i200911-201209
main58903-50050-B1i200704-201209
LT.GRAY,TRIM10
main58903-50050-B1i200809-200911
main58903-50050-B1i200809-200911
LT.GRAY,TRIM10,12
main58903-50050-B1i200911-201209
main58903-50050-B1i200911-201209
main58903-50050-B1i200809-200911
main58903-50050-B3i200704-200911
IVORY,TRIM06
main58903-50050-B3i200809-200911
main58903-50050-B3i200809-200911
main58903-50050-B4i200704-201209
MELLOW WHITE,TRIM08
main58903-50050-B4i200809-200911
main58903-50050-B4i200809-201209
main58903-50050-B4i200911-201209
main58903-50050-B4i200911-201209
main58903-50050-B4i200911-201209
main58903-50050-B4i200911-201209
main58903-50050-B4i200911-201209
main58903-50050-B5i200911-201209
main58903-50050-B5i200911-201209
main58903-50050-B5i200809-201209
main58903-50050-B5i200911-201209
main58903-50050-B5i200911-201209
main58903-50050-B5i200911-201209
main58903-50050-B5i200809-200911
main58903-50050-B5i200704-201209
BLACK,TRIM21
main58903-50050-B9i200911-201209
main58903-50050-B9i200911-201209
main58903-50050-B9i200911-201209
MELLOW WHITE(GRAY),TRIM15
main58903-50050-B9i200911-201209
main58903-50050-B9i200911-201209
main58903-50050-B9i200911-201209
main58903-50050-B9i200911-201209
main58903-50050-E1i200809-200911
main58903-50050-E1i200704-200911
MELLOW WHITE,TRIM01,05
main58903-50050-E1i200809-200911
main58903-50050-E4i200809-200911
main58903-50050-E4i200704-200911
IVORY,TRIM00
main58903-50050-E4i200809-200911
main58903-50050-E5i200911-201209
main58903-50050-E5i200911-201209
main58903-50050-E5i200809-201209
main58903-50050-E5i200911-201209
main58903-50050-E5i200704-201209
BLACK,TRIM20
main58903-50050-E5i200911-201209
main58903-50050-E5i200911-201209
main58903-50050-E5i200809-200911
main58903-50050-E6i200704-200911
MELLOW WHITE,TRIM07
main58903-50050-E6i200809-200911
main58903-50050-E6i200809-200911
main58903-50050-E6i200911-201209
MELLOW WHITE,TRIM01
main58903-50050-E6i200911-201209
main58903-50050-E6i200911-201209
main58903-50050-E6i200911-201209
main58903-50050-E6i200911-201209
main58903-50050-E6i200911-201209
main58903-50050-E6i200911-201209
main58903-50050-E7i200704-201209
LT.GRAY,TRIM11
main58903-50050-E7i200911-201209
main58903-50050-E7i200911-201209
main58903-50050-E7i200809-200911
main58903-50050-E7i200809-200911
main58903-50050-E7i200911-201209
main58903-50050-E8i200809-200911
main58903-50050-E8i200809-200911
main58903-50050-E8i200809-200911
DK.BROWN,TRIM13
main58903-50050-L2i200911-201209
main58903-50050-L2i200911-201209
IVORY(BROWN),TRIM02
main58903-50050-L2i200911-201209
main58903-50050-L2i200911-201209
main58903-50050-L2i200911-201209
main58903-50050-L2i200911-201209
main58903-50050-L2i200911-201209
main58903-50050-L3i200911-201209
main58903-50050-L3i200911-201209
main58903-50050-L3i200911-201209
main58903-50050-L3i200911-201209
main58903-50050-L3i200911-201209
main58903-50050-L3i200911-201209
MELLOW WHITE(DK.BROWN),TRIM07
main58903-50050-L3i200911-201209
main58903-50050-P0i200911-201209
main58903-50050-P0i200911-201209
main58903-50050-P0i200911-201209
main58903-50050-P0i200911-201209
MELLOW WHITE(SILVER),TRIM05
main58903-50050-P0i200911-201209
main58903-50050-P0i200911-201209
main58903-50050-P0i200911-201209
main58903-50050-P1i200911-201209
main58903-50050-P1i200911-201209
main58903-50050-P1i200911-201209
main58903-50050-P1i200911-201209
main58903-50050-P1i200911-201209
IVORY(SILVER),TRIM03
main58903-50050-P1i200911-201209
main58903-50050-P1i200911-201209
main58903-50050-P2i200911-201209
main58903-50050-P2i200911-201209
main58903-50050-P2i200911-201209
main58903-50050-P2i200911-201209
main58903-50050-P2i200911-201209
WATER WHITE(SILVER),TRIM14
main58903-50050-P2i200911-201209
main58903-50050-P2i200911-201209
main58903-50070-B0i200704-200809
main58903-50070-B0i200704-200809
GRAY,TRIM10
main58903-50070-B0i200809-200911
main58903-50070-B0i200809-200911
GRAY,TRIM10,12
main58903-50070-B4i200704-200911
main58903-50070-B4i200704-200911
NEW IVORY,TRIM06
main58903-50070-B5i200911-201209
main58903-50070-B5i200911-201209
main58903-50070-B5i200911-201209
main58903-50070-B5i200911-201209
main58903-50070-B5i200911-201209
main58903-50070-B5i200911-201209
main58903-50070-B5i200911-201209
main58903-50070-B5i200911-201209
main58903-50070-B5i200704-201209
GRAY,TRIM08
main58903-50070-B5i200704-200911
main58903-50070-B5i200911-201209
main58903-50070-B5i200911-201209
main58903-50070-B6i200911-201209
main58903-50070-B6i200704-200911
main58903-50070-B6i200704-201209
BLACK,TRIM21
main58903-50070-B6i200911-201209
main58903-50070-B6i200911-201209
main58903-50070-B6i200911-201209
main58903-50070-B6i200911-201209
main58903-50070-B6i200911-201209
main58903-50070-B6i200911-201209
main58903-50070-B6i200911-201209
main58903-50070-B6i200911-201209
main58903-50070-B6i200911-201209
main58903-50070-B8i200911-201209
WATER WHITE(GRAY),TRIM15
main58903-50070-B8i200911-201209
main58903-50070-B8i200911-201209
main58903-50070-B8i200911-201209
main58903-50070-B8i200911-201209
main58903-50070-B8i200911-201209
main58903-50070-B8i200911-201209
main58903-50070-B8i200911-201209
main58903-50070-B8i200911-201209
main58903-50070-B8i200911-201209
main58903-50070-B8i200911-201209
main58903-50070-B9i200911-201209
main58903-50070-B9i200911-201209
MELLOW WHITE(SILVER),TRIM05
main58903-50070-B9i200911-201209
main58903-50070-B9i200911-201209
main58903-50070-B9i200911-201209
main58903-50070-B9i200911-201209
main58903-50070-B9i200911-201209
main58903-50070-B9i200911-201209
main58903-50070-B9i200911-201209
main58903-50070-B9i200911-201209
main58903-50070-B9i200911-201209
main58903-50070-E0i200704-200911
main58903-50070-E0i200704-200911
MELLOW WHITE,TRIM01,05
main58903-50070-E1i200704-200911
NEW IVORY,TRIM00
main58903-50070-E1i200704-200911
main58903-50070-E2i200704-200911
main58903-50070-E2i200704-201209
BLACK,TRIM20
main58903-50070-E2i200911-201209
main58903-50070-E2i200911-201209
main58903-50070-E2i200911-201209
main58903-50070-E2i200911-201209
main58903-50070-E2i200911-201209
main58903-50070-E2i200911-201209
main58903-50070-E2i200911-201209
main58903-50070-E2i200911-201209
main58903-50070-E2i200911-201209
main58903-50070-E2i200911-201209
main58903-50070-E6i200911-201209
main58903-50070-E6i200704-200911
main58903-50070-E6i200704-200911
MELLOW WHITE,TRIM07
main58903-50070-E6i200911-201209
main58903-50070-E6i200911-201209
MELLOW WHITE,TRIM01
main58903-50070-E6i200911-201209
main58903-50070-E6i200911-201209
main58903-50070-E6i200911-201209
main58903-50070-E6i200911-201209
main58903-50070-E6i200911-201209
main58903-50070-E6i200911-201209
main58903-50070-E6i200911-201209
main58903-50070-E6i200911-201209
main58903-50070-E7i200704-200911
LT.GRAY,TRIM11
main58903-50070-E7i200704-200911
main58903-50070-E8i200809-200911
DK.BROWN,TRIM13
main58903-50070-E8i200809-200911
main58903-50070-E9i200911-201209
main58903-50070-E9i200911-201209
IVORY(BROWN),TRIM02
main58903-50070-E9i200911-201209
main58903-50070-E9i200911-201209
main58903-50070-E9i200911-201209
main58903-50070-E9i200911-201209
main58903-50070-E9i200911-201209
main58903-50070-E9i200911-201209
main58903-50070-E9i200911-201209
main58903-50070-E9i200911-201209
main58903-50070-E9i200911-201209
main58903-50070-L3i200911-201209
MELLOW WHITE(DK.BROWN),TRIM07
main58903-50070-L3i200911-201209
main58903-50070-L3i200911-201209
main58903-50070-L3i200911-201209
main58903-50070-L3i200911-201209
main58903-50070-L3i200911-201209
main58903-50070-L3i200911-201209
main58903-50070-L3i200911-201209
main58903-50070-L3i200911-201209
main58903-50070-L3i200911-201209
main58903-50070-L3i200911-201209
main58903-50070-P0i200911-201209
IVORY(SILVER),TRIM03
main58903-50070-P0i200911-201209
main58903-50070-P0i200911-201209
main58903-50070-P0i200911-201209
main58903-50070-P0i200911-201209
main58903-50070-P0i200911-201209
main58903-50070-P0i200911-201209
main58903-50070-P0i200911-201209
main58903-50070-P0i200911-201209
main58903-50070-P0i200911-201209
main58903-50070-P0i200911-201209
main58903-50070-P1i200911-201209
main58903-50070-P1i200911-201209
MELLOW WHITE(SILVER),TRIM14
main58903-50070-P1i200911-201209
main58903-50070-P1i200911-201209
main58903-50070-P1i200911-201209
main58903-50070-P1i200911-201209
main58903-50070-P1i200911-201209
main58903-50070-P1i200911-201209
main58903-50070-P1i200911-201209
main58903-50070-P1i200911-201209
main58903-50070-P1i200911-201209
58905DOOR SUB-ASSY, CONSOLE COMPARTMENT
main58905-50270-A0i200704-200911
NEW IVORY,TRIM00,06
main58905-50270-A1i200704-200911
MELLOW WHITE,TRIM01,05,07,08
main58905-50270-B0i200809-200911
LT.GRAY,TRIM1#
main58905-50270-B0i200704-200809
LT.GRAY,TRIM10,11
main58905-50270-C0i200704-200809
BLACK,TRIM20,21
main58905-50270-C0i200809-200911
BLACK,TRIM2#
main58905-50280-A0i200704-200809
main58905-50280-A0i200704-200911
IVORY,TRIM00,06
main58905-50280-A0i200704-200809
main58905-50280-A0i200809-200911
main58905-50280-A0i200809-200911
main58905-50280-A1i200809-200911
main58905-50280-A1i200704-200911
MELLOW WHITE,TRIM01,05,07,08
main58905-50280-A1i200704-200809
main58905-50280-A1i200704-200809
main58905-50280-A1i200809-200911
main58905-50280-B0i200704-200809
main58905-50280-B0i200809-200911
main58905-50280-B0i200809-200911
main58905-50280-B0i200809-200911
LIGHT GRAY,TRIM1#
main58905-50280-B0i200704-200809
LIGHT GRAY,TRIM10,11
main58905-50280-B0i200704-200809
main58905-50280-C0i200704-200809
BLACK,TRIM20,21
main58905-50280-C0i200704-200809
main58905-50280-C0i200704-200809
main58905-50280-C0i200809-200911
BLACK,TRIM2#
main58905-50280-C0i200809-200911
main58905-50280-C0i200809-200911
main58905-50330-A1i200911-201209
MELLOW WHITE,TRIM01,05,07,08
main58905-50330-A1i200911-201209
main58905-50330-A3i200911-201209
main58905-50330-A3i200911-201209
IVORY,TRIM02,03
main58905-50330-A5i200911-201209
main58905-50330-A5i200911-201209
WATER WHITE,TRIM1#
main58905-50330-C1i200911-201209
main58905-50330-C1i200911-201209
BLACK,TRIM2#
main58905-50340-A1i200911-201209
main58905-50340-A1i200911-201209
main58905-50340-A1i200911-201209
main58905-50340-A1i200911-201209
main58905-50340-A1i200911-201209
main58905-50340-A1i200911-201209
MELLOW WHITE,TRIM01,05,07,08
main58905-50340-A3i200911-201209
main58905-50340-A3i200911-201209
IVORY,TRIM02,03
main58905-50340-A3i200911-201209
main58905-50340-A3i200911-201209
main58905-50340-A3i200911-201209
main58905-50340-A3i200911-201209
main58905-50340-A5i200911-201209
main58905-50340-A5i200911-201209
WATER WHITE,TRIM1#
main58905-50340-A5i200911-201209
main58905-50340-A5i200911-201209
main58905-50340-A5i200911-201209
main58905-50340-A5i200911-201209
main58905-50340-C1i200911-201209
main58905-50340-C1i200911-201209
BLACK,TRIM2#
main58905-50340-C1i200911-201209
main58905-50340-C1i200911-201209
main58905-50340-C1i200911-201209
main58905-50340-C1i200911-201209
58907HINGE SUB-ASSY, CONSOLE COMPARTMENT DOOR
main58907-50040i200704-200711
main58907-50050i200711-200911
main58907-50050i200911
main58907-50050i200911
main58907-50050i200911
main58907-50050i200911
58908ALOCK SUB-ASSY, CONSOLE COMPARTMENT DOOR
main58908-50050-A0i200704-200911
IVORY,TRIM00,06
main58908-50050-A1i200911-201109
main58908-50050-A1i200911-201109
main58908-50050-A1i200911-201109
main58908-50050-A1i200911-201109
main58908-50050-A1i200704-201109
MELLOW WHITE,TRIM01,05,07,08
main58908-50050-A2i200911-201109
main58908-50050-A2i200911-201109
main58908-50050-A2i200911-201109
main58908-50050-A2i200911-201109
main58908-50050-A2i200911-201109
IVORY,TRIM00,02,03,06
main58908-50050-A3i200911-201109
main58908-50050-A3i200911-201109
WATER WHITE,TRIM14,15
main58908-50050-A3i200911-201109
main58908-50050-A3i200911-201109
main58908-50050-A3i200911-201109
main58908-50050-B0i200911-201109
main58908-50050-B0i200704-201109
LT.GRAY,TRIM10,11
main58908-50050-B0i200911-201109
main58908-50050-B0i200911-201109
main58908-50050-B0i200911-201109
main58908-50050-B0i200809-200911
LT.GRAY,TRIM1#
main58908-50050-C0i200911-201109
main58908-50050-C0i200911-201109
main58908-50050-C0i200911-201109
main58908-50050-C0i200911-201109
main58908-50050-C0i200809-201109
BLACK,TRIM2#
main58908-50050-C0i200911-201109
main58908-50050-C0i200911-201109
main58908-50050-C0i200911-201109
main58908-50050-C0i200911-201109
main58908-50050-C0i200911-201109
main58908-50050-C0i200911-201109
main58908-50050-C0i200911-201109
main58908-50050-C0i200911-201109
main58908-50050-C0i200911-201109
main58908-50050-C0i200911-201109
main58908-50050-C0i200911-201109
main58908-50050-C0i200911-201109
main58908-50050-C0i200911-201109
main58908-50050-C0i200911-201109
main58908-50050-C0i200911-201109
main58908-50050-C0i200911-201109
main58908-50050-C0i200911-201109
main58908-50050-C0i200911-201109
main58908-50050-C0i200911-201109
main58908-50050-C0i200911-201109
main58908-50050-C0i200911-201109
main58908-50050-C0i200911-201109
main58908-50050-C0i200911-201109
main58908-50050-C0i200911-201109
main58908-50050-C0i200911-201109
main58908-50050-C0i200911-201109
main58908-50050-C0i200911-201109
main58908-50050-C0i200911-201109
main58908-50050-C0i200911-201109
main58908-50050-C0i200911-201109
main58908-50050-C0i200911-201109
main58908-50050-C0i200911-201109
main58908-50050-C0i200704-200809
BLACK,TRIM20,21
main58908-50051-A1i201109-201209
main58908-50051-A1i201109-201209
MELLOW WHITE,TRIM01,05,07,08
main58908-50051-A1i201109-201209
main58908-50051-A1i201109-201209
main58908-50051-A1i201109-201209
main58908-50051-A2i201109-201209
main58908-50051-A2i201109-201209
IVORY,TRIM02,03
main58908-50051-A2i201109-201209
main58908-50051-A2i201109-201209
main58908-50051-A2i201109-201209
main58908-50051-A3i201109-201209
main58908-50051-A3i201109-201209
main58908-50051-A3i201109-201209
main58908-50051-A3i201109-201209
main58908-50051-A3i201109-201209
WATER WHITE,TRIM1#
main58908-50051-C0i201109-201209
BLACK,TRIM2#
main58908-50051-C0i201109-201209
main58908-50051-C0i201109-201209
main58908-50051-C0i201109-201209
main58908-50051-C0i201109-201209
main58908-50051-C0i201109-201209
main58908-50051-C0i201109-201209
main58908-50051-C0i201109-201209
main58908-50051-C0i201109-201209
main58908-50051-C0i201109-201209
main58908-50051-C0i201109-201209
main58908-50051-C0i201109-201209
main58908-50051-C0i201109-201209
main58908-50051-C0i201109-201209
main58908-50051-C0i201109-201209
main58908-50051-C0i201109-201209
main58908-50051-C0i201109-201209
main58908-50051-C0i201109-201209
main58908-50051-C0i201109-201209
main58908-50051-C0i201109-201209
main58908-50051-C0i201109-201209
main58908-50051-C0i201109-201209
main58908-50051-C0i201109-201209
main58908-50051-C0i201109-201209
main58908-50051-C0i201109-201209
main58908-50051-C0i201109-201209
main58908-50051-C0i201109-201209
main58908-50051-C0i201109-201209
main58908-50051-C0i201109-201209
main58908-50051-C0i201109-201209
main58908-50051-C0i201109-201209
main58908-50051-C0i201109-201209
main58908-50051-C0i201109-201209
main58908-50051-C0i201109-201209
main58908-50051-C0i201109-201209
main58908-50051-C0i201109-201209
main58908-50051-C0i201109-201209
58913APANEL, BOX, NO.3
main58913-50030-A0i200704-200911
IVORY,TRIM00,06
main58913-50030-A1i200704-201209
MELLOW WHITE,TRIM01,05,07,08
main58913-50030-A1i200911-201209
main58913-50030-A1i200911-201209
main58913-50030-A1i200911-201209
main58913-50030-A1i200911-201209
main58913-50030-A2i200911-201209
IVORY,TRIM02,03
main58913-50030-A2i200911-201209
main58913-50030-A2i200911-201209
main58913-50030-A2i200911-201209
main58913-50030-A2i200911-201209
main58913-50030-A3i200911-201209
main58913-50030-A3i200911-201209
main58913-50030-A3i200911-201209
WATER WHITE,TRIM1#
main58913-50030-A3i200911-201209
main58913-50030-A3i200911-201209
main58913-50030-B0i200704-200809
LT.GRAY,TRIM10,11
main58913-50030-B0i200809-200911
LT.GRAY,TRIM1#
main58913-50030-C0i200911-201209
main58913-50030-C0i200911-201209
main58913-50030-C0i200911-201209
main58913-50030-C0i200704-200809
BLACK,TRIM20,21
main58913-50030-C0i200809-201209
BLACK,TRIM2#
main58913-50030-C0i200911-201209
main58913-50030-C0i200911-201209
main58913-50030-C0i200911-201209
main58913-50030-C0i200911-201209
main58913-50030-C0i200911-201209
58919BPLATE, CONSOLE BOX
main58919-50020-A0i200704-200911
IVORY,TRIM00,06
main58919-50020-A1i200704-200911
MELLOW WHITE,TRIM01,05,07,08
main58919-50020-B0i200704-200809
LT.GRAY,TRIM10,11
main58919-50020-B0i200809-200911
LT.GRAY,TRIM1#
main58919-50020-C0i200704-200809
BLACK,TRIM20,21
main58919-50020-C0i200809-200911
BLACK,TRIM2#
7404
8401
9015950327
9046710201
9046710203
9046712080
9046713082A0
9046804157
9046804177
9046805060
9046805135
9165160618
9354015016
9356854512

36 parts on this diagram · 7 diagrams in section

CONSOLE BOX & BRACKET — Toyota Parts Diagram with OEM Numbers & Prices | EPC Data