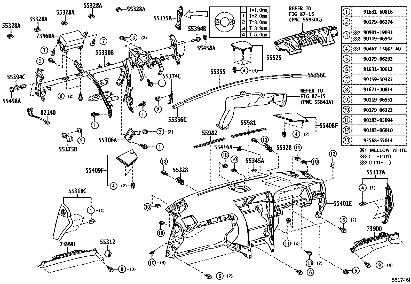
INSTRUMENT PANEL & GLOVE COMPARTMENT

55306ABRACE SUB-ASSY, INSTRUMENT PANEL, NO.1
55312PANEL, INSTRUMENT, LOWER
IVORY,TRIM00,06
MELLOW WHITE,TRIM01,05,07
WATER WHITE,TRIM1#; WATER WHITE,TRIM14,15
LT.GRAY,TRIM10,11
BLACK,TRIM05,08,20,21
55315ASPACER, INSTRUMENT PANEL, NO.1
55317APANEL, INSTRUMENT SIDE, RH
LT.GRAY,TRIM10,11
BLACK,TRIM05,08,20,21
IVORY,TRIM00,06
MELLOW WHITE,TRIM01,07
55318CPANEL, INSTRUMENT SIDE, LH
LT.GRAY,TRIM10,11
BLACK,TRIM05,08,20,21
IVORY,TRIM00,06
55328PIN, INSTRUMENT PANEL, NO.1
55328ASTAY, INSTRUMENT PANEL, NO.3
55330BREINFORCEMENT ASSY, INSTRUMENT PANEL
55345ACLIP, INSTRUMENT PANEL, NO.1
55355CUSHION, INSTRUMENT PANEL, NO.1
55356CCUSHION, INSTRUMENT PANEL, NO.2
55374CBRACKET, INSTRUMENT PANEL LOWER MOUNTING, NO.1
55375BBRACKET, INSTRUMENT PANEL LOWER MOUNTING, NO.2
55394BBOLT, INSTRUMENT PANEL
55394CBOLT, INSTRUMENT PANEL
55401EPAD SUB-ASSY, INSTRUMENT PANEL SAFETY
55408FPANEL SUB-ASSY, INSTRUMENT PANEL SPEAKER, NO.1
BLACK,TRIM05,08,10,11,20,21
ORCHID BROWN,TRIM01,07
55409FPANEL SUB-ASSY, INSTRUMENT PANEL SPEAKER, NO.2
BLACK,TRIM02,03,05,08,1#,2#,3#,4#,6#
ORCHID BROWN,TRIM00,01,06,07
55416ARETAINER, METER HOOD, NO.1
55458ACAP, INSTRUMENT PANEL SAFETY PAD
55525COVER, SPEAKER HOLE, NO.1
55981GARNISH, DEFROSTER NOZZLE, NO.1
55982GARNISH, DEFROSTER NOZZLE, NO.2
73900AIRBAG ASSY, INSTRUMENT PANEL, LOWER NO.1
IVORY,TRIM00,06
MELLOW WHITE,TRIM01,07
LT.GRAY,TRIM10,11
BLACK,TRIM05,08,20,21
MELLOW WHITE,TRIM01,07
WATER WHITE,TRIM1#; WATER WHITE,TRIM14,15
LT.GRAY,TRIM10,11
BLACK,TRIM00,02,03,05,06,08,2#,3#,4#,6#
73960AAIRBAG ASSY, INSTRUMENT PANEL PASSENGER W/O DOOR
73990AIRBAG ASSY, INSTRUMENT PANEL, LOWER NO.2
IVORY,TRIM00,06
MELLOW WHITE,TRIM01,05,07
WATER WHITE,TRIM1#; WATER WHITE,TRIM14,15
LT.GRAY,TRIM10,11
BLACK,TRIM05,08,12,13,2#
82140WIRE ASSY, INSTRUMENT PANEL
8715HEATING & AIR CONDITIONING - CONTROL & AIR DUCT
9011906942
main90119-06942
9011906951
main90119-06951
9015950327
main90159-50327
9017906274
main90179-06274
9017906292
main90179-06292
9017906323
main90179-06323
9018305094
main90183-05094
9018306010
main90183-06010
9046713082A0
main90467-13082A0
9090119031
main90901-19031
91621J0814
main91621-J0814
9163160816
main91631-60816
91631J0612
main91631-J0612
9356855014
main93568-55014
42 parts on this diagram · 8 diagrams in section