E
EPC Data

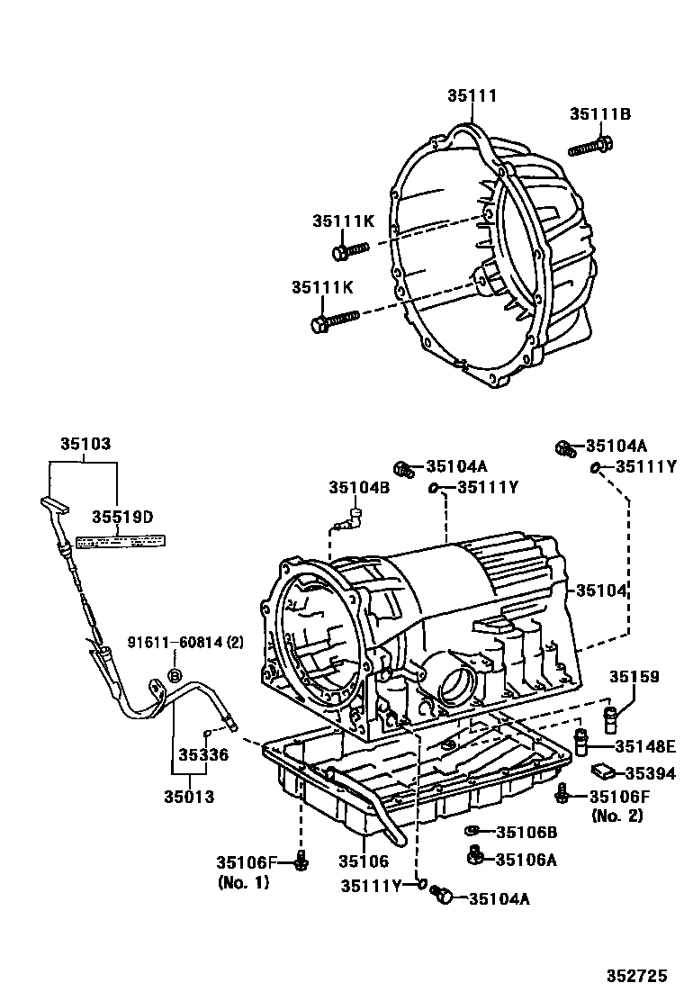
TRANSMISSION CASE & OIL PAN (ATM)

Parts diagram
35013TUBE SUB-ASSY, TRANSMISSION OIL FILLER
main35013-50030i200008-200307
35103GAGE SUB-ASSY, TRANSMISSION OIL LEVEL
main35103-50040i200008-200307
35104CASE SUB-ASSY, AUTOMATIC TRANSMISSION
main35104-30200i200008-200307
main35104-50020i200307
35104APLUG, AUTOMATIC TRANSMISSION CASE
main90301-06196×5i200307
main90341-08001×3i200008-200307
35104BPLUG, BREATHER, NO.1 (ATM)
main90930-03108i200008-200307
35106PAN SUB-ASSY, AUTOMATIC TRANSMISSION OIL
main35106-50030i200008-200307
main35106-50040i200307
35106APLUG SUB-ASSY, DRAIN (ATM)
main90341-10011i200304-200307
main90341-10018i200008-200304
main90341-10021i200307
35106BGASKET, DRAIN PLUG (ATM)
main35178-30010i200304-200307
main35178-50010i200008-200304
35106FBOLT (FOR AUTOMATIC TRANSMISSION OIL PAN)
main90119-06117×20i200307-200608
main90119-06513×18i200008-200307
main90119-06866i200008-200307
35111HOUSING, AUTOMATIC TRANSMISSION
main35111-50010i200008-200307
main35111-50020i200307
35111BBOLT (FOR TRANSMISSION HOUSING & ENGINE SETTING)
main90119-10260×4i200307
main91612-61045×4i200008-200307
main91619-61250×6i200307
35111KBOLT (FOR TRANSMISSION HOUSING & CASE SETTING)
main90119-10232×8i200307-200402
main90119-10947×2i200402-200608
main90119-12036i200008-200307
main90119-12255i200008-200307
main90119-12378×2i200307-200608
35111YRING, O (FOR AUTOMATIC TRANSMISSION CASE)
main90301-06196×3i200008-200307
35148EGASKET, BRAKE DRUM, NO.2
main35148-30010i200008-200307
35159GASKET, BRAKE DRUM
main35159-30020i200008-200307
main35159-60010×3i200307
35336RING, O (FOR TRANSMISSION OIL FILLER TUBE)
main90301-09011i200008-200307
35394MAGNET, OIL CLEANER (FOR TRANSMISSION)
main35394-30011×3i200008-200307
35519DLABEL, AUTOMATIC TRANSMISSION INFORMATION
main35519-20030i200008-200307
9161160814

19 parts on this diagram · 2 diagrams in section

TRANSMISSION CASE & OIL PAN (ATM) — Toyota Parts Diagram with OEM Numbers & Prices | EPC Data