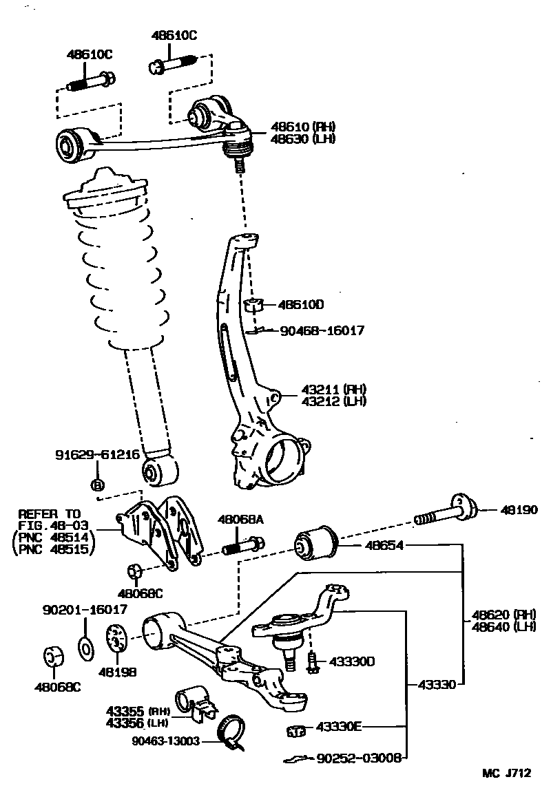
FRONT AXLE ARM & STEERING KNUCKLE

43211KNUCKLE, STEERING, RH
43212KNUCKLE, STEERING, LH
43330JOINT ASSY, LOWER BALL, FRONT
43330DBOLT (FOR FRONT LOWER BALL JOINT)
43330ENUT, CASTLE (FOR FRONT LOWER BALL JOINT SETTING)
43355DEFLECTOR, LOWER ARM ICE, RH
43356DEFLECTOR, LOWER ARM ICE, LH
4803FRONT SPRING & SHOCK ABSORBER
48068ABOLT(FOR FRONT SUSPENSION LOWER ARM)
48068CNUT(FOR FRONT SUSPENSION LOWER ARM)
SHOCK ABSORBER SIDE
BODY SIDE
48190CAM ASSY, CAMBER ADJUST
48198CAM, CAMBER ADJUST, NO.2
48610ARM ASSY, FRONT SUSPENSION UPPER, RH
48610CBOLT(FOR SUSPENSION UPPER ARM)
48610DNUT(FOR SUSPENSION UPPER ARM)
48620ARM ASSY, FRONT SUSPENSION, LOWER RH
48630ARM ASSY, FRONT SUSPENSION, UPPER LH
48640ARM ASSY, FRONT SUSPENSION LOWER, LH
48654BUSH, LOWER ARM
9020116017
main90201-16017
9025203008
main90252-03008
9046313003
main90463-13003
9046816017
main90468-16017
9162961216
main91629-61216
24 parts on this diagram · 2 diagrams in section