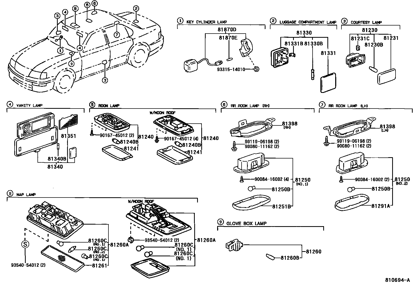
INTERIOR LAMP

81230LAMP ASSY, COURTESY
81230BBULB(FOR COURTESY LAMP)
81231LENS, COURTESY LAMP
81231CCLIP, COURTESY LAMP
81240LAMP ASSY, ROOM, NO.1
QUARTZ,TRIM4#,II STANLEY
81241LENS, ROOM LAMP, NO.1
II STANLEY
81250LAMP ASSY, ROOM, NO.2
81250BBULB, ROOM LAMP, NO.2
81251BLENS, REAR ROOM LAMP, RH
QUARTZ,TRIM4#
ADOBE,TRIM4#
81260LAMP ASSY, GLOVE BOX
81260ALAMP ASSY, MAP
QUARTZ,TRIM4#
LI, ADOBE,TRIM4#
81260BBULB(FOR GLOVE BOX)
81260CBULB(FOR MAP LAMP)
81291ALENS, REAR ROOM LAMP, LH
QUARTZ,TRIM4#
ADOBE,TRIM4#
81330LAMP ASSY, LUGGAGE COMPARTMENT, NO.1
KEELER BRASS
81331LENS, LUGGAGE COMPARTMENT LAMP
KEELER BRASS
81331BCLIP, LUGGAGE LAMP
81340LAMP ASSY, VANITY
ADOBE,TRIM4#
QUARTZ,TRIM4#
3.0G,ADOBE,TRIM4#
81340BBULB (FOR VANITY LAMP)
3.0G
81351LENS, SURGICAL LAMP
81870DLAMP ASSY, KEY CYLINDER
81870EBULB, KEY CYLINDER LAMP
9008011162
main90080-11162
9008416002
main90084-16002
9011906198
main90119-06198
9016745012
main90167-45012
9331514010
main93315-14010
9354054012
main93540-54012
32 parts on this diagram · 1 diagram in section