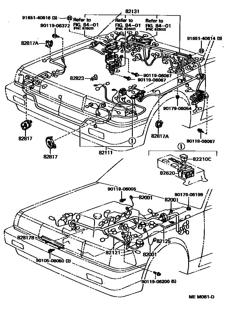
WIRING & CLAMP

82001CABLE, BOND, NO.1
CLUTCH-MEMBER
ENGINE-HANGER
ENGINE HANGER
ENGINE-HANGER
ENGINE HANGER
82111WIRE, ENGINE ROOM MAIN
82121WIRE, ENGINE
82125WIRE, TRANSMISSION
82131WIRE, COWL
82210CFUSIBLE LINK
82620BLOCK ASSY, FUSIBLE LINK
82817PROTECTOR, WIRING HARNESS, NO.1
82817APROTECTOR, WIRING HARNESS, NO.2
82817BPROTECTOR, WIRING HARNESS, NO.3
82823CAP, TERMINAL, NO.1
8401SWITCH & RELAY & COMPUTER
9010506050
main90105-06050
9011906005
main90119-06005
9011906067
main90119-06067
9011906200
main90119-06200
9011906372
main90119-06372
9017906054
main90179-06054
9017906199
main90179-06199
9165140614
main91651-40614
9165140616
main91651-40616
21 parts on this diagram · 7 diagrams in section