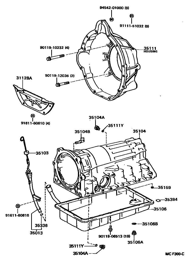
TRANSMISSION CASE & OIL PAN (ATM)

31128ACOVER, CLUTCH HOUSING UNDER(ATM)
35013TUBE SUB-ASSY, TRANSMISSION OIL FILLER
35103GAGE SUB-ASSY, TRANSMISSION OIL LEVEL
35104CASE SUB-ASSY, AUTOMATIC TRANSMISSION
35104APLUG, AUTOMATIC TRANSMISSION CASE
35104BPLUG, BREATHER, NO.1 (ATM)
35106PAN SUB-ASSY, AUTOMATIC TRANSMISSION OIL
35111HOUSING, AUTOMATIC TRANSMISSION
35111YRING, O (FOR AUTOMATIC TRANSMISSION CASE)
35159GASKET, BRAKE DRUM
35336RING, O (FOR TRANSMISSION OIL FILLER TUBE)
35394MAGNET, OIL CLEANER (FOR TRANSMISSION)
9011906513
main90119-06513
9011910232
main90119-10232
9011912036
main90119-12036
9111151032
main91111-51032
9161160610
main91611-60610
9161160816
main91611-60816
9454201000
main94542-01000
21 parts on this diagram · 1 diagram in section