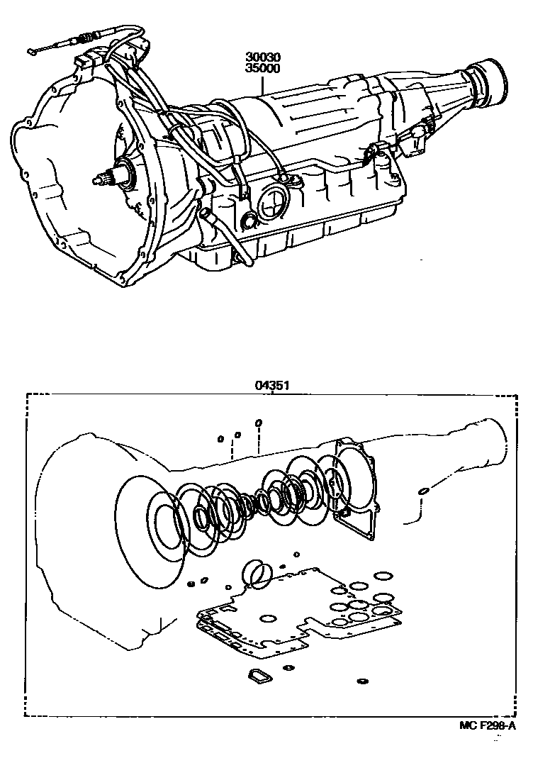
TRANSAXLE OR TRANSMISSION ASSY & GASKET KIT (ATM)

04351GASKET KIT, AUTOMATIC TRANSMISSION OVERHAUL
30030TRANSMISSION ASSY, REBUILT
35000TRANSMISSION ASSY, AUTOMATIC
3 parts on this diagram · 1 diagram in section

3 parts on this diagram · 1 diagram in section