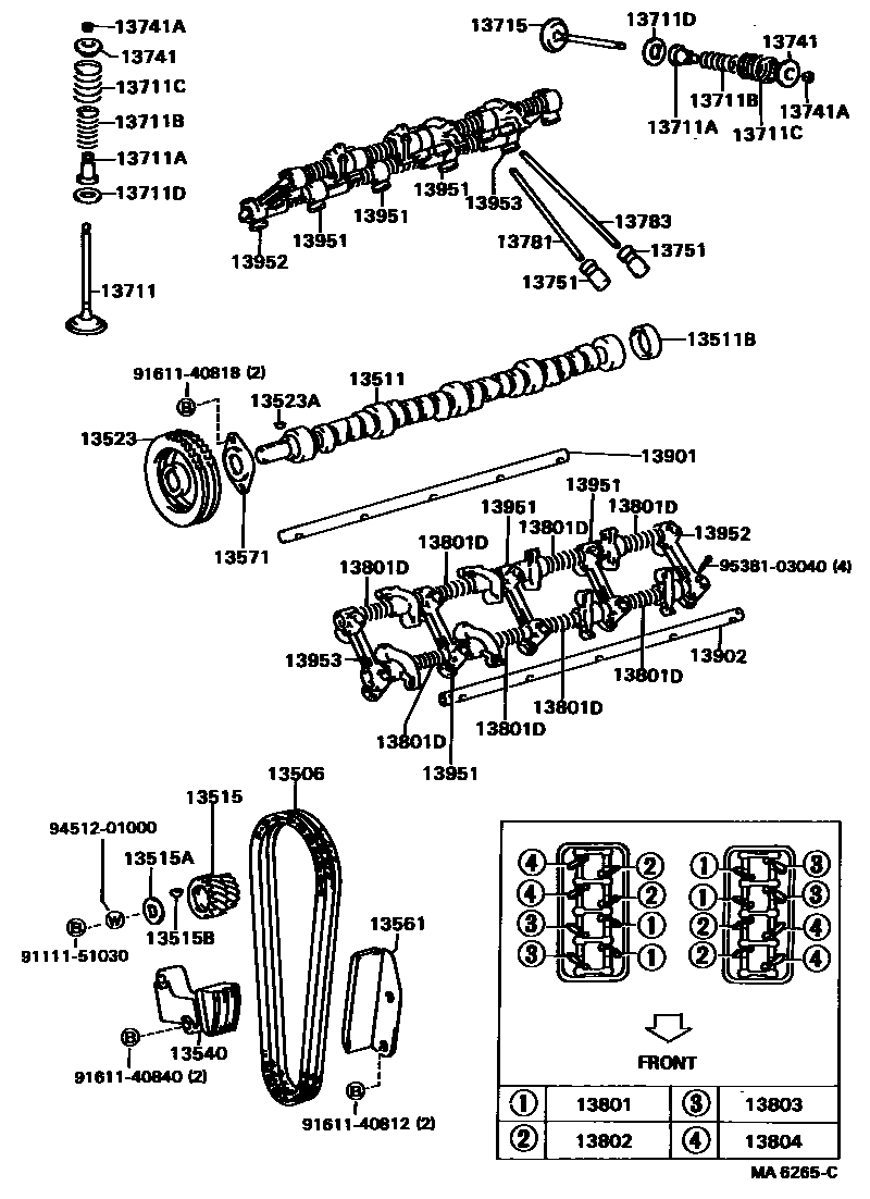
CAMSHAFT & VALVE

13506CHAIN SUB-ASSY
13511CAMSHAFT
13511BPLUG, EXPANSION(FOR CAMSHAFT)
13515GEAR, DISTRIBUTOR DRIVE
13515AWASHER, PLATE(FOR DISTRIBUTOR DRIVE GEAR)
13515BKEY, WOODRUFF(FOR DISTRIBUTOR DRIVE GEAR)
13523GEAR OR SPROCKET, CAMSHAFT TIMING
13523AKEY, WOODRUFF(FOR TIMING GEAR)
13540TENSIONER ASSY, CHAIN, NO.1
13561DAMPER, CHAIN VIBRATION, NO.1
13571PLATE, CAMSHAFT THRUST
13711VALVE, INTAKE
13711ASEAL OR RING, O(FOR VALVE STEM OIL)
13711BSPRING, COMPRESSION(FOR INNER)
13711CSPRING, COMPRESSION(FOR OUTER)
13711DWASHER, PLATE(FOR VALVE SPRING SEAT)
13715VALVE, EXHAUST
13741RETAINER, VALVE SPRING
13741ALOCK, VALVE SPRING RETAINER
13751LIFTER, VALVE
13781ROD, VALVE PUSH
13783ROD, VALVE PUSH, NO.2
13801ARM SUB-ASSY, VALVE ROCKER, NO.1
13801DSPRING, COMPRESSION(FOR ROCKER ARM)
13802ARM SUB-ASSY, VALVE ROCKER, NO.2
13803ARM SUB-ASSY, VALVE ROCKER, NO.3
13804ARM SUB-ASSY, VALYE ROCKER, NO.4
13901SHAFT SUB-ASSY, VALVE ROCKER, NO.1
13902SHAFT SUB-ASSY, VALVE ROCKER, NO.2
13951SUPPORT, VALVE ROCKER, NO.1
13952SUPPORT, VALVE ROCKER, NO.2
13953SUPPORT, VALVE ROCKER, NO.3
9111151030
main91111-51030
9161140812
main91611-40812
9161140818
main91611-40818
9161140840
main91611-40840
9451201000
main94512-01000
9538103040
main95381-03040
38 parts on this diagram · 1 diagram in section