E
EPC Data

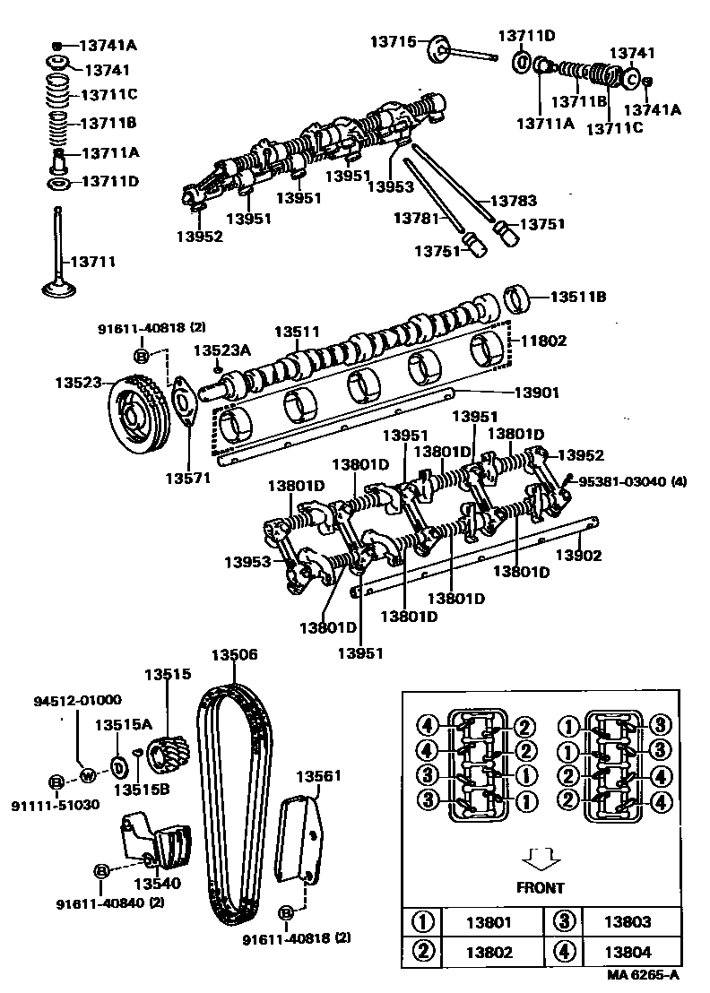
CAMSHAFT & VALVE

Parts diagram
11802BEARING SET, CAMSHAFT
main11802-51010i198210-198709
main11803-51010i198210-198709
main11804-51010i198210-198709
13506CHAIN SUB-ASSY
main13506-51010i198210-198709
13511CAMSHAFT
main13511-52030i198210-198709
13511BPLUG, EXPANSION(FOR CAMSHAFT)
main90331-51052i198210-198709
13515GEAR, DISTRIBUTOR DRIVE
main13515-51010i198210-198709
N=13
13515AWASHER, PLATE(FOR DISTRIBUTOR DRIVE GEAR)
main90201-10490i198210-198709
13515BKEY, WOODRUFF(FOR DISTRIBUTOR DRIVE GEAR)
main90280-05010i198210-198609
main95161-10519i198609-198709
13523GEAR OR SPROCKET, CAMSHAFT TIMING
main13523-51010i198210-198709
N=40
13523AKEY, WOODRUFF(FOR TIMING GEAR)
main90280-05010i198210-198609
main95161-10519i198609-198709
13540TENSIONER ASSY, CHAIN, NO.1
main13540-51010i198210-198709
13561DAMPER, CHAIN VIBRATION, NO.1
main13561-51010i198210-198709
13571PLATE, CAMSHAFT THRUST
main13571-51010i198210-198709
13711VALVE, INTAKE
main13711-52010×8i198210-198709
13711ASEAL OR RING, O(FOR VALVE STEM OIL)
main90913-02046×16i198210-198709
13711BSPRING, COMPRESSION(FOR INNER)
main90501-26002×16i198210-198709
WD=2.6,CW=8.5
13711CSPRING, COMPRESSION(FOR OUTER)
main90501-45003×16i198210-198709
WD=4.5,CW=6.5
13711DWASHER, PLATE(FOR VALVE SPRING SEAT)
main90201-13366×16i198210-198709
13715VALVE, EXHAUST
main13715-52010×8i198210-198709
13741RETAINER, VALVE SPRING
main13741-51013×16i198210-198709
13741ALOCK, VALVE SPRING RETAINER
main90913-03005×32i198210-198709
13751LIFTER, VALVE
main13750-52020×16i198210-198709
13781ROD, VALVE PUSH
main13781-52020×8i198210-198709
13783ROD, VALVE PUSH, NO.2
main13783-52020×8i198210-198709
13801ARM SUB-ASSY, VALVE ROCKER, NO.1
main13801-51012×4i198210-198709
13801DSPRING, COMPRESSION(FOR ROCKER ARM)
main90501-14546×16i198210-198709
WD=1.6,CW=7.5
13802ARM SUB-ASSY, VALVE ROCKER, NO.2
main13802-51012×4i198210-198709
13803ARM SUB-ASSY, VALVE ROCKER, NO.3
main13803-51012×4i198210-198709
13804ARM SUB-ASSY, VALYE ROCKER, NO.4
main13804-51012×4i198210-198709
13901SHAFT SUB-ASSY, VALVE ROCKER, NO.1
main13901-51011×2i198210-198709
13902SHAFT SUB-ASSY, VALVE ROCKER, NO.2
main13902-51011×2i198210-198709
13951SUPPORT, VALVE ROCKER, NO.1
main13951-51011×6i198210-198709
13952SUPPORT, VALVE ROCKER, NO.2
main13952-51011×2i198210-198709
13953SUPPORT, VALVE ROCKER, NO.3
main13953-51011×2i198210-198709
9111151030
9161140818
9161140840
9451201000
9538103040

38 parts on this diagram · 1 diagram in section

CAMSHAFT & VALVE — Toyota Parts Diagram with OEM Numbers & Prices | EPC Data