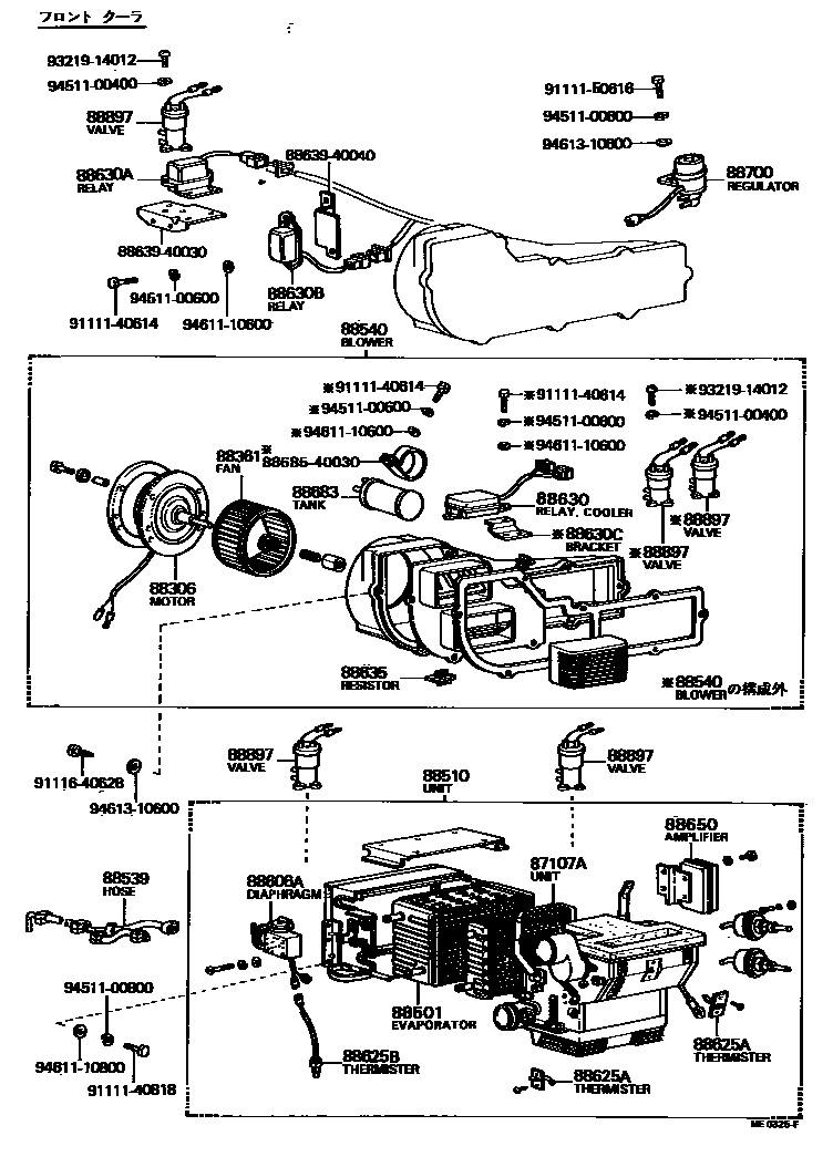
HEATING & AIR CONDITIONING - COOLER UNIT

87107AUNIT SUB-ASSY, HEATER RADIATOR
88306MOTOR SUB-ASSY, COOLER BLOWER, NO.1
RR COOLER
88361FAN, COOLER BLOWER, NO.1
RR COOLER
88501EVAPORATOR SUB-ASSY, COOLER, NO.1
RR COOLER
RR COOLER
88510UNIT ASSY, COOLER
RR COOLER
RR COOLER
88539HOSE, COOLER UNIT DRAIN, NO.1
RR COOLER
88540BLOWER ASSY, COOLER
88625THERMISTOR, COOLER, NO.1
88625ATHERMISTOR, COOLER NO.2
COOL
COOL
HOT
HOT
88625BTHERMISTOR, COOLER NO.3
88630RELAY ASSY, COOLER
RR COOLER
RR COOLER
88630BRELAY ASSY, COOLER
88630CBRACKET, COOLER RELAY
88635RESISTOR, COOLER UNIT BLOWER
88650AMPLIFIER ASSY, COOLER STABILIZER
RR COOLER
88683TANK, AIR CONDITIONER CONTROL VACUUM
88700REGULATOR ASSY, VACUUM
88897VALVE, COOLER MAGNET
RR COOLER
RR COOLER
COOLER DAMPER
HEATER DAMPER
L-V
L-V
HARNESS*G&B,F-T
A-T
B-T
HARNESS*G&R,E-T
A,B-T
E,F-T
8863940030
main88639-40030
8863940040
main88639-40040
8868540030BRACKET, AIR CONDITIONER CONTROL VACUUM TANK
main88685-40030
9111140614
main91111-40614
9111140818
main91111-40818
9111150616
main91111-50616
9111640628
main91116-40628
9321914012
main93219-14012
9451100400
main94511-00400
9451100600
main94511-00600
9451100800
main94511-00800
9461110600
main94611-10600
9461110800
main94611-10800
9461310600
main94613-10600
34 parts on this diagram · 6 diagrams in section