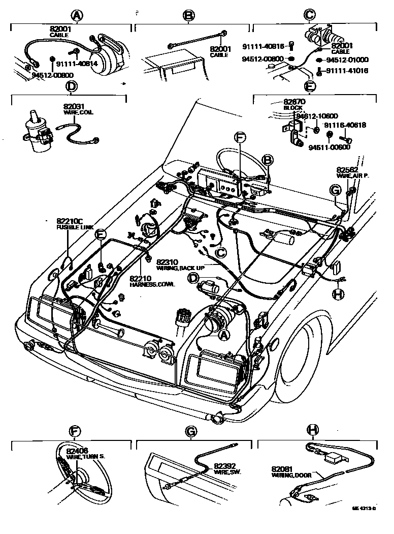
WIRING & CLAMP

82001CABLE, BOND, NO.1
L=100,FUEL GAGE--BODY EARTH
L=400,TAPE PLAYER--BODY EARTH
L=210,ENGINE--DASH PANEL
L=300,ENGINE--DASH PANEL
L=300,ENGINE--DASH PANEL
L=260,ENGINE--DASH PANEL
L=210,ENGINE--RADIATOR
82031WIRE SUB-ASSY, IGNITION COIL
82081WIRING ASSY, DOOR LOCK
82210HARNESS ASSY, WIRING COWL TO HEADLAMP, NO.1
82310WIRING ASSY, TO BACK UP LAMP SWITCH
82392WIRE, GLOVE BOX LAMP SWITCH
82406WIRE SUB-ASSY, TURN SIGNAL
82670BLOCK ASSY, JUNCTION, NO.1
9111140814
main91111-40814
9111140816
main91111-40816
9111141016
main91111-41016
9111640618
main91116-40618
9451100600
main94511-00600
9451200800
main94512-00800
9451201000
main94512-01000
9461210600
main94612-10600
18 parts on this diagram · 6 diagrams in section