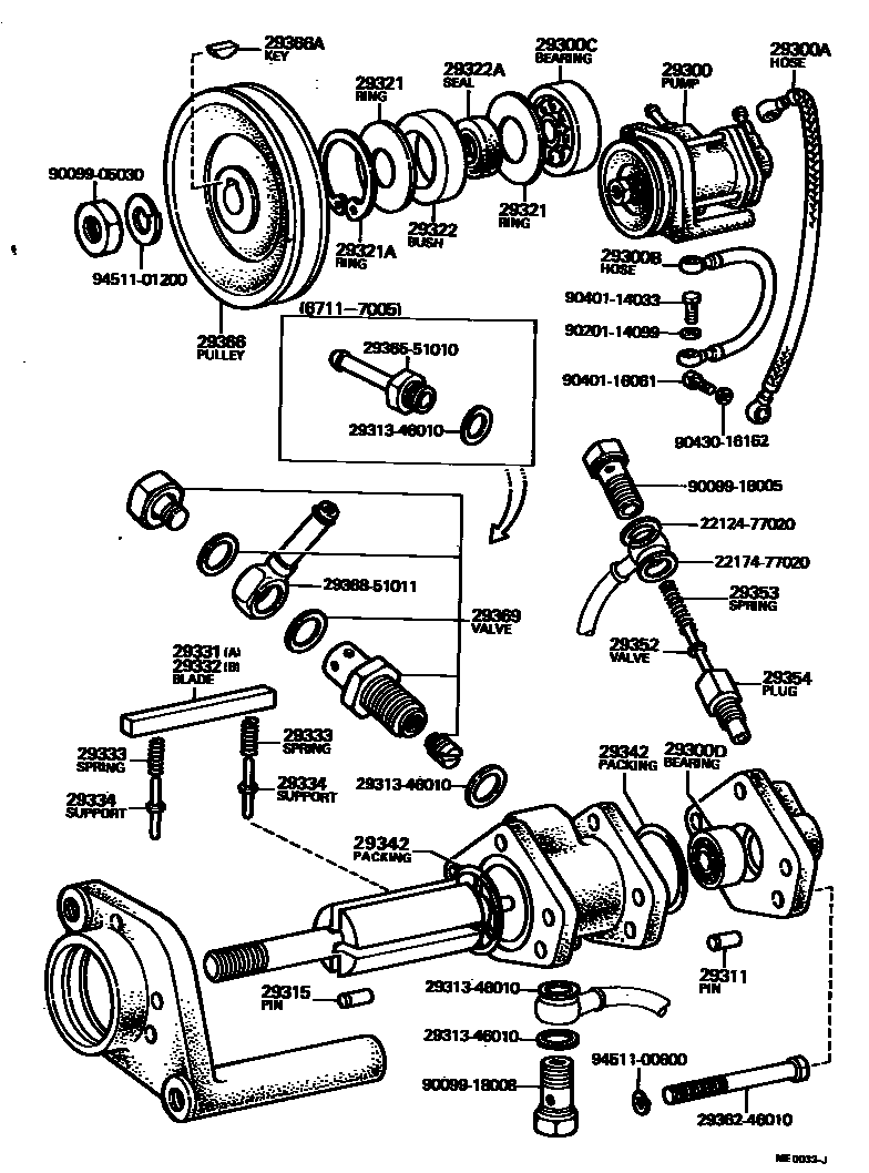
VACUUM PUMP

29300PUMP ASSY, VACUUM
29300AHOSE, VACUUM PUMP OIL INLET
29300BHOSE, VACUUM PUMP OIL OUTLET
29300CBEARING, VACUUM PUMP ROTOR, FRONT
29300DBEARING, VACUUM PUMP ROTOR, REAR
29311PIN, VACUUM PUMP DOWEL, NO.1
29315PIN, VACUUM PUMP DOWEL, NO.2
29321RING, OIL SEAL STOP, VACUUM PUMP
29321ARING, SNAP, VACUUM PUMP
29322BUSH, OIL SEAL, VACUUM PUMP
29322ASEAL, VACUUM PUMP OIL
29331BLADE, VACUUM PUMP, A
29332BLADE, VACUUM PUMP, B
29333SPRING, VACUUM PUMP BLADE
29334SUPPORT, VACUUM PUMP BLADE SPRING
29342PACKING, VACUUM PUMP
29353SPRING, OIL VALVE
29354PLUG, VACUUM PUMP OIL
29366PULLEY, VACUUM PUMP
29366AKEY, VACUUM PUMP
29369VALVE SUB-ASSY, CHECK
2212477020WASHER, INJECTION PUMP DRAIN UNION
main22124-77020
2217477020SHAFT, SPLINE
main22174-77020
2931346010
main29313-46010
2936246010
main29362-46010
2936551010
main29365-51010
2936851011
main29368-51011
9009905030
main90099-05030
9009918005
main90099-18005
9009918008
main90099-18008
9020114099
main90201-14099
9040114033
main90401-14033
9040116061
main90401-16061
9043016162
main90430-16162
9451100600
main94511-00600
9451101200
main94511-01200
37 parts on this diagram · 3 diagrams in section