E
EPC Data

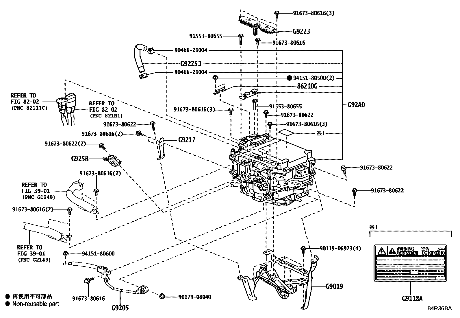
HEV INVERTER

Parts diagram
3901
8202
86210GFUSE, HIGH VOLTAGE
main90982-11050i202311
G9019BRACKET SUB-ASSY, INVERTER TRAY
mainG901911030i202311
G9118ALABEL, HV MOTOR CONTROL INVERTER CAUTION
mainG911876010i202311
G9205PLATE SUB-ASSY, INVERTER BUS-BAR
mainG920511020i202311
G9217BRACKET, INVERTER, NO.4
mainG921730030i202311
G9223COVER, INVERTER TERMINAL
mainG922311020i202311
G9225JHOSE, INVERTER COOLING, NO.1
mainG922530210i202311
G925BBRACKET, INVERTER, NO.6
mainG925B11010i202311
G92A0INVERTER ASSY, HYBRID MOTOR CONTROL
mainG92A030170i202311
9011906923
9017908040
9046621004
9155380655
9167380616
9167380622
9415180500
9415180600

19 parts on this diagram · 2 diagrams in section

HEV INVERTER — Toyota Parts Diagram with OEM Numbers & Prices | EPC Data