E
EPC Data

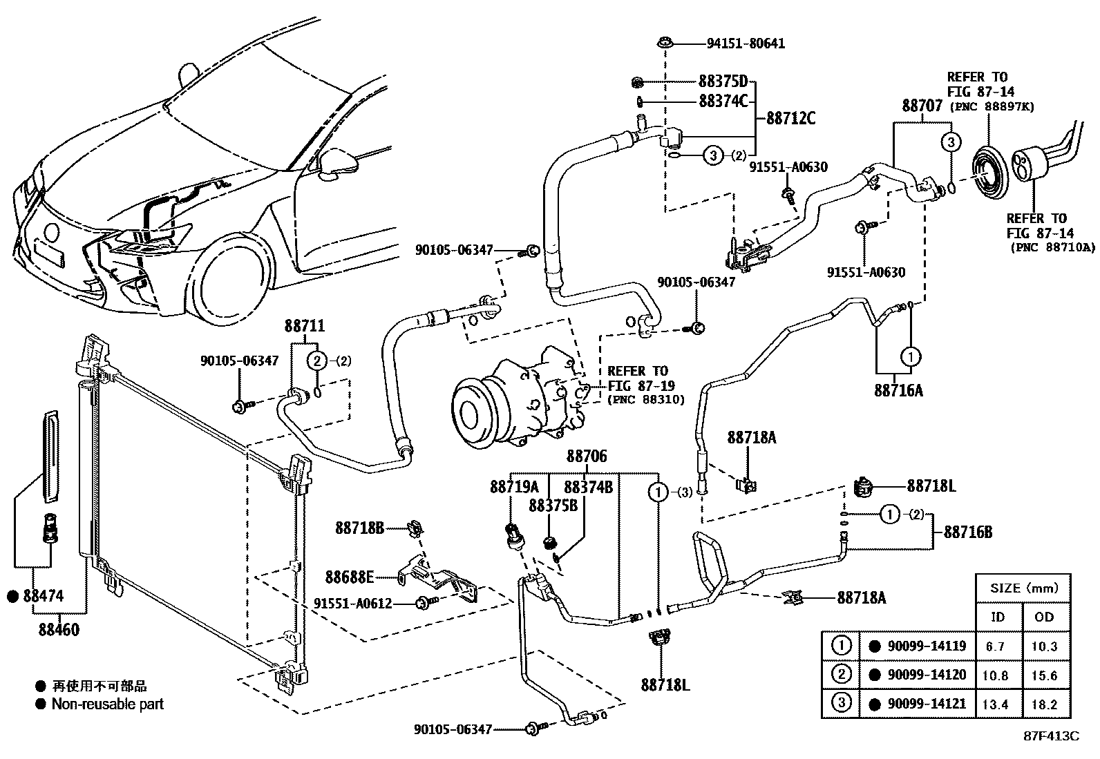
HEATING & AIR CONDITIONING - COOLER PIPING

Parts diagram
8714HEATING & AIR CONDITIONING - COOLER UNIT
8719HEATING & AIR CONDITIONING - COMPRESSOR
88374BVALVE, SERVICE, NO.1
main88374-30010i201510-202007
88374CVALVE, SERVICE, NO.2
main88374-30010i201510-202007
88375BCAP, SERVICE VALVE, NO.1
main88375-30280i201510-202007
88375DCAP, SERVICE VALVE, NO.2
main88375-30290i201510-202007
88460CONDENSER ASSY, COOLER
main88460-30C50i201510-202007
88474DRYER, COOLER
main88474-12010i201510-202007
88688EBRACKET, COOLER REFRIGERANT HOSE, NO.1
main88688-3F020i201510-202007
88706PIPE SUB-ASSY, LIQUID
main88706-24160i201510-202007
88707PIPE SUB-ASSY, SUCTION
main88707-24040i201510-202007
88711HOSE, COOLER REFRIGERANT DISCHARGE, NO.1
main88711-24190i201510-202007
88712CHOSE, SUCTION
main88712-24190i201510-202007
88716APIPE, COOLER REFRIGERANT LIQUID, A
main88716-24330i201510-202007
88716BPIPE, COOLER REFRIGERANT LIQUID, B
main88716-24340i201510-202007
88718ACLAMP, NO.1(FOR COOLER REFRIGERANT PIPE)
main88718-1A430×2i201510-202007
88718BCLAMP, NO.2(FOR COOLER REFRIGERANT PIPE)
main88718-32220i201510-202007
88718LCLAMP, PIPING
main88718-2D150×2i201510-202007
88719ASENSOR, AIR CONDITIONER PRESSURE
main88719-33020i201510-202007
9009914119
9009914120
9009914121
9010506347
91551A0612
91551A0630
9415180641

26 parts on this diagram · 1 diagram in section

HEATING & AIR CONDITIONING - COOLER PIPING — Toyota Parts Diagram with OEM Numbers & Prices | EPC Data