E
EPC Data

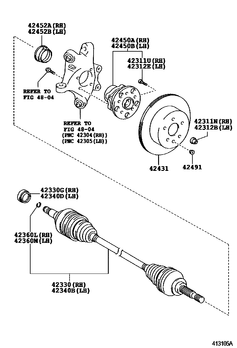
REAR AXLE SHAFT & HUB

Parts diagram
42311NNUT(FOR REAR AXLE SHAFT RH)
main90177-26001i200903
42311UBOLT, HUB(FOR REAR AXLE RH)
main90942-02070×5i200903
42312BNUT(FOR REAR AXLE SHAFT LH)
main90177-26001i200903
42312EBOLT, HUB(FOR REAR AXLE LH)
main90942-02070×5i200903
42330SHAFT ASSY, REAR DRIVE, RH
main42330-30160i200903
42330GOIL SEAL, REAR DRIVE SHAFT, RH
main90311-47018i200903
42340BSHAFT ASSY, REAR DRIVE, LH
main42340-30160i200903
42340DOIL SEAL, REAR DRIVE SHAFT, LH
main90311-47019i200903
42360LRING, SHAFT SNAP (FOR REAR DRIVE SHAFT INBOARD JOINT RH)
main90521-34003i200903
42360MRING, SHAFT SNAP (FOR REAR DRIVE SHAFT INBOARD JOINT LH)
main90521-34003i200903
42431DISC, REAR
main42431-30290×2i200903-201307
42450AHUB & BEARING ASSY, REAR AXLE, RH
main42410-30020i200903
42450BHUB & BEARING ASSY, REAR AXLE, LH
main42410-30020i200903
42452ADEFLECTER, REAR WHEEL BEARING DUST, NO.2 RH
main42451-30020i200903
42452BDEFLECTER, REAR WHEEL BEARING DUST, NO.2 LH
main42451-30020i200903
42491PLUG, SHOE ADJUSTING HOLE (FOR PARKING BRAKE)
main47491-50010×2i200903-201307
4804REAR SPRING & SHOCK ABSORBER

17 parts on this diagram · 1 diagram in section

REAR AXLE SHAFT & HUB — Toyota Parts Diagram with OEM Numbers & Prices | EPC Data