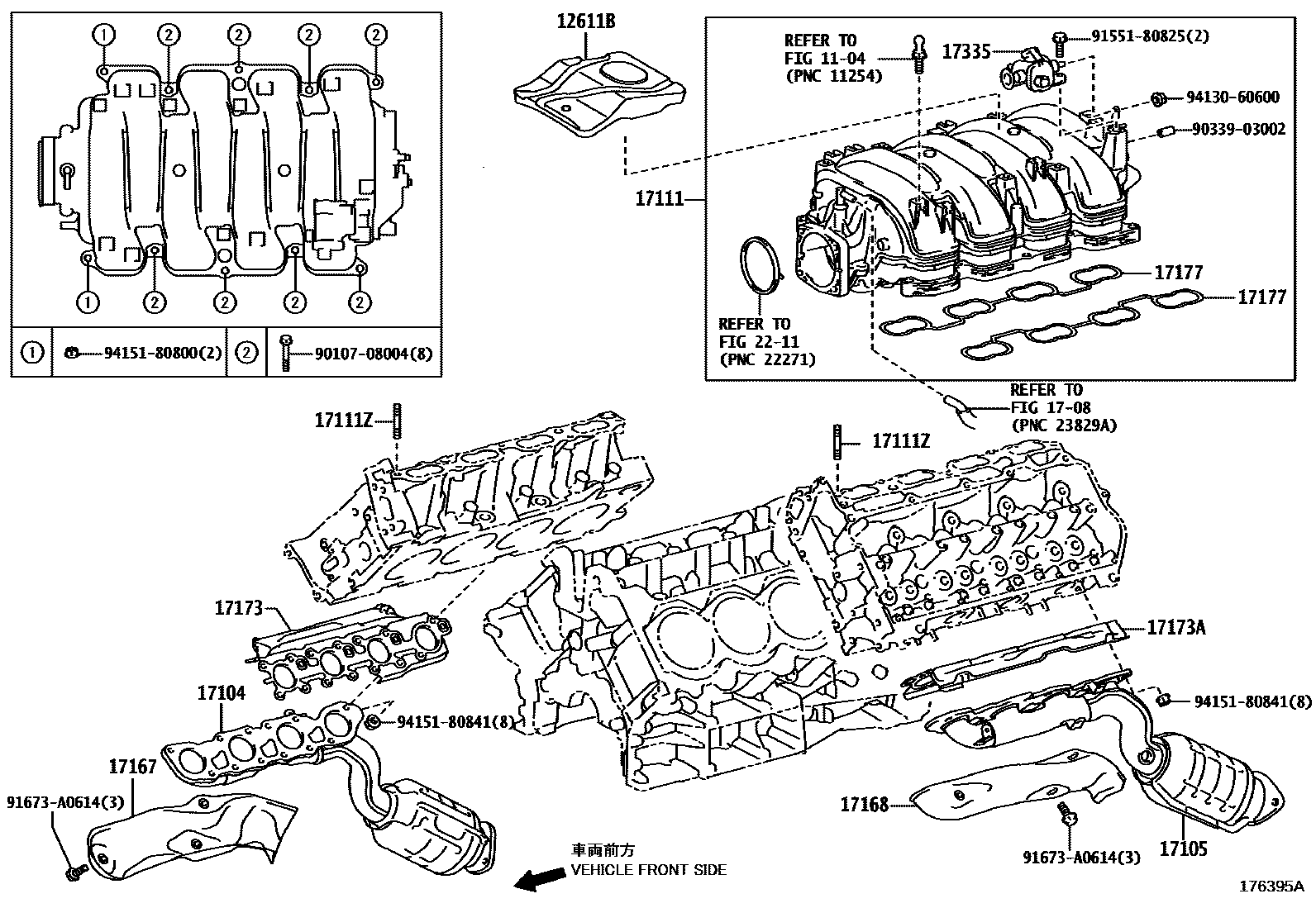
MANIFOLD

1104CYLINDER HEAD
12611BCOVER, ENGINE, NO.1
1708VACUUM PIPING
17104MANIFOLD SUB-ASSY, EXHAUST, RH
17105MANIFOLD SUB-ASSY, EXHAUST, LH
17111ZBOLT, STUD(FOR INTAKE MANIFOLD TO CYLINDER HEAD)
17167INSULATOR, EXHAUST MANIFOLD HEAT, NO.1
17168INSULATOR, EXHAUST MANIFOLD HEAT, NO.2
17173GASKET, EXHAUST MANIFOLD TO HEAD
17173AGASKET, EXHAUST MANIFOLD TO HEAD, LH
17177GASKET, INTAKE MANIFOLD TO HEAD, NO.1
17335ACTUATOR, INTAKE AIR CONTROL VALVE
2211FUEL INJECTION SYSTEM
9010708004
main90107-08004
9033903002
main90339-03002
9155180825
main91551-80825
91673A0614
main91673-A0614
9413060600
main94130-60600
9415180800
main94151-80800
9415180841
main94151-80841
21 parts on this diagram · 2 diagrams in section