E
EPC Data

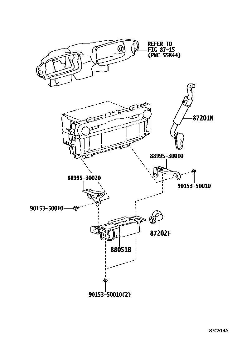
AIR PURIFIER OR ION GENERATOR

Parts diagram
8715HEATING & AIR CONDITIONING - CONTROL & AIR DUCT
87201NDUCT SUB-ASSY, AIR
main87201-30650i201112-201510
87202FDUCT SUB-ASSY, AIR, REAR
main87202-30030i201112-201309
88051BGENERATOR SUB-ASSY, ION, NO.1
main88051-30010i201112-201309
8899530010BRACKET,ION GENERATOR, NO.1
8899530020BRACKET,ION GENERATOR, NO.1
9015350010

7 parts on this diagram · 1 diagram in section

AIR PURIFIER OR ION GENERATOR — Toyota Parts Diagram with OEM Numbers & Prices | EPC Data