E
EPC Data

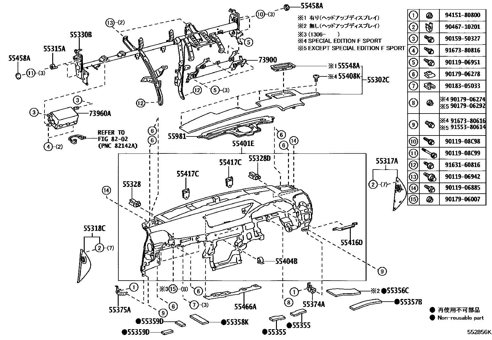
INSTRUMENT PANEL & GLOVE COMPARTMENT

Parts diagram
55302CPANEL SUB-ASSY, INSTRUMENT
main55302-30150-C0i201112-201309
BLACK/IVORY,TRIM00,01,03,50,51
main55302-30150-C0i201112-201510
BLACK/IVORY,TRIM00,01,02,03,50,51,52
main55302-30150-C2i201112-201309
BLACK/LT.GRAY NO.094,TRIM04,05,1#,2#,3#,4#,54,55
main55302-30150-C2i201112-201409
BLACK/LT.GRAY NO.094,TRIM04,05,06,1#,2#,3#,4#,54,55,56
main55302-30150-C2i201409-201510
BLACK/LT.GRAY NO.094,TRIM0#,1#,2#,30,31,32,4#,54,55,56
main55302-30150-C3i201409-201510
BLACK/RED,TRIM34
main55302-30230-C0i201510-202007
BLACK/LT.GRAY,TRIM0#,1#,2#,3#,5#,6#
main55302-30230-C1i201809-201909
BLACK/IVORY,TRIM4#
55315ASPACER, INSTRUMENT PANEL, NO.1
main55315-53040i201112-202007
55317APANEL, INSTRUMENT SIDE, RH
main55317-30130-C0i201510-201608
BLACK,TRIM0#,1#,2#,3#,5#,6#
main55317-30130-C0i201112-201510
BLACK,TRIM0#,1#,2#,3#,4#,5#
main55317-30130-C0i201510-202007
BLACK,TRIM0#,1#,2#,3#,4#,5#,6#
55318CPANEL, INSTRUMENT SIDE, LH
main55318-30130-C0i201112-201510
BLACK,TRIM0#,1#,2#,3#,4#,5#
main55318-30130-C0i201510-201608
BLACK,TRIM0#,1#,2#,3#,5#,6#
main55318-30130-C0i201510-202007
BLACK,TRIM0#,1#,2#,3#,4#,5#,6#
55328PIN, INSTRUMENT PANEL, NO.1
main55328-60090i201112-202007
55328DPIN, INSTRUMENT PANEL, NO.3
main55328-22110i201112-202007
55330BREINFORCEMENT ASSY, INSTRUMENT PANEL
main55330-30410i201112-201510
main55330-30420i201112-202007
main55330-30480i201510-201609
main55330-30490i201609-202007
55355CUSHION, INSTRUMENT PANEL, NO.1
main55355-30130i201112-202007
55356CCUSHION, INSTRUMENT PANEL, NO.2
main55356-30060i201112-202007
55357BCUSHION, INSTRUMENT PANEL, NO.3
main55357-30100i201112-202007
55358KCUSHION, INSTRUMENT PANEL, NO.4
main55358-30160i201112-202007
55359DCUSHION, INSTRUMENT PANEL, NO.5
main55359-30080i201112-202007
55374ABRACKET, INSTRUMENT PANEL LOWER MOUNTING, RH
main55374-30290i201112-202007
55375ABRACKET, INSTRUMENT PANEL LOWER MOUNTING, LH
main55375-30190i201112-202007
55401EPAD SUB-ASSY, INSTRUMENT PANEL SAFETY
main55401-30800-C0i201112-201510
BLACK,TRIM0#,1#,2#,3#,4#,5#
main55401-30800-C0i201510-201608
BLACK,TRIM0#,1#,2#,3#,5#,6#
main55401-30800-C0i201510-202007
BLACK,TRIM0#,1#,2#,3#,4#,5#,6#
55404BCLIP, SAFETY PAD SET
main90084-46027i201112-202007
55408KSCREW SUB-ASSY, INSTRUMENT CLUSTER FINISH END
55416DBRACKET, INSTRUMENT PAD, NO.2
main55416-30200i201112-202007
55417CBRACKET, INSTRUMENT PAD, NO.3
main55417-30090i201112-202007
55458ACAP, INSTRUMENT PANEL SAFETY PAD
main55458-22110i201112-202007
55466ARETAINER, INSTRUMENT PANEL SAFETY PAD
main55466-30080i201112-202007
55548ACOVER, INSTRUMENT PANEL HOLE
55981GARNISH, DEFROSTER NOZZLE, NO.1
main55981-30160-C0i201112-201510
BLACK,TRIM0#,1#,2#,3#,4#,5#
main55981-30160-C0i201510-201608
BLACK,TRIM0#,1#,2#,3#,5#,6#
main55981-30160-C0i201510-202007
BLACK,TRIM0#,1#,2#,3#,4#,5#,6#
73900AIRBAG ASSY, INSTRUMENT PANEL, LOWER NO.1
main73900-30060-C0i201112-201510
BLACK,TRIM0#,1#,2#,3#,4#,5#
main73900-30060-C0i201510-201608
BLACK,TRIM0#,1#,2#,3#,5#,6#
main73900-30060-C0i201510-202007
BLACK,TRIM0#,1#,2#,3#,4#,5#,6#
73960AAIRBAG ASSY, INSTRUMENT PANEL PASSENGER W/O DOOR
main73960-30100i201112-202007
8202
9011906885
9011906942
9011906951
9011908C98
9011908C99
9015950327
9017906007
9017906274
9017906278
9017906292
9018305033
9046710201
9155380614
9163160816
9167380616
9167380816
9415180800

43 parts on this diagram · 7 diagrams in section

INSTRUMENT PANEL & GLOVE COMPARTMENT — Toyota Parts Diagram with OEM Numbers & Prices | EPC Data