E
EPC Data

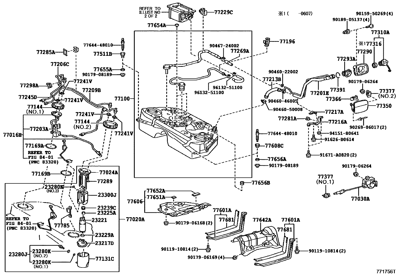
FUEL TANK & TUBE

Parts diagram
23217DFILTER, FUEL PUMP
main23217-31020i200508-200608
main23217-31100i200608-200709
23221PUMP, FUEL
main23220-38040i200709-200712
main23220-38041i200801
main23221-31090i200508-200709
main23221-31340i200911
main23221-50150i200508-200709
23225ASPACER, FUEL PUMP
main23225-21010i200508-200709
main23225-23010i200709-201112
23229ACLIP(FOR FUEL PUMP FILTER)
main23229-16010i200508-200709
23239CSEAL, FUEL PUMP FILTER
main23239-21010i200508-200709
23280JREGULATOR ASSY, FUEL PRESSURE
main23280-21010i200508-200709
main23280-31020i200508-200709
main23280-38020i200709
23280KRING, O(FOR FUEL PRESSURE REGULATOR)
main90301-04013i200508-200709
main90301-08020i200508-200608
main90301-15024i200508-200709
23300JFILTER ASSY, FUEL
main23300-31110i200508-200608
main23300-31140i200608-200709
77016HTUBE SUB-ASSY, FUEL RETURN VENT
main77016-30040i200508-200609
main77016-30050i200508-200609
main77016-30070i200709
main77016-30080i200609-200709
77020ATUBE ASSY, FUEL SUCTION W/PUMP & GAGE
main77020-30170i200508-200609
main77020-30180i200508-200609
main77020-30290i200609-200707
main77020-30291i200709-200910
main77020-30292i200911
main77020-30310i200609-200707
main77020-30311i200708-200709
main77020-30341i200709-200712
main77020-30342i200801
77024APLATE SUB-ASSY, FUEL SUCTION
main77024-30090i200508-200609
main77024-30110i200709
main77024-30130i200709
77030ALOCK ASSY, FUEL LID W/MOTOR
main77030-30140i200508-200509
main77030-30160i200509-200709
77100TANK ASSY, FUEL
main77001-30560i200508-200610
main77001-30561i200709
77131CSUB-TANK, FUEL, NO.1
main77131-30050i200508-200609
main77131-30062i200709-201107
main77131-30063i201107
main77131-30070i200609-200707
main77131-30071i200708-200709
77144RETAINER, FUEL PUMP GAUGE
main77144-30020i200508-200709
main77144-47020i200508-200709
77169AGASKET, FUEL SUCTION TUBE SET
main77169-30010i200508-200709
77169BGASKET, FUEL SUCTION TUBE SET, NO.1
main77169-47030i200508-200709
77196CLAMP, EVAPORATION VENT TUBE, NO.1
main77196-30050i200508-200709
77201EPIPE SUB-ASSY, FUEL TANK FILLER
main77201-30450i200508-200709
77203ATUBE SUB-ASSY, FUEL SUCTION
main77203-30180i200508-200609
77206CTUBE SUB-ASSY, FUEL MAIN, NO.2
main77206-30030i200508-200609
77209BTUBE SUB-ASSY, FUEL PUMP
main77209-30110i200508-200609
main77209-30140i200508-200609
main77209-30200i200609-200709
main77209-30220i200609-200709
main77209-30250i200709
77213BHOSE, FUEL TANK TO FILLER PIPE
main77213-30191i200709
77216ASUPPORT, FUEL TANK FILLER PIPE, NO.1
main77216-30050i200508-200709
77217ASUPPORT, FUEL TANK FILLER PIPE, NO.2
main77217-30130i200508-200709
77229CCLAMP, BREATHER TUBE
main77229-30050i200508-200709
77241VCLIP, TUBE JOINT
main77241-33011×2i201002
main77241-60320×2i200709-201001
77245DTUBE, FUEL TANK RETURN VENT
main77245-30170i200508-200709
main77245-30220i200709
77269AHOSE, FUEL TANK BREATHER
main77269-30060i200508-200709
77281ACLAMP, FUEL FILLER PIPE
main77281-50020i200709
77285ASUPPORT, FUEL RETURN AND MAIN TUBE
main77285-30230i200508-200609
77289HOLDER, FUEL TANK PIPE SETTING
main77289-52090i200508-200709
77290SHIELD ASSY, FUEL TANK FILLER PIPE
main77290-30110i200508-200709
77293ASHIELD, FUEL TANK FILLER PIPE, NO.3
main77293-30070i200508-200709
77298ACLAMP, FUEL TUBE, NO.4
main77298-12010i200508-200609
main77298-30180i200709-201112
main77298-30190i200609-200709
77310ACAP ASSY, FUEL TANK
main77300-50020i200508-200607
main77300-52030i200607-200709
77316GASKET, FUEL TANK CAP
main77316-16010i200508-200607
main77316-52040i200709-201112
77350LID ASSY, FUEL FILLER OPENING
main77350-30380i200508-200709
77366SPRING, FUEL FILLER OPENING LID HINGE
main77360-30070i200602-200709
main77360-30080i200508-200602
77377RETAINER, FUEL FILLER OPENING LID LOCK
main77377-12050i200709
main77377-30050i200508-200709
77391RING, FUEL INLET BOX
main77391-12020i200508-200709
77511BBRACKET, FUEL TANK
main77511-48030i200508-200709
77601ABAND SUB-ASSY, FUEL TANK, NO.1
main77601-30170×2i200709-200910
main77601-30171×2i200911
77606PROTECTOR SUB-ASSY, FUEL TANK, NO.1
main77606-30190i200508-200709
77608CCUSHION SET, FUEL TANK
main77608-48010i200508-200709
77642APROTECTOR, FUEL TANK, NO.2
main77642-30030i200709
77651ACUSHION, FUEL TANK, NO.1
main77651-12070×2i200508-200709
main77651-20090×2i201004
77652ACUSHION, FUEL TANK, NO.2
main77653-26040i200508-200709
77654CUSHION, FUEL TANK, NO.2
main77652-30090i200911
77654ACUSHION, FUEL TANK, NO.4
main77654-30020×2i200508-200709
77655ACUSHION, FUEL TANK, NO.5
main77655-30080i200508-200709
77656ACUSHION, FUEL TANK, NO.4
main77655-48010i200508-200709
77656BCUSHION, FUEL TANK, NO.6
main77656-30030×4i200709
77681SEAT, FUEL TANK BAND, RH
main77681-30010×2i200709
77785HARNESS, FUEL PUMP
main77785-30020i200709-201112
main77785-30040i200508-200709
8401SWITCH & RELAY & COMPUTER
7764448010BOLT, FUEL TANK
9011910814
9015950269
9017906168
9017906169
9017906264
9017908189
9018905137
9026906017
9046022002
9046046005
9046050008
9046724002
91626B0614
91671A0820
9415180641
9613251100

73 parts on this diagram · 10 diagrams in section

FUEL TANK & TUBE — Toyota Parts Diagram with OEM Numbers & Prices | EPC Data