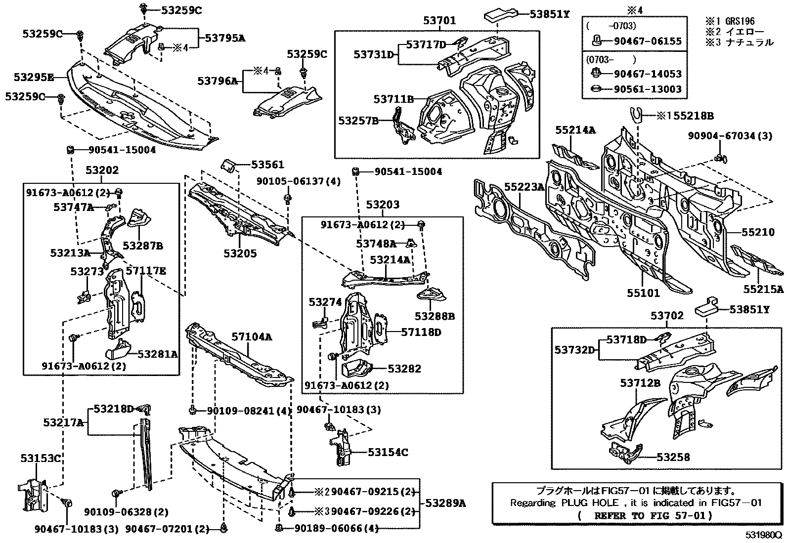
FRONT FENDER APRON & DASH PANEL

53153CGUIDE, RADIATOR GRILLE SIDE AIR, RH
53154CGUIDE, RADIATOR GRILLE SIDE AIR, LH
53202SUPPORT SUB-ASSY, RADIATOR, RH
53203SUPPORT SUB-ASSY, RADIATOR, LH
53205SUPPORT SUB-ASSY, RADIATOR, UPPER
53213ASUPPORT, RADIATOR, UPPER RH
53214ASUPPORT, RADIATOR, UPPER LH
53217ABRACE, HOOD LOCK SUPPORT
53218DEXTENSION, HOOD LOCK BRACE
53257BBRACKET, RADIATOR SUPPORT TO FRONT FENDER
53258BRACKET, FRONT END PANEL MOUNTING, LH
53259CCLIP, RADIATOR SUPPORT TO FRAME SEAL
53273BRACKET, FRONT BUMPER ARM MOUNTING, RH
53274BRACKET, FRONT BUMPER ARM MOUNTING, LH
53281AREINFORCEMENT, FRONT BODY MOUNTING, RH
53282REINFORCEMENT, FRONT BODY MOUNTING, LH
53287BEXTENSION, RADIATOR SUPPORT, RH
53288BEXTENSION, RADIATOR SUPPORT, LH
53289ACOVER, RADIATOR SUPPORT OPENING
53295ESEAL, COOL AIR INTAKE DUCT
53561GUIDE, HOOD AUXILIARY CATCH HOOK
53701APRON SUB-ASSY, FRONT FENDER, RH
53702APRON SUB-ASSY, FRONT FENDER, LH
53711BAPRON, FRONT FENDER, FRONT RH
53712BAPRON, FRONT FENDER, FRONT LH
53717DGUSSET, FENDER APRON, RH
53718DGUSSET, FENDER APRON, LH
53731DMEMBER, FRONT APRON TO COWL SIDE, UPPER RH
53732DMEMBER, FRONT APRON TO COWL SIDE, UPPER LH
53747AEXTENSION, APRON FENDER SIDE, RH
53748AEXTENSION, APRON FENDER SIDE, LH
53795ACOVER, ENGINE ROOM, SIDE
53796ACOVER, ENGINE ROOM SIDE, LH
53851YPAD, FRONT WHEEL OPENING EXTENSION, NO.1
55101PANEL SUB-ASSY, DASH
55210INSULATOR ASSY, DASH PANEL
55214APAD, DASH PANEL INSULATOR, NO.2
55215APAD, DASH PANEL INSULATOR, NO.3
55218BSEAL, DASH PANEL INSULATOR
55223AINSULATOR, DASH PANEL, OUTER
5701HOLE PLUG
57104AMEMBER SUB-ASSY, FRONT CROSS
57117ERETAINER, FRONT BUMPER ARM, RH
57118DRETAINER, FRONT BUMPER ARM, LH
9010506137
main90105-06137
9010906328
main90109-06328
9010908241
main90109-08241
9018906066
main90189-06066
9046706155
main90467-06155
9046707201
main90467-07201
9046709215
main90467-09215
9046709226
main90467-09226
9046710183
main90467-10183
9046714053
main90467-14053
9054115004
main90541-15004
9056113003
main90561-13003
9090467034
main90904-67034
91673A0612
main91673-A0612
58 parts on this diagram · 1 diagram in section