E
EPC Data

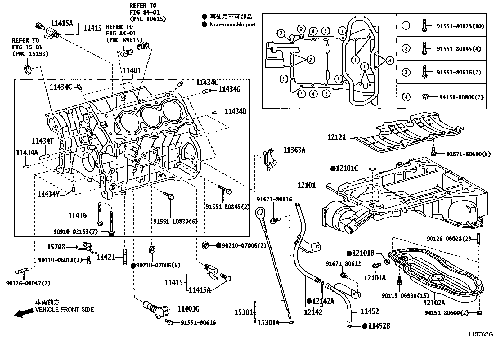
CYLINDER BLOCK

Parts diagram
11363ACOVER, FLYWHEEL HOUSING SIDE
main11363-31010i200709
main11363-38020i200709
11401BLOCK SUB-ASSY, CYLINDER
main11401-39775i200709
main11401-39845i200709-201003
main11401-39A06i201003
main11401-59735i200508-200709
11401GSENSOR, CRANK POSITION
main90919-05057i200709
main90919-05071i200709
11415COCK SUB-ASSY, WATER DRAIN(FOR CYLINDER BLOCK)
main90910-09095×2i200508-200709
main90910-09129×2i200709
11415APLUG, WATER DRAIN COCK(FOR CYLINDER BLOCK)
main90910-09087×2i200508-200709
11416BOLT(FOR CRANKSHAFT BEARING CAP SET)
main90910-02154×9i200508-200709
main90910-02165×10i200709
11421BOLT, STUD(FOR OIL PAN)
main90116-06098×4i200508-200709
main90126-08030×2i200508-200709
main90126-08051×2i200709-201005
main90126-08052×2i201005
11434APIN, STRAIGHT(FOR TIMING GEAR COVER SET)
main90250-04097×2i200709
11434CPIN, STRAIGHT (FOR CYLINDER HEAD SET)
main90250-08120×4i200709
main90253-16001×4i200508-200709
11434DPIN, STRAIGHT(FOR ENGINE REAR OIL SEAL)
main90250-04097×2i200709
main90250-06003×2i200508-200709
11434GPIN, STRAIGHT(FOR END PLATE)
main90250-10113×2i200709
11434TPIN, RING(FOR TIMING BELT IDLER BRACKET SET)
main90250-10030i200508-200709
11434YPIN, STRAIGHT(FOR OIL PAN)
main90250-04097×2i200709
11452GUIDE, OIL LEVEL GAGE
main11452-31040i200508-200709
main11452-31050i200508-200709
main11452-50170i200508-200709
11452BRING, O(FOR OIL LEVEL GAGE GUIDE)
main90301-09028i200709
main90301-12018i200508-200709
main96721-19010i200508-200709
12101PAN SUB-ASSY, OIL
main12101-31101i200508-200709
main12101-31110i200709
main12111-38090i200709
main12111-50150i200508-200709
12101APLUG(FOR OIL PAN DRAIN)
main90341-12012i200508-200709
main90341-12023i200508-200709
12101BGASKET(FOR OIL PAN DRAIN PLUG)
main90430-12031i200709
12101CRING, O(FOR OIL PAN)
main12151-31010×2i200508-200709
12102APAN SUB-ASSY, OIL, NO.2
main12102-31030i200709
main12102-31040i200508-200709
main12102-38020i200709-200902
main12102-38021i200902
main12102-50150i200508-200709
12121PLATE, OIL PAN BAFFLE, NO.1
main12121-31080i200709
main12121-38080i200709
main12121-50200i200508-200709
12142GUIDE, OIL LEVEL GAGE, NO.2
main12142-31010i200508-200709
main12142-31020i200508-200709
12142ARING, O(FOR OIL LEVEL GAGE GUIDE, NO.2)
main96721-19010i200508-200709
1501ENGINE OIL PUMP
15301GAGE SUB-ASSY, OIL LEVEL
main15301-31070i200508-200709
main15301-31080i200508-200709
main15301-38080i200709
main15301-50130i200508-200709
15301ARING, O(FOR OIL LEVEL GAGE)
main96741-19005i200709
15708NOZZLE SUB-ASSY, OIL, NO.1
main15708-31030×3i201003
main15708-31040×3i200508-200709
main15708-38020×4i200709
8401SWITCH & RELAY & COMPUTER
9011006018
9011906938
9012606028
9012608047
9021007006
9091002153
9155180616
9155180825
9155180845
91551L0830
91551L0845
9167180610
9167180612
9167180816
9415180600
9415180800

44 parts on this diagram · 4 diagrams in section

CYLINDER BLOCK — Toyota Parts Diagram with OEM Numbers & Prices | EPC Data