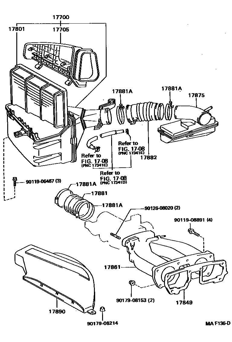
AIR CLEANER

1708VACUUM PIPING
17700CLEANER ASSY, AIR
17705CAP SUB-ASSY, AIR CLEANER
17801ELEMENT SUB-ASSY, AIR CLEANER FILTER
17849GASKET, INTAKE AIR CONNECTOR
17861CONNECTOR, INTAKE AIR
17875PIPE, INTAKE AIR CONNECTOR
17881HOSE, AIR CLEANER, NO.1
17881ACLAMP(FOR AIR CLEANER HOSE, NO.1)
PIPE SIDE
AIR FLOW METER SIDE
17882HOSE, AIR CLEANER, NO.2
17890HOSE ASSY, AIR CLEANER, NO.2
9011906467
main90119-06467
9011908891
main90119-08891
9012608020
main90126-08020
9017906214
main90179-06214
9017908153
main90179-08153
16 parts on this diagram · 3 diagrams in section