E
EPC Data

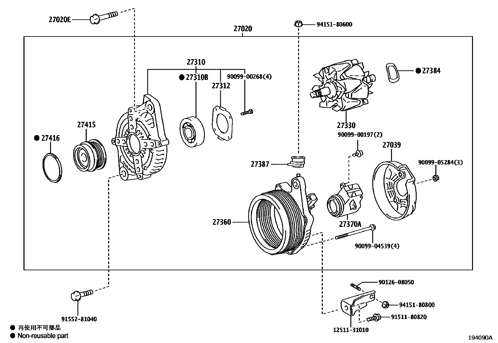
ALTERNATOR

Parts diagram
27020ALTERNATOR ASSY
main27060-31350i201212-201804
main27060-36130i201509-201804
27020EBOLT(FOR ALTERNATOR)
main91552-81070i201212-201804
27039COVER, ALTERNATOR REAR END
main27039-31390i201212-201804
main27039-38150i201509-201804
27310FRAME ASSY, DRIVE END, ALTERNATOR
main27310-31220i201212-201804
main27310-36210i201509-201804
27310BBEARING(FOR ALTERNATOR DRIVE END FRAME)
main90099-10223i201212-201804
main90099-10226i201509-201804
27312PLATE, RETAINER
main27312-42010i201509-201804
main27312-72100i201212-201804
27330ROTOR ASSY, ALTERNATOR
main27330-38140i201509-201804
main27330-58460i201212-201804
27360COIL ASSY, ALTERNATOR
main27360-31500i201212-201804
main27360-36210i201509-201804
27370AHOLDER ASSY, ALTERNATOR BRUSH
main27370-27060i201509-201804
main27370-31220i201212-201804
27384WASHER
main27384-38130i201509-201804
main27384-50030i201212-201804
27387INSULATOR, TERMINAL
main27387-20130i201212-201804
main27387-38130i201509-201804
27415PULLEY, ALTERNATOR W/CLUTCH
main27415-0W130i201212-201306
main27415-0W131i201307-201804
main27415-0W230i201509-201804
27416CAP, ALTERNATOR PULLEY
main27416-0W050i201212-201804
1251131010BRACKET, ALTERNATOR, NO.1
9009900197
9009900268
9009904539
9009905284
9012608050
9151180820
9155281040
9415180600
9415180800

23 parts on this diagram · 2 diagrams in section

ALTERNATOR — Toyota Parts Diagram with OEM Numbers & Prices | EPC Data