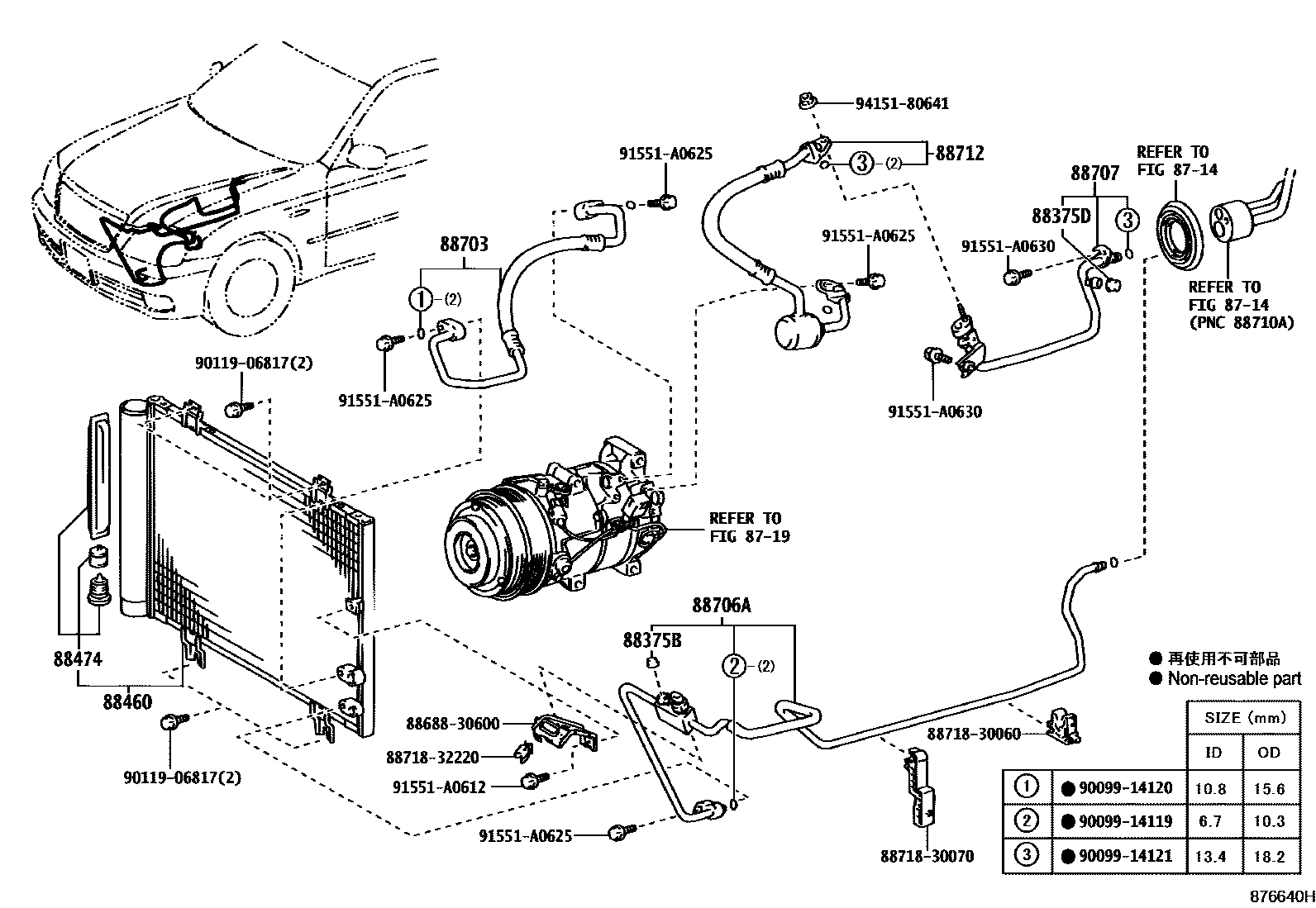
HEATING & AIR CONDITIONING - COOLER PIPING

8714HEATING & AIR CONDITIONING - COOLER UNIT
8719HEATING & AIR CONDITIONING - COMPRESSOR
88375BCAP, SERVICE VALVE, NO.1
88375DCAP, SERVICE VALVE, NO.2
88460CONDENSER ASSY, COOLER
88474DRYER, COOLER
88703HOSE SUB-ASSY, DISCHARGE
88706ATUBE SUB-ASSY, LIQUID, A
88707PIPE SUB-ASSY, SUCTION
88712HOSE, COOLER REFRIGERANT SUCTION, NO.1
8868830600BRACKET, COOLER DIAPHRAGM
main88688-30600
8871830060PIPE, COOLER REFRIGERANT SUCTION, NO.2
main88718-30060
8871830070PIPE, COOLER REFRIGERANT SUCTION, NO.2
main88718-30070
8871832220PIPE, COOLER REFRIGERANT SUCTION, NO.2
main88718-32220
9009914119
main90099-14119
9009914120
main90099-14120
9009914121
main90099-14121
9011906817
main90119-06817
91551A0612
main91551-A0612
91551A0625
main91551-A0625
91551A0630
main91551-A0630
9415180641
main94151-80641
22 parts on this diagram · 5 diagrams in section