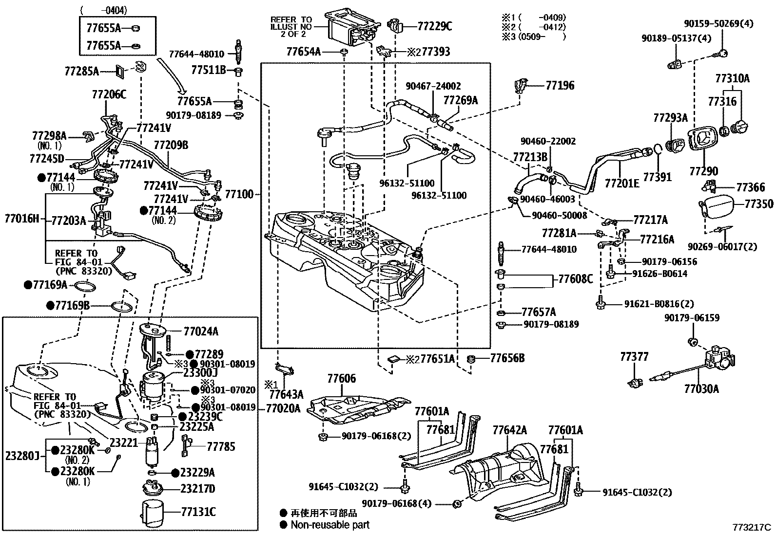
FUEL TANK & TUBE

23217DFILTER, FUEL PUMP
23225ASPACER, FUEL PUMP
23229ACLIP(FOR FUEL PUMP FILTER)
23239CSEAL, FUEL PUMP FILTER
23280JREGULATOR ASSY, FUEL PRESSURE
23280KRING, O(FOR FUEL PRESSURE REGULATOR)
23300JFILTER ASSY, FUEL
77016HTUBE SUB-ASSY, FUEL RETURN VENT
77024APLATE SUB-ASSY, FUEL SUCTION
77030ALOCK ASSY, FUEL LID W/MOTOR
77131CSUB-TANK, FUEL, NO.1
77144RETAINER, FUEL PUMP GAUGE
77169AGASKET, FUEL SUCTION TUBE SET
77169BGASKET, FUEL SUCTION TUBE SET, NO.1
77196CLAMP, EVAPORATION VENT TUBE, NO.1
77201EPIPE SUB-ASSY, FUEL TANK FILLER
77203ATUBE SUB-ASSY, FUEL SUCTION
77206CTUBE SUB-ASSY, FUEL MAIN, NO.2
77209BTUBE SUB-ASSY, FUEL PUMP
77213BHOSE, FUEL TANK TO FILLER PIPE
77216ASUPPORT, FUEL TANK FILLER PIPE, NO.1
sub77216-30051
77217ASUPPORT, FUEL TANK FILLER PIPE, NO.2
sub77217-30131
77229CCLAMP, BREATHER TUBE
77241VCLIP, TUBE JOINT
77245DTUBE, FUEL TANK RETURN VENT
77269AHOSE, FUEL TANK BREATHER
77281ACLAMP, FUEL FILLER PIPE
77285ASUPPORT, FUEL RETURN AND MAIN TUBE
77289HOLDER, FUEL TANK PIPE SETTING
77290SHIELD ASSY, FUEL TANK FILLER PIPE
77293ASHIELD, FUEL TANK FILLER PIPE, NO.3
77298ACLAMP, FUEL TUBE, NO.4
77310ACAP ASSY, FUEL TANK
77316GASKET, FUEL TANK CAP
77366SPRING, FUEL FILLER OPENING LID HINGE
77377RETAINER, FUEL FILLER OPENING LID LOCK
77391RING, FUEL INLET BOX
77393PROTECTOR, CHECK VALVE
77511BBRACKET, FUEL TANK
77601ABAND SUB-ASSY, FUEL TANK, NO.1
sub77601-30171
77606PROTECTOR SUB-ASSY, FUEL TANK, NO.1
77608CCUSHION SET, FUEL TANK
77642APROTECTOR, FUEL TANK, NO.2
77643APROTECTOR, FUEL TANK, NO.3
77651ACUSHION, FUEL TANK, NO.1
77654ACUSHION, FUEL TANK, NO.4
77655ACUSHION, FUEL TANK, NO.5
77656BCUSHION, FUEL TANK, NO.6
77657ACUSHION, FUEL TANK, NO.5
77681SEAT, FUEL TANK BAND, RH
77785HARNESS, FUEL PUMP
8401
7764448010BOLT, FUEL TANK
main77644-48010
9015950269
main90159-50269
9017906156
main90179-06156
9017906159
main90179-06159
9017906168
main90179-06168
9017908189
main90179-08189
9018905137
main90189-05137
9026906017
main90269-06017
9030107020
main90301-07020
9030108019
main90301-08019
9046022002
main90460-22002
9046046003
main90460-46003
9046050008
main90460-50008
9046724002
main90467-24002
91621B0816
main91621-B0816
91626B0614
main91626-B0614
91645C1032
main91645-C1032
9613251100
main96132-51100
74 parts on this diagram · 8 diagrams in section