E
EPC Data

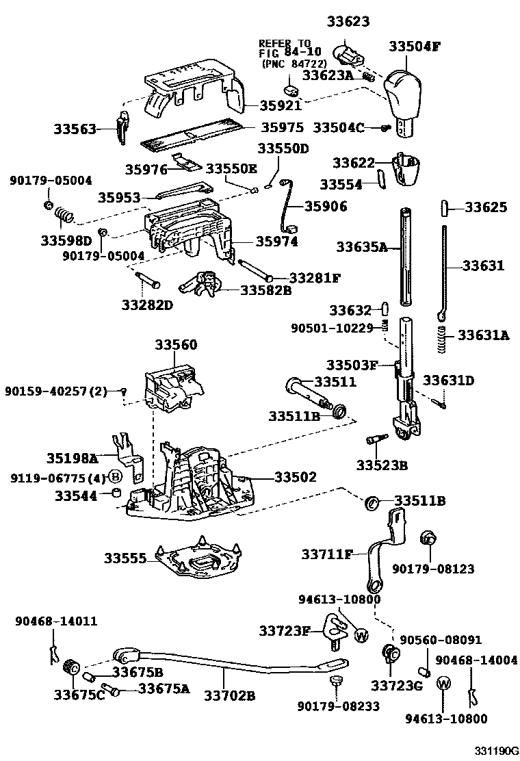
SHIFT LEVER & RETAINER

Parts diagram
33281FPIN, LEVER LOCK (FOR FLOOR SHIFT)
main33526-30030×2i199909-200108
main33598-30020i199909-200108
33282DPIN, LEVER LOCK, NO.2
main33598-30010i199909-200108
main33899-30010i200108-200405
33502PLATE SUB-ASSY, SHIFT LEVER
main33521-30300i199909-200108
main33521-30310i199909-200108
main33521-30320i200108-200405
main33521-30330i200108
33503FLEVER SUB-ASSY, SHIFT(FOR FLOOR SHIFT)
main33055-30180i200108-200312
main33055-30190i199909-200108
main33055-30200i199909-200108
33504CSCREW (FOR SHIFT LEVER KNOB SETTING)
main90159-40238×2i199909-200108
33504FKNOB SUB-ASSY, SHIFT LEVER
main33504-30310-B0i200108-200405
DK.CHARCOAL,TRIM1#
main33504-30310-B1i199909-200108
SADDLE GRAY,TRIM1#
main33504-30310-C4i200108-200706
BLACK,TRIM2#
main33504-30310-C6i200202-200207
10TH ANNIVERSARY EDITION *(A),BLACK,TRIM23
main33504-30310-E0i200108-200405
SANDAL WOOD,TRIM0#
main33542-30340-B0i200108-200312
main33542-30340-E0i200104-200107
main33542-30350-B0i200108-200312
main33542-30350-E0i200108-200312
33511SHAFT, CONTROL (FOR FLOOR SHIFT)
main33511-30420i200108-200312
main33511-30430i199909-200108
main33511-30440i199909-200108
main33511-30450i199909-200108
33511BBUSH (FOR CONTROL SHAFT)
main35469-30030×2i200108-200405
main90385-13010×2i199909-200108
33523BPIN, SHIFT LEVER (FOR FLOOR SHIFT)
main33523-30020×2i200108-200312
33544INSERT, SHIFT LEVER, NO.1
main33544-50010×4i200108-200312
33550DBULB, POSITION INDICATOR LAMP
main90981-11014i200108-200405
main90981-11018i199909-200108
33550ECAP, POSITION INDICATOR LAMP
main90339-04053i199909-200108
33554CAP, SHIFT LEVER
main33554-22060i199909-200108
33555BOOT, SHIFT LEVER
main33555-30340i199909-200108
main33555-30350i199909-200108
main33555-30360i199909-200108
33560UNIT ASSY, SHIFT LOCK CONTROL
main33560-30010i199909-200108
main33560-30020i199909-200108
33563BUTTON, SHIFT LOCK RELEASE
main33563-30120i200108
main33563-30140i200108-200312
33582BSTOPPER, SHIFT LOCK PLATE (FOR FLOOR SHIFT)
main33582-30080i200108-200312
main33582-30090i199909-200108
main33582-30100i200108
33598DSPRING, COMPRESSION(FOR LEVER LOCK PIN)
main90501-06086i200108-200312
33622COVER, SHIFT LEVER KNOB, NO.1
main33622-30140i199909-200108
33623BUTTON, SHIFT LEVER KNOB
main33623-30150-B0i199909-200108
DK.CHARCOAL,TRIM1#
main33623-30150-E0i199909-200108
SANDAL WOOD,TRIM0#
33623ASPRING, COMPRESSION (FOR SHIFT LEVER KNOB BUTTON)
main90501-07009i199909-200108
33625SLEEVE, SHIFT LEVER KNOB
main33625-48010i199909-200108
33631ROD, DETENT
main33631-30090i199909-200108
33631ASPRING, COMPRESSION (FOR DETENT ROD)
main90501-07115i200108-200312
33631DPIN, GROOVED (FOR DETENT ROD)
main90256-04015i200108-200312
33632ROD, DETENT, NO.2
main33632-30040i200108-200312
main33632-30050i199909-200108
33635AGUIDE, WIRE, NO.1 (FOR SHIFT LEVER)
main33635-30150i200108-200312
33675APIN, W/HOLE (FOR TRANSMISSION CONTROL ROD)
main33726-30020i200405
main33726-35010i199909-200108
33675BBUSH (FOR TRANSMISSION CONTROL ROD)
main90389-08005i199909-200108
main90560-08091i200108-200405
33675CGROMMET (FOR TRANSMISSION CONTROL ROD)
main90480-17013i199909-200108
main90480-17023i199909-200108
33702BROD SUB-ASSY, GEAR SHIFTING, NO.1 (FOR FLOOR SHIFT)
main33702-30500i200108
main33702-30510i200004-200108
main33702-30520i200108-200312
main33702-30530i199909-200108
main33702-30540i200108-200405
main33702-30550i200108-200405
main33702-30560i200108-200405
33711FLEVER, CONTROL SHAFT (FOR FLOOR SHIFT)
main33711-30350i200108-200312
main33711-30360i199909-200108
33723FSWIVEL, CONNECTING ROD (FOR FLOOR SHIFT)
main33723-22020i199909-200108
main33723-30100i199909-200108
33723GBUSH (FOR FLOOR SHIFT CONTROL SHAFT)
main33572-30050i199909-200108
main33572-30060i200108-200405
35198ABRACKET, WIRE HARNESS CLAMP, NO.4
main35198-30140i199909-200108
35906WIRE SUB-ASSY, INDICATOR LAMP
main35906-30100i199909-200108
main35906-30120i199909-200108
main35906-30130i199909-200108
35921PLATE, CONTROL POSITION INDICATOR
main35921-30470i199909-200108
main35921-30480i199909-200108
35953GUIDE, POSITION INDICATOR LIGHT
main35953-30050i199909-200108
main35953-30060i199909-200108
35974HOUSING, POSITION INDICATOR, LOWER
main35907-30270i199909-200108
main35974-30120i200108-200312
35975COVER, SLIDE (FOR POSITION INDICATOR)
main35975-30250i200108-200312
main35975-30260i199909-200108
main35975-30270i199909-200108
35976COVER, SLIDE, NO.2 (FOR POSITION INDICATOR)
main35976-30080i199909-200108
8410OVERDRIVE & ELECTRONIC CONTROLLED TRANSMISSION
9015940257
9017905004
9017908123
9017908233
9046814004
9046814011
9050110229
9056008091
9461310800

51 parts on this diagram · 3 diagrams in section

SHIFT LEVER & RETAINER — Toyota Parts Diagram with OEM Numbers & Prices | EPC Data